LEMON Manuals: Even more car manuals for everyone: 1960-2025
Home >> Honda >> 2008 >> Element SC, Automatic >> Repair and Diagnosis (Single Page) >> Transmission >> Automatic Trans >> Automatic Transmission >> System Description >> Lock-up System >> Circuit Diagram - PCM A/T Control System
April 5, 2026: LEMON Manuals is launched! Read the announcement.

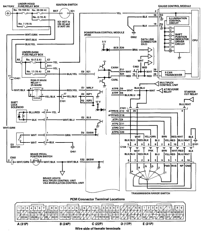
Circuit Diagram - PCM A/T Control System

Fig 1: PCM A/T Control System - Circuit Diagram (1 Of 2)
G06266769Courtesy of AMERICAN HONDA MOTOR CO., INC.
Fig 2: PCM A/T Control System - Circuit Diagram (2 Of 2)
G06266770Courtesy of AMERICAN HONDA MOTOR CO., INC.