LEMON Manuals: Even more car manuals for everyone: 1960-2025
Home >> Honda >> 2008 >> Element SC, Standard >> Repair and Diagnosis (Single Page) >> Heating, Ventilation & A/C (HVAC) >> HVAC Control Systems >> Heating/Air Conditioning >> Heating/Air Conditioning >> Recirculation Control Motor Replacement
April 5, 2026: LEMON Manuals is launched! Read the announcement.

Recirculation Control Motor Replacement

  1. Remove the ECM/PCM (see ECM/PCM REPLACEMENT ).
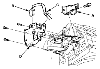
  2. Remove the bolt and the bracket (A). Disconnect the 7P connector (B) and the harness clip (C) from the recirculation control motor (D). Remove the self-tapping screws and the recirculation control motor from the blower unit.
    Fig 1: Identifying Recirculation Control Motor, 7P Connector, Harness Clip And Bracket
    G06680524Courtesy of AMERICAN HONDA MOTOR CO., INC.
  3. Install the motor in the reverse order of removal. After installation, make sure the motor runs smoothly.