LEMON Manuals: Even more car manuals for everyone: 1960-2025
Home >> Honda >> 2008 >> Fit Base, Automatic >> Repair and Diagnosis (Single Page) >> Engine Performance >> System >> Advanced Diagnostics >> DTC P0401 (80): Exhaust Gas Recirculation (EGR) Insufficient Flow (A/T) >> Notes
April 5, 2026: LEMON Manuals is launched! Read the announcement.

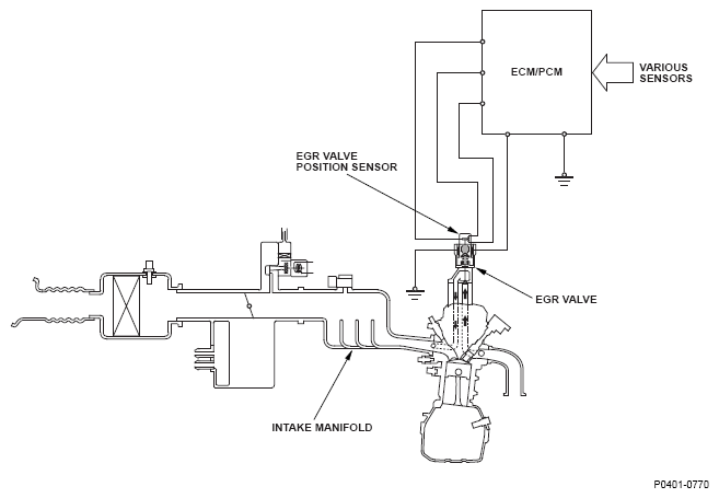
DTC P0401 (80): Exhaust Gas Recirculation (EGR) Insufficient Flow (A/T): Notes

Fig 1: Exhaust Gas Recirculation (EGR) Insufficient Flow - System Diagram
G05616584
Fig 2: Exhaust Gas Recirculation (EGR) System Open And Close Position
G04816559