LEMON Manuals: Even more car manuals for everyone: 1960-2025
Home >> Honda >> 2008 >> Fit Base, Automatic >> Repair and Diagnosis (Single Page) >> Engine Performance >> System >> Advanced Diagnostics >> DTC P0506 (14): Idle Control System RPM Lower Than Expected (M/T) >> Notes
April 5, 2026: LEMON Manuals is launched! Read the announcement.

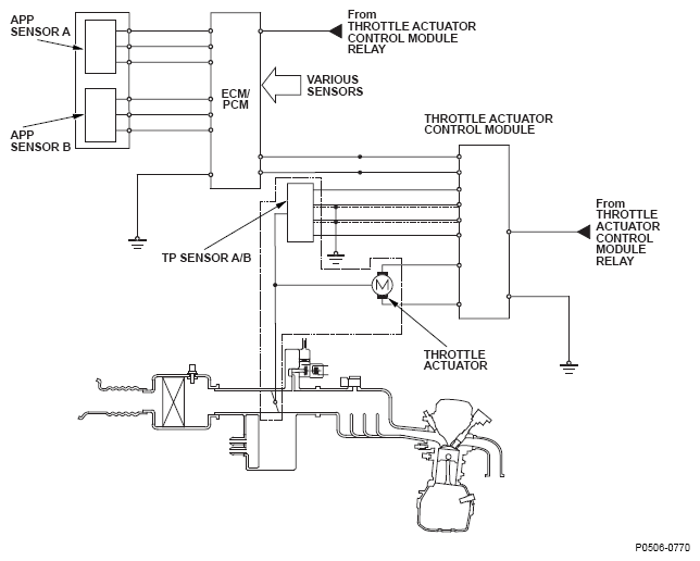
DTC P0506 (14): Idle Control System RPM Lower Than Expected (M/T): Notes

Fig 1: Idle Control System RPM Lower Than Expected - System Diagram
G05616643
Fig 2: Idle Control System Normal And Failure Operation
G04818011