LEMON Manuals: Even more car manuals for everyone: 1960-2025
Home >> Honda >> 2008 >> Fit Base, Automatic >> Repair and Diagnosis (Single Page) >> Engine Performance >> System >> Advanced Diagnostics >> DTC P0970 (29): Problem in A/T Clutch Pressure Control Solenoid Valve C Circuit (A/T) >> Notes
April 5, 2026: LEMON Manuals is launched! Read the announcement.

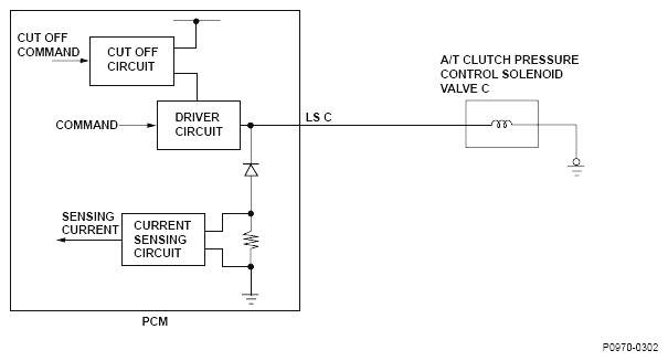
DTC P0970 (29): Problem in A/T Clutch Pressure Control Solenoid Valve C Circuit (A/T): Notes

Fig 1: Problem In A/T Clutch Pressure Control Solenoid Valve C Circuit Diagram
G04817113
Fig 2: Sensing Current Graph
G04816870