LEMON Manuals: Even more car manuals for everyone: 1960-2025
Home >> Honda >> 2008 >> Fit Base, Automatic >> Repair and Diagnosis (Single Page) >> Engine Performance >> System >> Fuel And Emissions Systems >> System Description >> Electronic Control System >> ECM/PCM Electrical Connections
April 5, 2026: LEMON Manuals is launched! Read the announcement.

ECM/PCM Electrical Connections

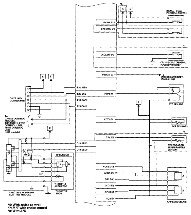
Fig 1: ECM/PCM Circuit Diagram (1 Of 5)
G05454432Courtesy of AMERICAN HONDA MOTOR CO., INC.
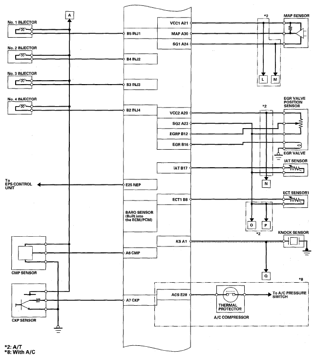
Fig 2: ECM/PCM Circuit Diagram (2 Of 5)
G05454433Courtesy of AMERICAN HONDA MOTOR CO., INC.
Fig 3: ECM/PCM Circuit Diagram (3 Of 5)
G05454434Courtesy of AMERICAN HONDA MOTOR CO., INC.
Fig 4: ECM/PCM Circuit Diagram (4 Of 5)
G05454435Courtesy of AMERICAN HONDA MOTOR CO., INC.
Fig 5: ECM/PCM Circuit Diagram (5 Of 5)
G05454436Courtesy of AMERICAN HONDA MOTOR CO., INC.