LEMON Manuals: Even more car manuals for everyone: 1960-2025
Home >> Honda >> 2008 >> Fit Base, Automatic >> Repair and Diagnosis (Single Page) >> Engine Performance >> Testing & Diagnosis >> Advanced Diagnostics >> DTC P2552 (40): Throttle Actuator Control Module Relay Malfunction (A/T) >> Notes
April 5, 2026: LEMON Manuals is launched! Read the announcement.

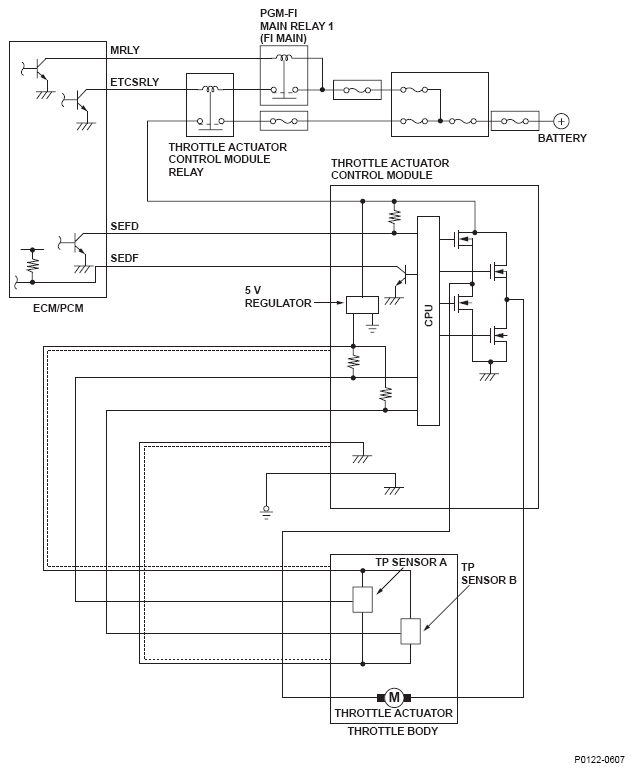
DTC P2552 (40): Throttle Actuator Control Module Relay Malfunction (A/T): Notes

Fig 1: Throttle Actuator Control Module Relay Malfunction Circuit Diagram
G05616528