LEMON Manuals: Even more car manuals for everyone: 1960-2025
Home >> Honda >> 2008 >> Odyssey V6-3.5L >> Repair and Diagnosis >> Diagrams >> Electrical Diagrams >> Memory Positioning Systems >> Driving Position Memory System (DPMS) Circuit Diagram
April 5, 2026: LEMON Manuals is launched! Read the announcement.

Driving Position Memory System (DPMS) Circuit Diagram

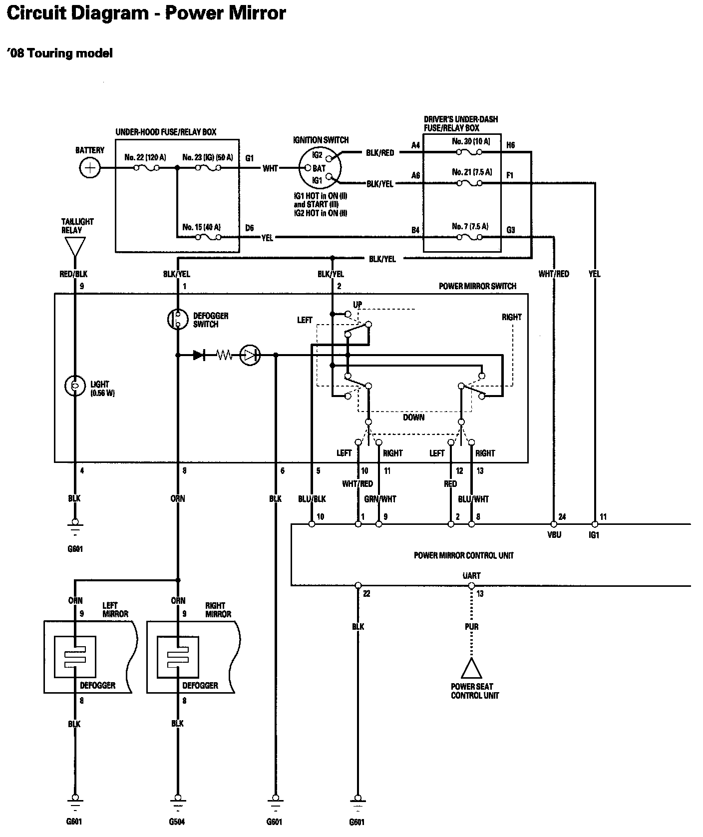
Driving Position Memory Systems (DPMS) Circuit Diagram (Part 1):



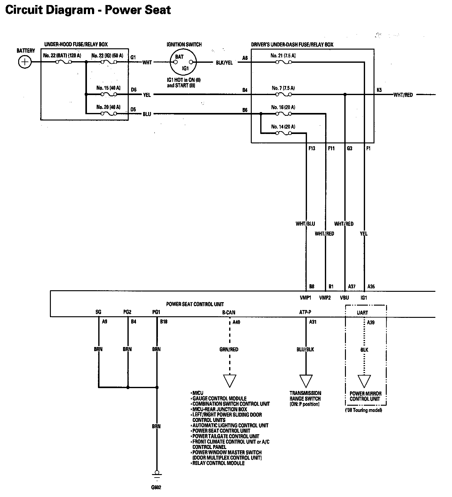
Driving Position Memory Systems (DPMS) Circuit Diagram (Part 2):



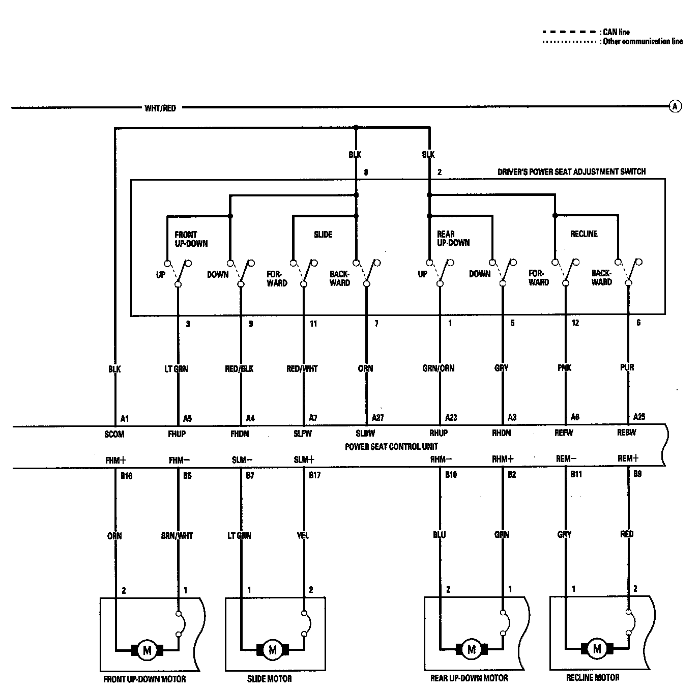
Driving Position Memory Systems (DPMS) Circuit Diagram (Part 3):



Driving Position Memory Systems (DPMS) Circuit Diagram (Part 4):



Driving Position Memory Systems (DPMS) Circuit Diagram (Part 5):