LEMON Manuals: Even more car manuals for everyone: 1960-2025
Home >> Honda >> 2008 >> Pilot 4WD V6-3.5L >> Repair and Diagnosis >> Diagrams >> Electrical Diagrams >> Powertrain Management >> System Diagram >> Control Module Circuit Diagram >> PCM Circuit Diagram
April 5, 2026: LEMON Manuals is launched! Read the announcement.

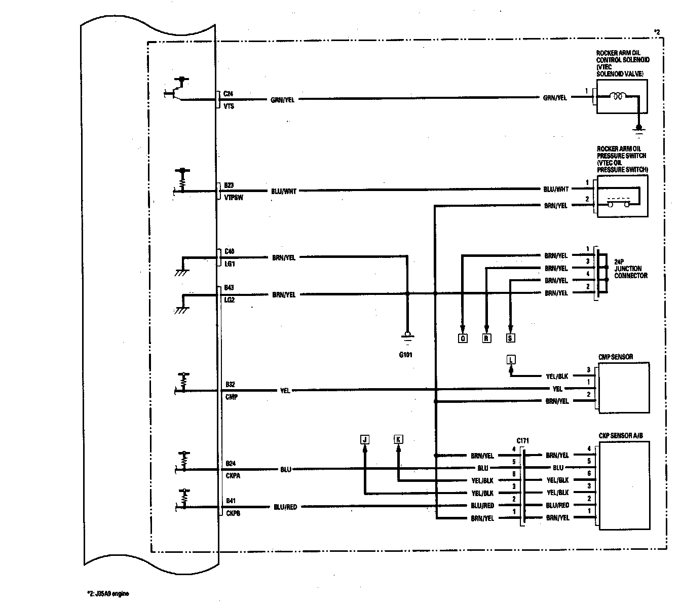
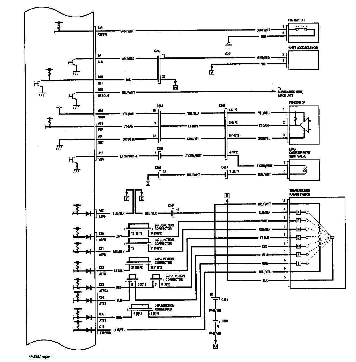
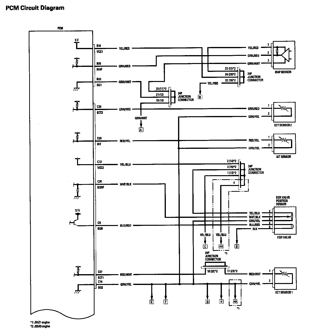
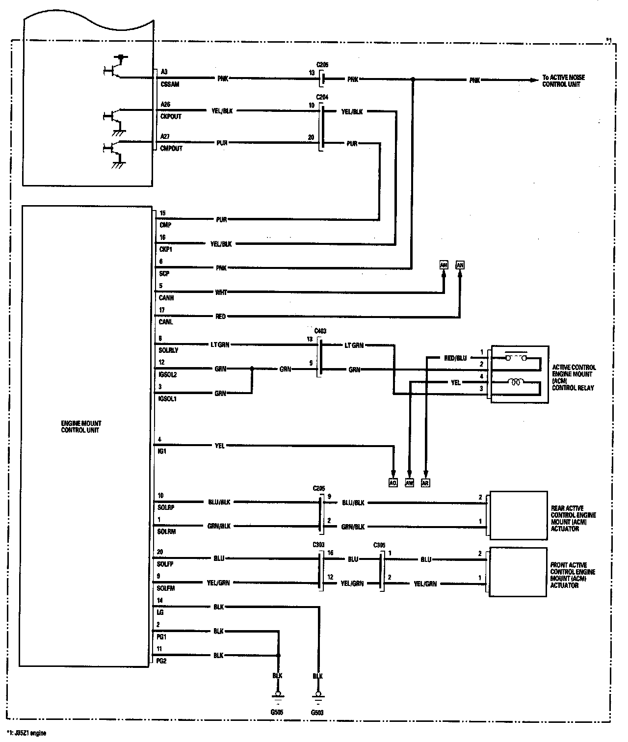
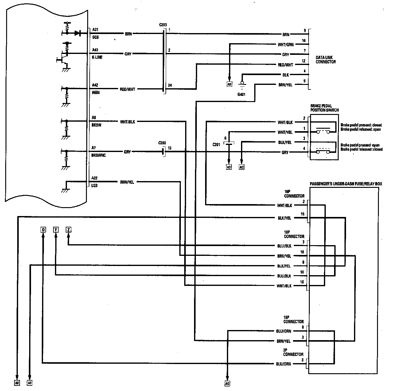
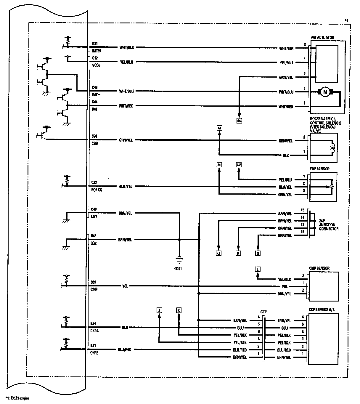
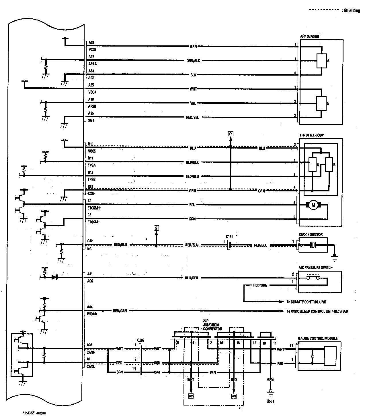
PCM Circuit Diagram

PCM Circuit Diagram Part 1:



PCM Circuit Diagram Part 2:



PCM Circuit Diagram Part 3:



PCM Circuit Diagram Part 4:



PCM Circuit Diagram Part 5:



PCM Circuit Diagram Part 6:



PCM Circuit Diagram Part 7:



PCM Circuit Diagram Part 8:



PCM Circuit Diagram Part 9:



PCM Circuit Diagram Part 10:



PCM Circuit Diagram Part 11:



PCM Circuit Diagram Part 12:



PCM Circuit Diagram Part 13: