LEMON Manuals: Even more car manuals for everyone: 1960-2025
Home >> Honda >> 2008 >> S2000 CR >> Repair and Diagnosis (Single Page) >> Engine Performance >> Testing & Diagnosis >> Advanced Diagnostics >> DTC P2552: Throttle Actuator Control Module Relay Malfunction >> Notes
April 5, 2026: LEMON Manuals is launched! Read the announcement.

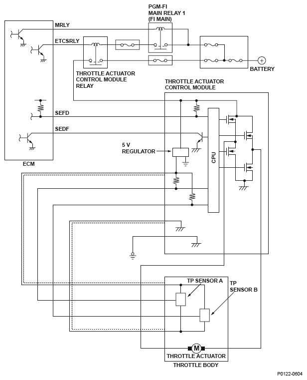
DTC P2552: Throttle Actuator Control Module Relay Malfunction: Notes

Fig 1: Throttle Position (TP) Sensor A - Circuit Diagram
G04817958