LEMON Manuals: Even more car manuals for everyone: 1960-2025
Home >> Honda >> 2008 >> S2000 L4-2.2L >> Repair and Diagnosis >> Diagrams >> Electrical Diagrams >> Powertrain Management >> System Diagram >> Control Module Circuit Diagrams >> ECM Circuit Diagrams
April 5, 2026: LEMON Manuals is launched! Read the announcement.

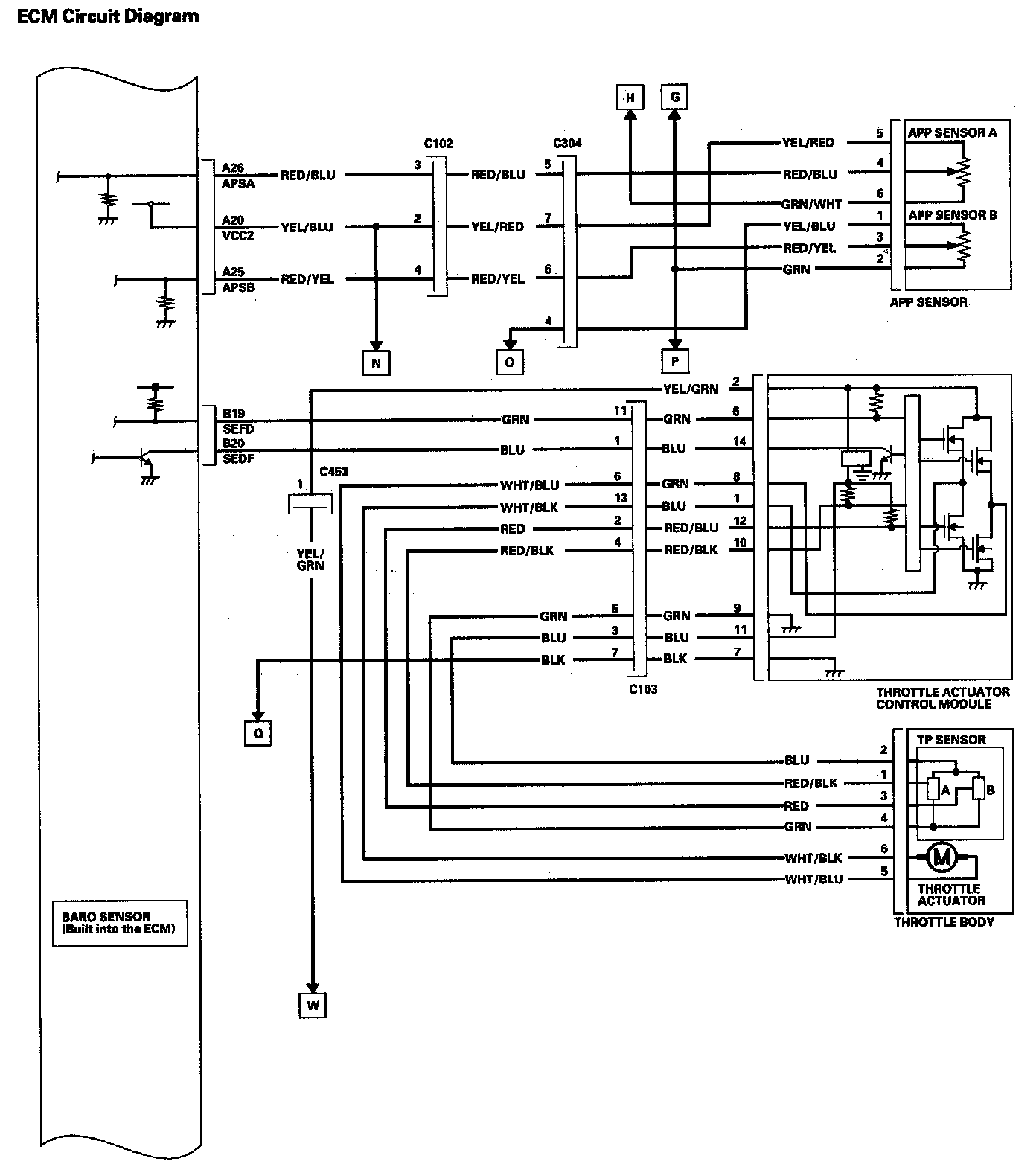
ECM Circuit Diagrams

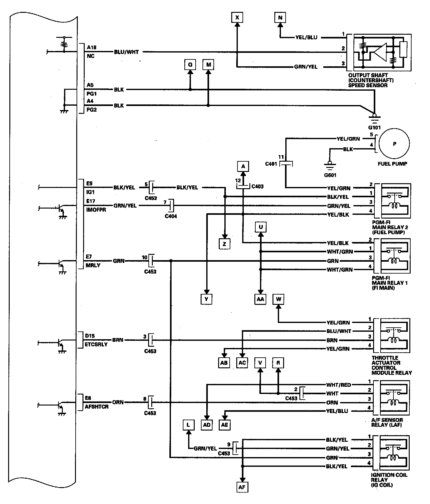
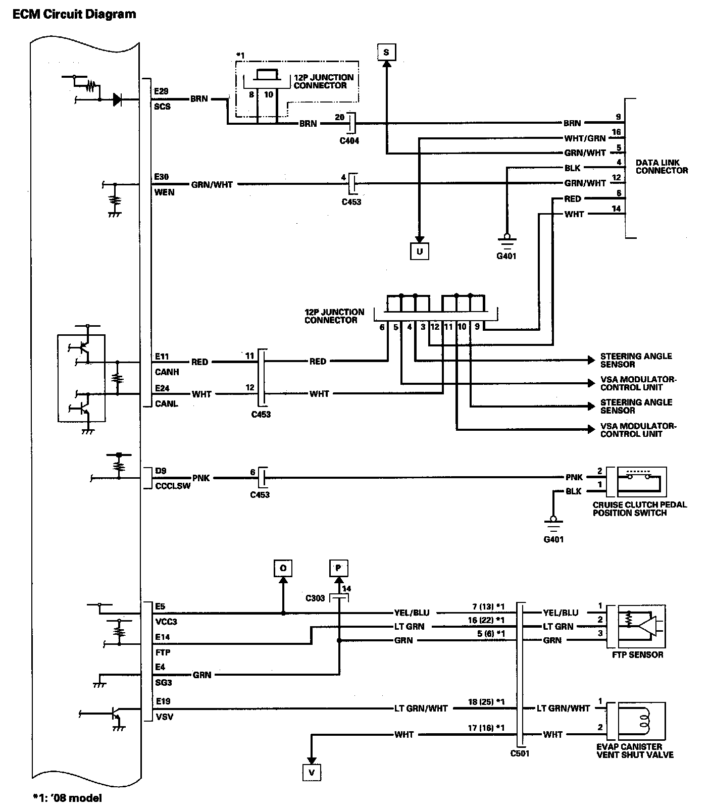
ECM Circuit Diagram (Part 1):



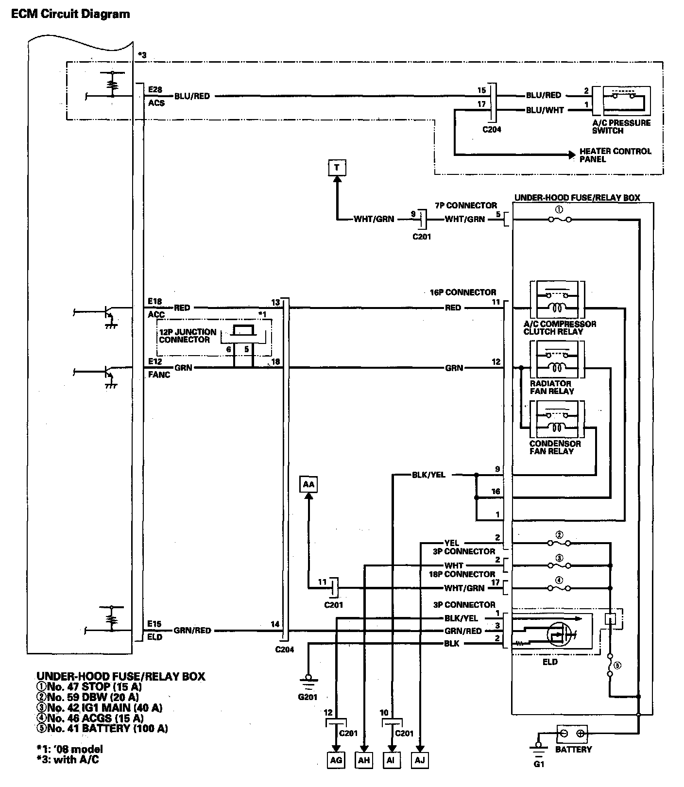
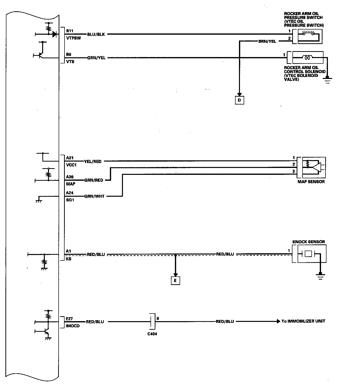
ECM Circuit Diagram (Part 2):



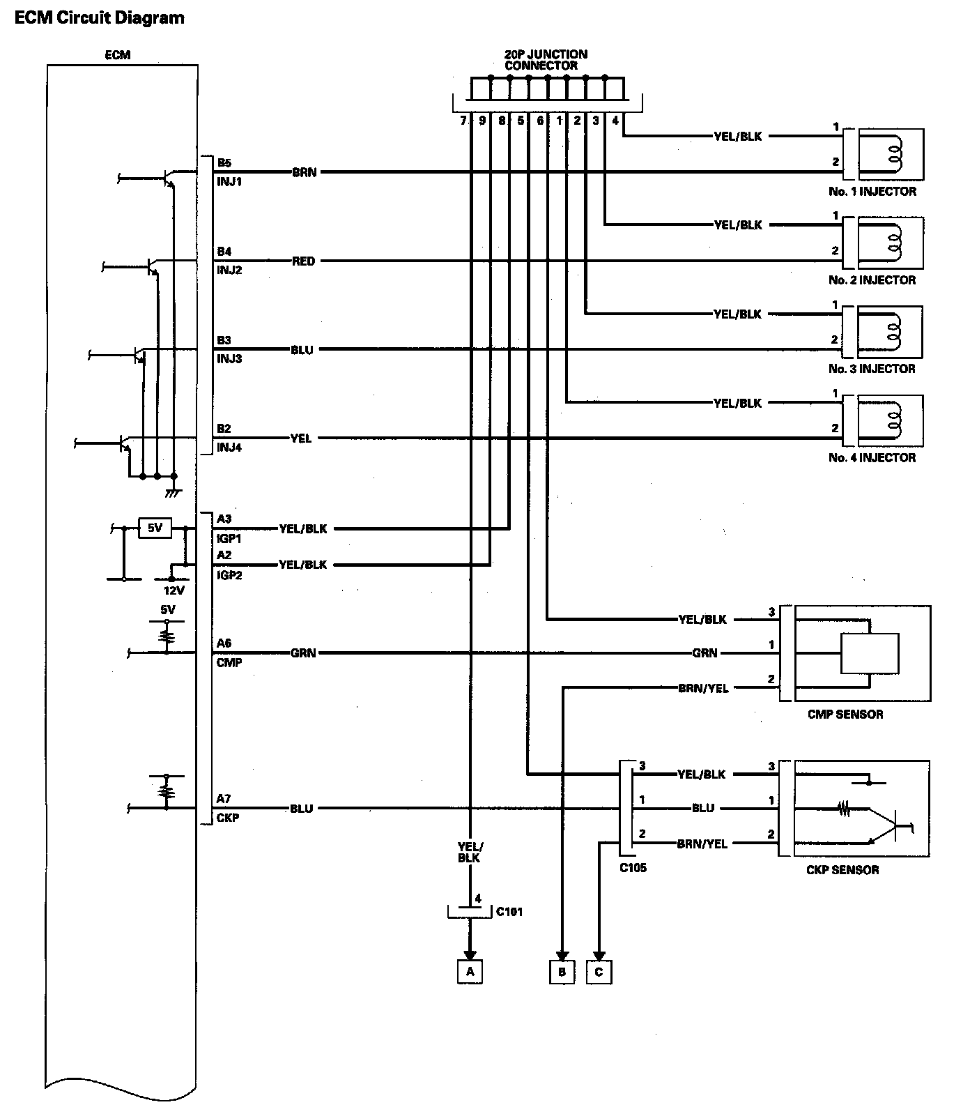
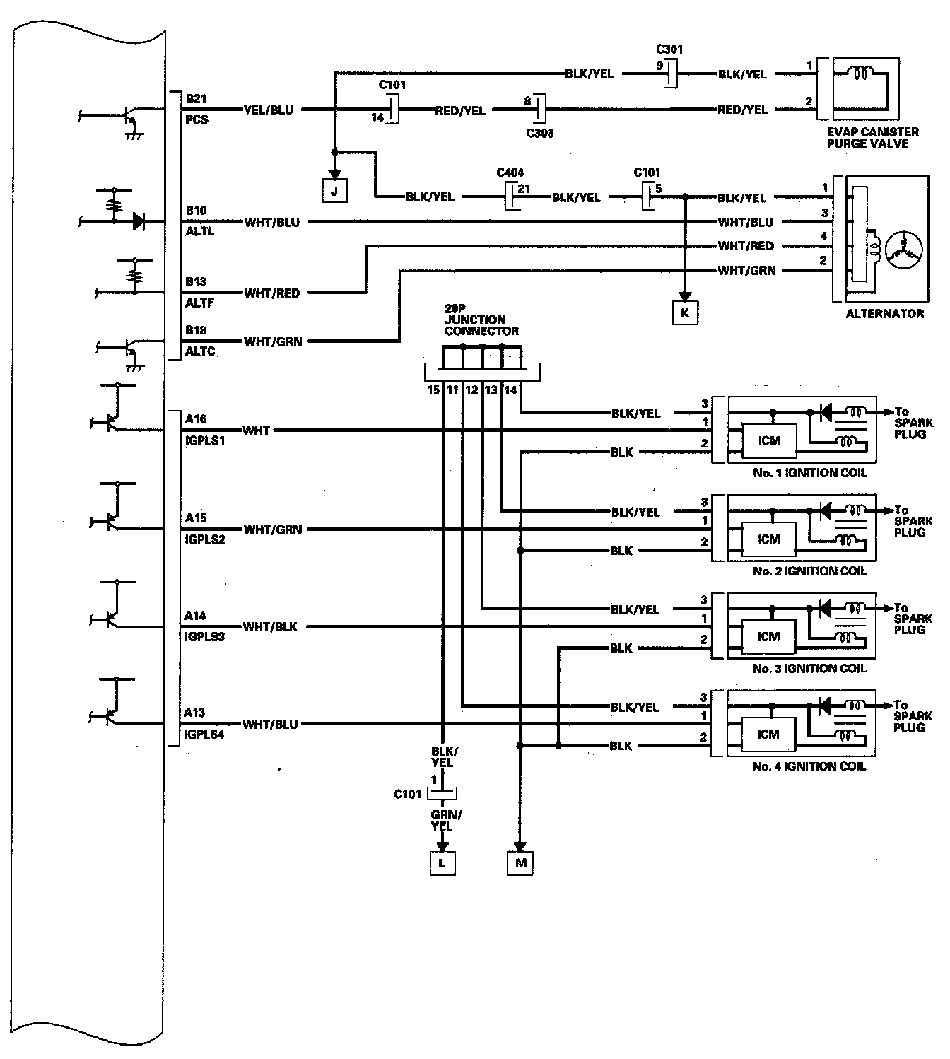
ECM Circuit Diagram (Part 3):



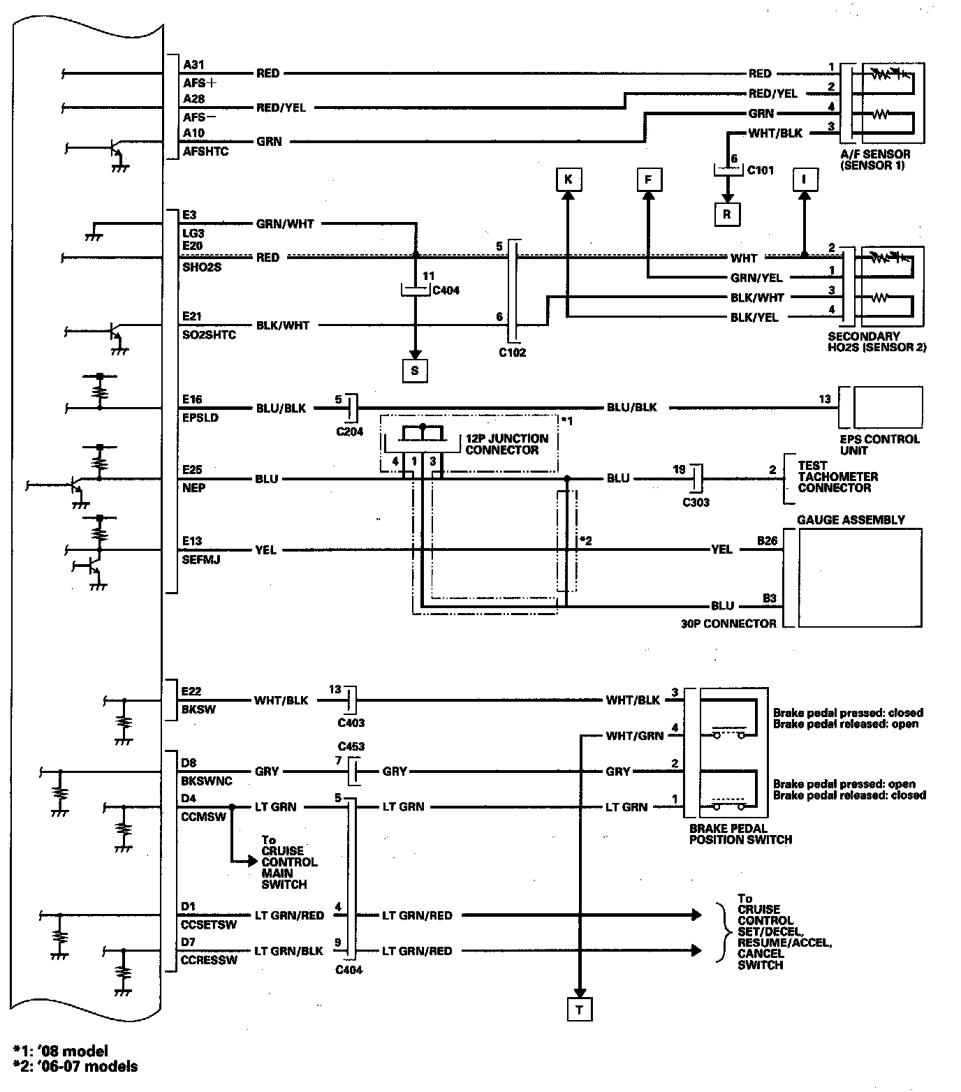
ECM Circuit Diagram (Part 4):



ECM Circuit Diagram (Part 5):



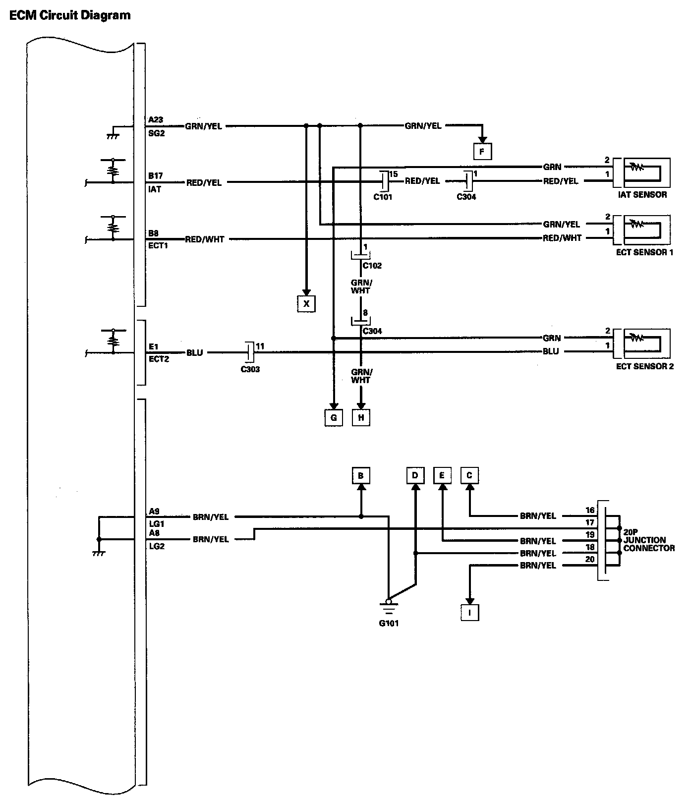
ECM Circuit Diagram (Part 6):



ECM Circuit Diagram (Part 7):



ECM Circuit Diagram (Part 8):



ECM Circuit Diagram (Part 9):



ECM Circuit Diagram (Part 10):