LEMON Manuals: Even more car manuals for everyone: 1960-2025
Home >> Honda >> 2008 >> S2000 L4-2.2L >> Repair and Diagnosis >> Diagrams >> Electrical Diagrams >> Powertrain Management >> System Diagram >> Control Module Circuit Diagrams >> ECM Electrical Connections
April 5, 2026: LEMON Manuals is launched! Read the announcement.

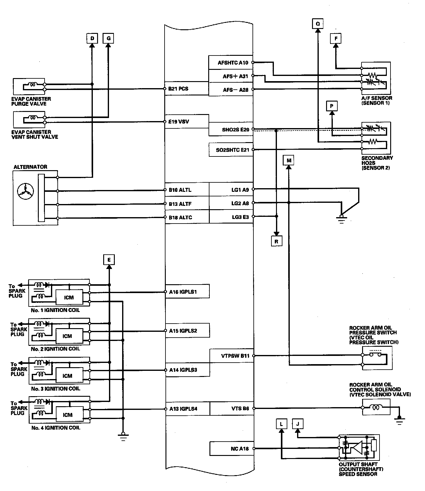
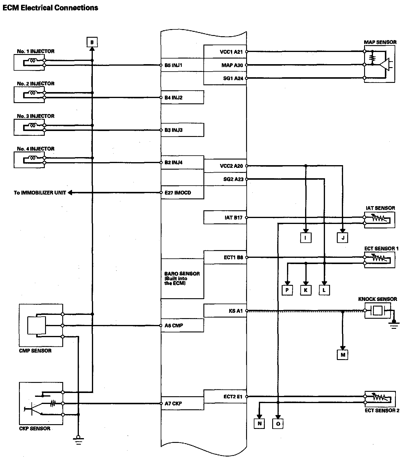
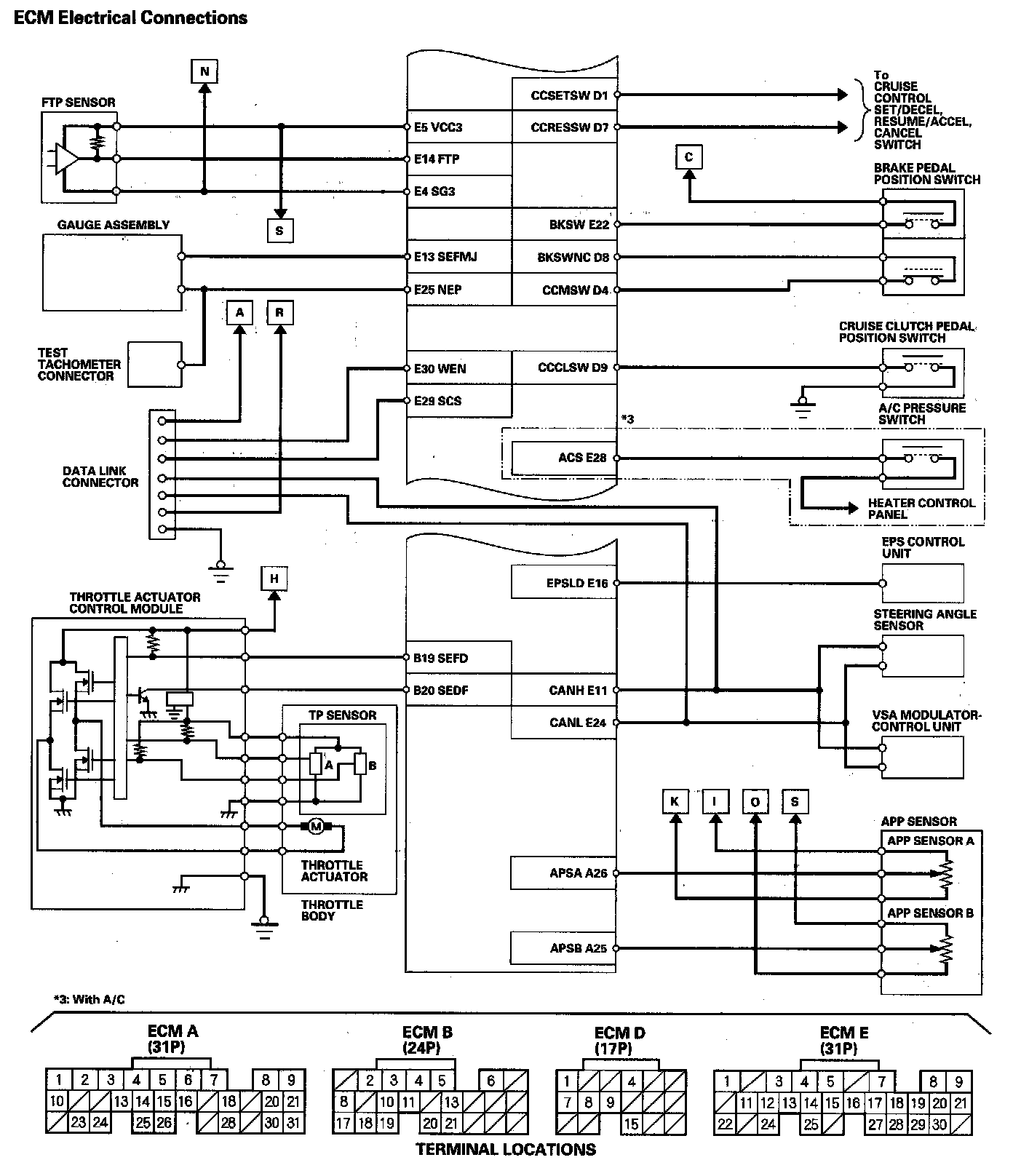
ECM Electrical Connections

ECM Electrical Connections (Part 1):



ECM Electrical Connections (Part 2):



ECM Electrical Connections (Part 3):



ECM Electrical Connections (Part 4):