LEMON Manuals: Even more car manuals for everyone: 1960-2025
Home >> Honda >> 2008 >> S2000 L4-2.2L >> Repair and Diagnosis >> Powertrain Management >> Computers and Control Systems >> Description and Operation >> Electronic Throttle Control System
April 5, 2026: LEMON Manuals is launched! Read the announcement.

Electronic Throttle Control System




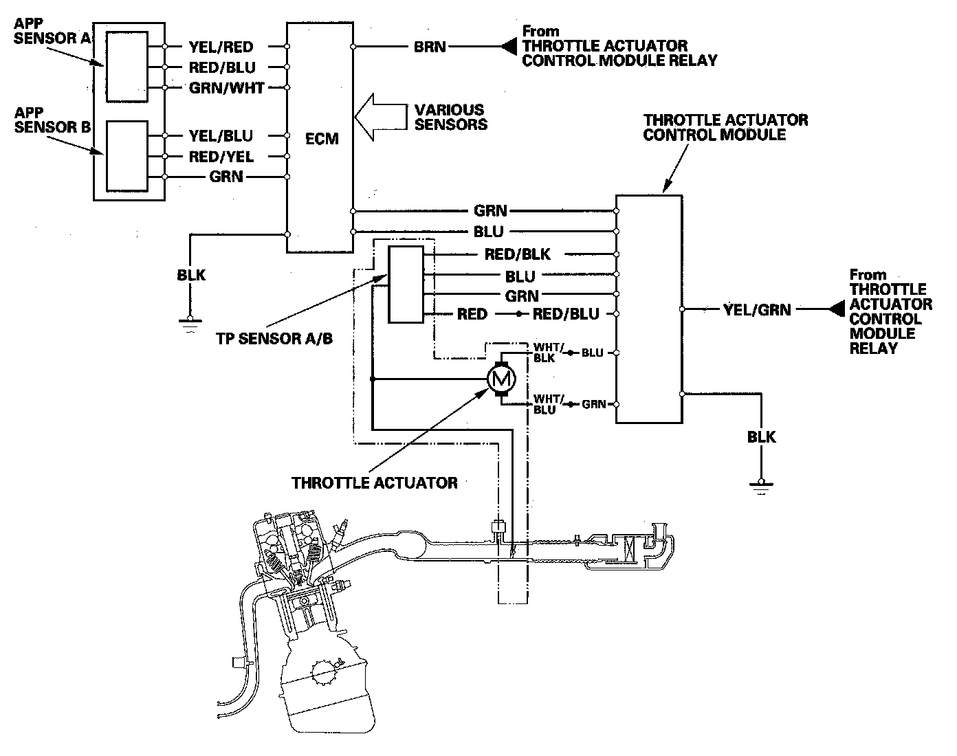
Electronic Throttle Control System Diagram
The electronic throttle control system consists of the throttle actuator, throttle position (TP) sensor A/B, accelerator pedal position (APP) sensor A/B, the throttle actuator control module, and the ECM.