LEMON Manuals: Even more car manuals for everyone: 1960-2025
Home >> Honda >> 2008 >> S2000 L4-2.2L >> Repair and Diagnosis >> Relays and Modules >> Relays and Modules - Restraints and Safety Systems >> Air Bag Control Module >> Service and Repair >> Passenger's Weight Sensor Unit Replacement
April 5, 2026: LEMON Manuals is launched! Read the announcement.

Passenger's Weight Sensor Unit Replacement

Passenger's Weight Sensor Unit Replacement

Removal ('06-08 Models)

NOTE: Review the seat replacement procedure before performing repair or service.

1. Slide the seat all the way to the rear.
2. Disconnect the negative cable from the battery, then wait for 3 minutes before starting work.
3. Disconnect the passenger's airbag 4P connector.
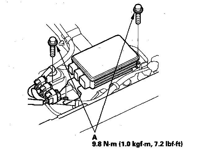
4. Disconnect the connectors. Remove the mounting bolts (A) and the passenger's weight sensor unit (B) from the seat riser.






Installation

NOTE: Be sure to install the harness wires so they are not pinched or interfering with other parts.

1. Place the passenger's weight sensor unit on the seat riser. Tighten the two mounting bolts (A) and connect the connectors.






2. Reconnect the passenger's airbag 4P connector.
3. Reconnect the negative cable to the battery.
4. Calibrate the passenger's weight sensor unit.
5. After installing the passenger's weight sensor unit, confirm proper system operation: Turn the ignition switch ON (II); the SRS indicator should come on for about 6 seconds and then go off.