LEMON Manuals: Even more car manuals for everyone: 1960-2025
Home >> Honda >> 2009 >> Accord L4-2.4L >> Repair and Diagnosis >> Powertrain Management >> Computers and Control Systems >> Description and Operation
April 5, 2026: LEMON Manuals is launched! Read the announcement.

Computers and Control Systems: Description and Operation




Fuel and Emissions System Description

Electronic Control System

The functions of the fuel and emission control systems are managed by the engine control module (ECM) on vehicles with manual transmissions or the powertrain control module (PCM) on vehicles with automatic transmissions.

Self-diagnosis

The ECM/PCM detects the failure of a signal from a sensor or from another control unit and stores a Temporary DTC or a DTC. Depending on the failure, a DTC is stored in either the first or the second drive cycle. When a DTC is stored, the ECM/PCM turns on the malfunction indicator lamp (MIL) by a signal sent to the gauge via F-CAN.

- One Drive Cycle Detection Method
When an abnormality occurs in the signal from a sensor or from another control unit, the ECM/PCM stores a DTC and turns on the MIL immediately.

- Two Drive Cycle Detection Method
When an abnormality occurs in the signal from a sensor or from another control unit in the first drive cycle, the ECM/PCM stores a Temporary DTC. The MIL does not come on at this time. If the failure continues in the second drive cycle, the ECM/PCM stores a DTC and turns on the MIL.

Fail-safe Function

When an abnormality occurs in the signal from a sensor or from another control unit, the ECM/PCM ignores that signal and substitutes a pre-programmed value for them that allows the engine to continue running. This causes a DTC to be stored and the MIL to come on.

MIL Bulb Check and Readiness Code Condition

When the ignition switch is turned to ON (II), the ECM/PCM turns on the MIL via the F-CAN circuit for about 15 to 20 seconds to check the bulb condition. If any readiness codes are not set to complete, the MIL flashes five times. If all readiness codes are set to complete, the MIL goes off.

Self Shut Down (SSD) Mode

After the ignition switch is turned to LOCK (0), the ECM/PCM stays on (about 40 minutes). If the ECM/PCM connector is disconnected during this time, the ECM/PCM may be damaged. To cancel this mode, disconnect the negative cable from the battery or jump the SCS line with the HDS after the ignition switch is turned to LOCK (0).

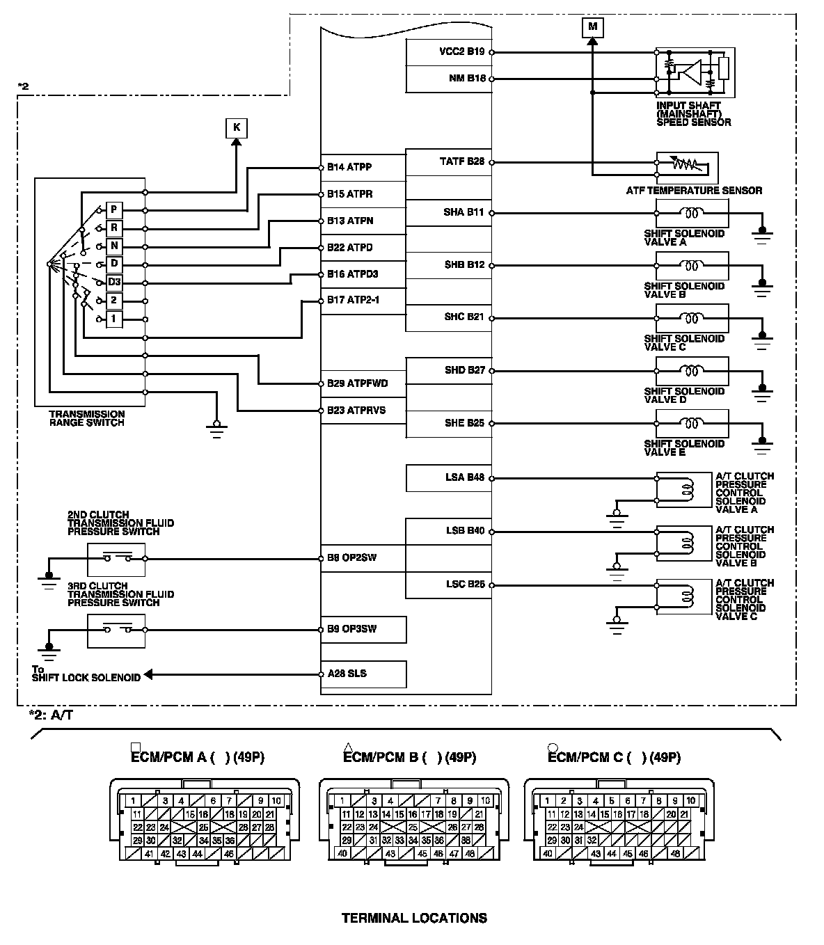
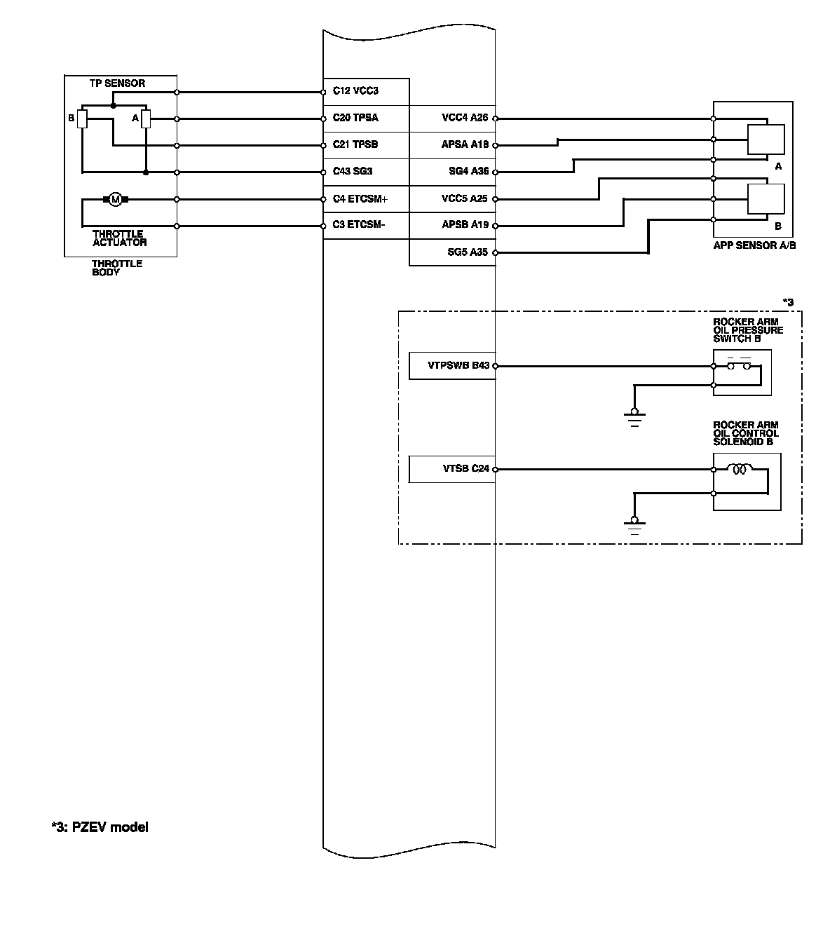
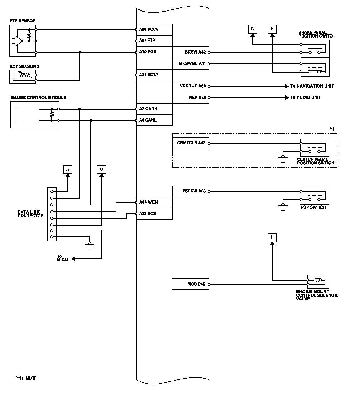
ECM/PCM Electrical Connections









ECM/PCM Electrical Connections (cont'd)









ECM/PCM Electrical Connections (cont'd)









Vacuum Hose Routing





Vacuum Distribution





ECM/PCM Inputs and Outputs at Connector A (square) (49P)





NOTE: Standard battery voltage is about 12 V.





*1: A/T

ECM/PCM Inputs and Outputs at Connector A (square) (49P)





NOTE: Standard battery voltage is about 12 V.





ECM/PCM Inputs and Outputs at Connector A (square) (49P)





NOTE: Standard battery voltage is about 12 V.





*1: A/T

ECM/PCM Inputs and Outputs at Connector A (square) (49P)





NOTE: Standard battery voltage is about 12 V.





ECM/PCM Inputs and Outputs at Connector B (triangle) (49P)





NOTE: Standard battery voltage is about 12 V.









*1: A/T

ECM/PCM Inputs and Outputs at Connector B (triangle) (49P)





NOTE: Standard battery voltage is about 12 V.





*1: A/T

ECM/PCM Inputs and Outputs at Connector B (triangle) (49P)





NOTE: Standard battery voltage is about 12 V.





*1: A/T

*2: PZEV model

ECM/PCM Inputs and Outputs at Connector C (circle) (49P)





NOTE: Standard battery voltage is about 12 V.









ECM/PCM Inputs and Outputs at Connector C (circle) (49P)





NOTE: Standard battery voltage is about 12 V.





*2: PZEV model

PGM-FI System

The programmed fuel injection (PGM-FI) system is a sequential multiport fuel injection system.

Air Conditioning (A/C) Compressor Clutch Relay

When the ECM/PCM receives a demand for cooling from the A/C system, it delays the compressor from being energized, and enriches the mixture to assure smooth transition to the A/C mode.

Air Fuel Ratio (A/F) Sensor

The A/F sensor operates over a wide air/fuel range. The A/F sensor is installed upstream of the WU-TWC, and sends signals to the ECM/PCM which varies the duration of fuel injection accordingly.






Barometric Pressure (BARO) Sensor

The BARO sensor is inside the ECM/PCM. It converts atmospheric pressure into a voltage signal that modifies the basic duration of the fuel injection discharge.

Camshaft Position (CMP) Sensor B

CMP sensor B detects the position of the No. 1 cylinder as a reference for sequential fuel injection to each cylinder.






Crankshaft Position (CKP) Sensor

The CKP sensor detects crankshaft speed and is used by the ECM/PCM to determine ignition timing, timing for the fuel injection of each cylinder, and engine misfire detection.






Engine Coolant Temperature (ECT) Sensors 1 and 2

ECT sensors 1 and 2 are temperature dependent resistors (thermistors). The resistance decreases as the engine coolant temperature increases.






Ignition Timing Control

The ECM/PCM contains the memory for basic ignition timing at various engine speeds and manifold absolute pressures. It also adjusts the timing according to engine coolant temperature and intake air temperature.

Injector Timing and Duration

The ECM/PCM contains the memory for basic discharge duration at various engine speeds and manifold pressures. The basic discharge duration, after being read out from the memory, is further modified by signals sent from various sensors to obtain the final discharge duration.

By monitoring long term fuel trim, the ECM/PCM can detect long term malfunctions in the fuel system and set DTCs (diagnostic trouble codes) if needed.

Knock Sensor

The knock control system adjusts the ignition timing to minimize knock.






Manifold Absolute Pressure (MAP) Sensor

The MAP sensor converts manifold absolute pressures into electrical signals to the ECM/PCM.






Malfunction Indicator Lamp (MIL) Indication (In relation to Readiness Codes)

The vehicle has certain readiness codes that are part of the on-board diagnostics for the emissions systems. If the vehicle's battery has been disconnected or gone dead, if DTCs have been cleared, or if the ECM/PCM has been reset, these codes are reset. In some states, part of the emissions testing is to make sure these codes are set to complete. If all of them are not set to complete, the vehicle may fail the test, or the test cannot be finished.

To check if the readiness codes are set to complete, turn the ignition switch to ON (II), but do not start the engine. The MIL will come on for 15-20 seconds. If it then goes off, the readiness codes are complete. If it flashes five times, one or more readiness codes are not complete. To set each code, drive the vehicle or run the engine as described in the procedures. Monitors, Trips, Drive Cycles and Readiness Codes

Mass Air Flow (MAF) Sensor/Intake Air Temperature (IAT) Sensor

The mass air flow (MAF) sensor/intake air temperature (IAT) sensor contains a hot wire sensor, a cold wire sensor, and a thermistor. It is located in the intake air passage. The resistance of the hot wire sensor, the cold wire sensor, and the thermistor changes due to intake air temperature and air flow. The control circuit in the MAF sensor controls the current to keep the hot wire at a set temperature. The current is converted to voltage in the control circuit, then output to the ECM/PCM.






Output Shaft (Countershaft) Speed Sensor

This sensor detects countershaft speed.






Secondary Heated Oxygen Sensor (Secondary HO2S)

The secondary HO2S detects the oxygen content in the exhaust gas downstream of the warm up three way catalytic converter (WU-TWC), and sends signals to the ECM/PCM which varies the duration of fuel injection accordingly. To stabilize its output, the sensor has an internal heater. The ECM/PCM compares the HO2S output with the A/F sensor output to determine catalyst efficiency. The secondary HO2S is installed downstream of the WU-TWC.






Electronic Throttle Control System

The throttle is electronically controlled by the electronic throttle control system. Refer to the system diagram to see a functional layout of the system.

Idle control: When the engine is idling, the ECM/PCM controls the throttle actuator to maintain the proper idle speed according to engine loads.

Acceleration control: When the accelerator pedal is pressed, the ECM/PCM opens the throttle valve depending on the accelerator pedal position (APP) sensor signal.

Cruise control: The ECM/PCM controls the throttle actuator to maintain set speed when the cruise control is operating. The throttle actuator takes the place of the cruise control actuator.

Accelerator Pedal Position (APP) Sensor

As the accelerator pedal position changes, the sensor varies the signal voltage to the ECM/PCM.

Throttle Body

The throttle body is a single-barrel side draft type. The lower portion of the throttle valve is heated by engine coolant from the cylinder head to prevent icing of the throttle plate.

Idle Control System

When the engine is cold, the A/C compressor is on, the transmission is in gear, the brake pedal is pressed, the power steering load is high, or the alternator is charging, the ECM/PCM controls current to the throttle actuator to maintain the correct idle speed.

Brake Pedal Position Switch

The brake pedal position switch signals the ECM/PCM when the brake pedal is pressed.

Power Steering Pressure (PSP) Switch

The PSP switch signals the ECM/PCM when the power steering load is high.

Fuel Supply System

Fuel Cutoff Control

During deceleration with the throttle valve closed, current to the injectors is cut off to improve fuel economy at engine speeds over 850 rpm (A/T) or 1,000 rpm (M/T). Fuel cutoff also occurs when the engine speed exceeds 7,000 rpm (LX) or 7,300 rpm (EX), regardless of the position of the throttle valve, to protect the engine from over-revving. When the vehicle is stopped, the ECM/PCM cuts the fuel at engine speeds over 5,000 rpm (A/T), 7,000 rpm (LX M/T), or 7,100 rpm (EX M/T). The engine speed of fuel cut is lower on a cold engine.

Fuel Pump Control

When the ignition switch is turned to ON (II), the ECM/PCM grounds PGM-FI main relay 2 (FUEL PUMP) which feeds current to the fuel pump for 2 seconds to pressurize the fuel system. With the engine running, the ECM/PCM grounds PGM-FI main relay 2 (FUEL PUMP) and feeds current to the fuel pump. When the engine is not running and the ignition is ON (II), the ECM/PCM cuts ground to PGM-FI main relay 2 (FUEL PUMP) which cuts current to the fuel pump.

PGM-FI Main Relay 1 and 2

PGM-FI main relay 1 is energized whenever the ignition switch is ON (II) to supply battery voltage to the ECM/PCM, power to the injectors, and power for PGM-FI main relay 2 (FUEL PUMP). PGM-FI main relay 2 (FUEL PUMP) is energized to supply power to the fuel pump for 2 seconds when the ignition switch is turned to ON (II), and when the engine is cranking or running.

i-VTEC

- The i-VTEC system has a variable valve timing control (VTC) mechanism on the intake camshaft in addition to the usual VTEC.
This system improves fuel efficiency and reduces exhaust emissions at all levels of engine speed, vehicle speed, and engine load.

- The VTEC system changes the intake valve lift and timing by using more than one cam profile.

- PZEV model: The VTEC system pauses one side of the exhaust valves in addition to changing the intake valve lift and timing.

- The VTC system changes the phase of the intake camshaft via oil pressure. It changes the intake valve timing continuously.





VTC System

- The VTC system makes continuous intake valve timing changes based on operating conditions.

- Intake valve timing is optimized to allow the engine to produce maximum power.

- Cam angle is advanced to obtain the EGR effect and reduce pumping loss. The intake valve is closed quickly to reduce the entry of the air/fuel mixture into the intake port and improve the charging effect.

- The system reduces the cam advance at idle, stabilizes combustion, and reduces engine speed.

- If a malfunction occurs, the VTC system control is disabled and the valve timing is fixed at the fully retarded position.

VTC System Diagram

The VTC oil control solenoid valve controls oil pressure to the advance chamber/retard chamber of the VTC actuator according to a signal from the ECM/PCM. When the VTC actuator vanes rotate to the advance or retard position, the intake camshaft timing is changed.

CMP sensor A detects the intake camshaft angle and sends the information to the ECM/PCM. The ECM/PCM controls the VTC oil control solenoid valve as the intake camshaft angle changes.

VTEC System

Intake valve side (All models)

- The VTEC system changes the cam profile to correspond to engine speed. It maximizes torque at low engine speed and output at high engine speed.

- The low lift cam is used at low engine speeds, and the high lift cam is used at high engine speeds.

- The rocker arm oil control solenoid (rocker arm oil control solenoid A) switches the intake valve side of the VTEC system on and off; the solenoid is controlled by the ECM/PCM.

- The rocker arm oil pressure switch (rocker arm oil pressure switch A) detects VTEC system oil pressure (intake valve side) and sends this information to the ECM/PCM.

Exhaust valve side (PZEV model)

- The VTEC system switches the operation of one of the exhaust valves to pause and lift the valve.

- At idle and low engine speed, one side of the exhaust valves is paused, and the valve lifts when the engine speed goes up.

- The system reduces hydrocarbons (HC) exhaust emissions at low engine speed.

- Rocker arm oil control solenoid B switches the exhaust valve side of the VTEC system on and off; the solenoid is controlled by the PCM.

- Rocker arm oil pressure switch B detects the VTEC system oil pressure (exhaust valve side), and sends this information to the PCM.

All models except PZEV (Intake valve VTEC)





PZEV model (Intake and exhaust valve VTEC)





VTEC System Operation

Intake valve side

At low engine speed, the rocker arm oil control solenoid (rocker arm oil control solenoid A) is turned off by the ECM/PCM. Oil pressure from the rocker arm oil control valve does not enter the intake rocker shaft. Each intake rocker arm is separated by a return spring and lifted by each low lift cam lobe.

At high engine speed, the rocker arm oil control solenoid (rocker arm oil control solenoid A) is turned on by the ECM/PCM. Oil pressure from the rocker arm control solenoid enters into the primary intake rocker arm via the intake rocker shaft, and it moves the VTEC switching piston in the rocker arm.

This causes the VTEC switching piston to slide into the intake mid rocker arm and the intake secondary rocker arm, locking the rocker arms together. Both intake rocker arms are lifted by the high lift cam lobe.

Exhaust valve side (PZEV model)

At idle and low engine speed, rocker arm oil control solenoid B is turned off by the PCM. Oil pressure from the rocker arm oil control valve does not enter the exhaust rocker shaft. Each exhaust rocker arm is separated by a return spring, and lifted by a timing cam lobe. The exhaust primary rocker arm is moved by the normal lift cam lobe (valve active), and the exhaust secondary rocker arm is moved by the no lift cam lobe (valve pause).

When the engine speed reaches 2,500 rpm or more, rocker arm oil control solenoid B is turned on by the PCM. Oil pressure from the rocker arm oil control solenoid enters into the primary exhaust rocker arm via the exhaust rocker shaft, and it moves the VTEC switching piston in the rocker arm. This causes the VTEC switching piston to slide into the exhaust secondary rocker arm, locking the exhaust rocker arms together. Both exhaust rocker arms are moved by the normal lift cam lobe (valve active).

Catalytic Converter System

Warm Up Three Way Catalytic Converter (WU-TWC) and Under-floor Three Way Catalytic Converter (Under-floor TWC)

The WU-TWC/Under-floor TWC converts hydrocarbons (HC), carbon monoxide (CO), and oxides of nitrogen (NOx) in the exhaust gas to carbon dioxide (CO2), nitrogen (N2), and water vapor.

Positive Crankcase Ventilation (PCV) System

The PCV valve prevents blow-by gasses from escaping into the atmosphere by venting them into the intake manifold.

Evaporative Emission (EVAP) Control System

Refer to the system diagram to see a functional layout of the system.

EVAP Canister

The EVAP canister temporarily stores fuel vapor from the fuel tank until it can be purged back into the engine and burned.

EVAP Canister Purge Valve

When the engine coolant temperature is below 131 °F (55 °C), the ECM/PCM turns off the EVAP canister purge valve which cuts vacuum to the EVAP canister.

Fuel Tank Pressure (FTP) Sensor

The FTP sensor converts fuel tank absolute pressure into an electrical input to the ECM/PCM.

EVAP Canister Vent Shut Valve

The EVAP canister vent shut valve is on the EVAP canister.

The EVAP canister vent shut valve controls the venting of the EVAP canister.

Fuel Cap Warning Message

The ECM/PCM will detect a loose or missing fuel fill cap as an evaporative system leak, and alerts the driver by showing a warning message in the gauge display.

The first time a leak is detected, a CHECK FUEL CAP message appears on the gauge display (A). To scroll to another message, press the select/reset button. The CHECK FUEL CAP message appears each time you restart the engine until the system turns the message off. Turn the engine off, then replace or tighten the fuel fill cap until it clicks at least once.

To make the message go off (with the HDS)

Procedure

1. Tighten the fuel fill cap until it clicks.

2. Clear the Temporary DTC with the HDS.

3. Verify there is no leak by doing the EVAP FUNCTION TEST in the INSPECTION MENU with the HDS.

To make the message go off (without the HDS)

Procedure

4. Tighten the fuel fill cap until it clicks.

5. Start the engine, then turn the ignition switch to LOCK (0).

6. Repeat step 2 two more times.

Electronic Throttle Control System Diagram

The electronic throttle control system consists of the throttle actuator, throttle position (TP) sensor A/B, accelerator pedal position (APP) sensor A/B, the electronic throttle control system (ETCS) control relay, and the ECM/PCM.

Evaporative Emission (EVAP) Control Diagram

The EVAP controls minimize the amount of fuel vapor escaping to the atmosphere. Vapor from the fuel tank is temporarily stored in the EVAP canister until it can be purged from the canister into the engine and burned.

The EVAP canister is purged by drawing fresh air through it and into a port on the intake manifold.

The purging vacuum is controlled by the EVAP canister purge valve, which operates whenever engine coolant temperature is above 131 °F (55 °C).

ECM/PCM Circuit Diagram