LEMON Manuals: Even more car manuals for everyone: 1960-2025
Home >> Honda >> 2009 >> CR-V EX, 2.4 RE3 >> Repair and Diagnosis >> Engine Performance >> System >> Fuel And Emissions Systems >> System Description >> Electronic Control Systems >> PCM Circuit Diagram
April 5, 2026: LEMON Manuals is launched! Read the announcement.

PCM Circuit Diagram

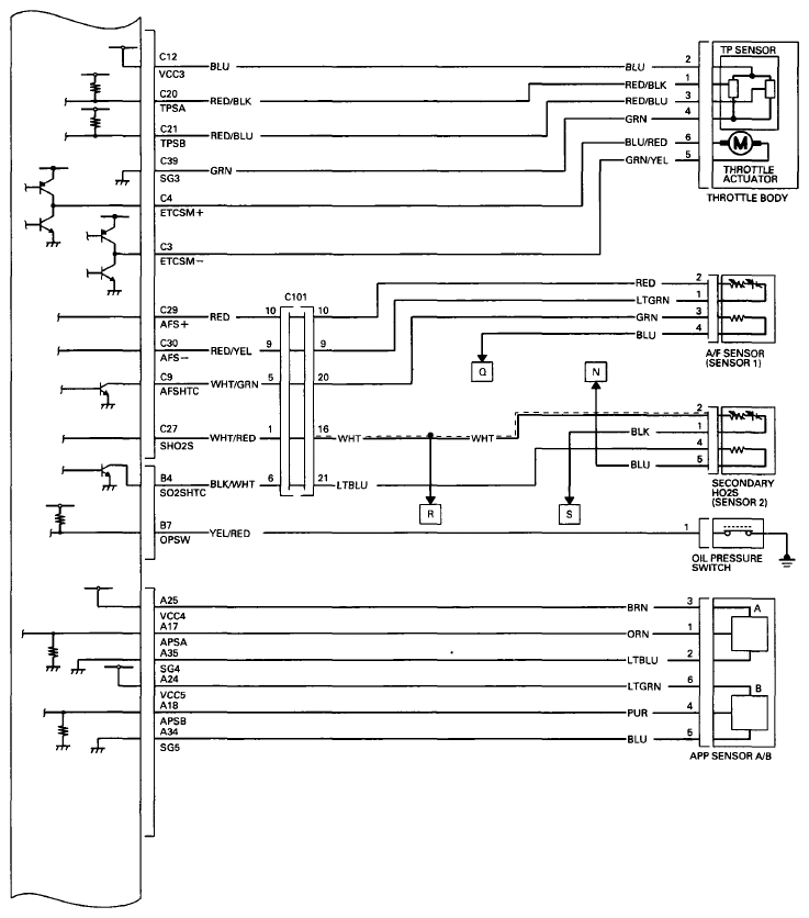
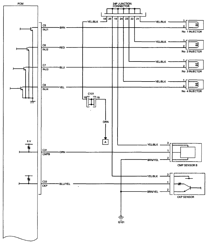
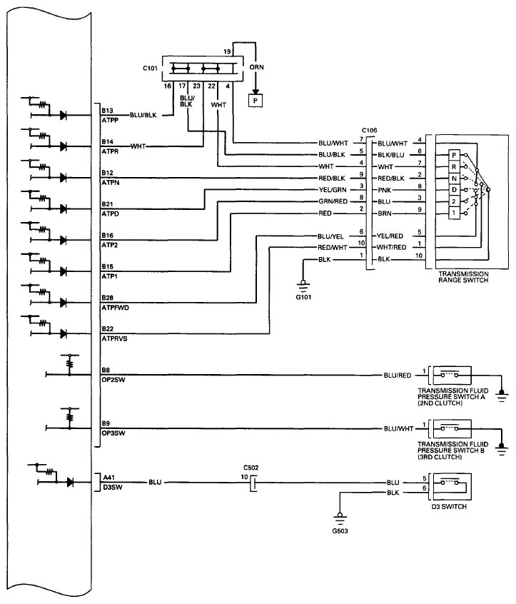
Fig 1: PCM Circuit Diagram (1 Of 11)
G06609732Courtesy of AMERICAN HONDA MOTOR CO., INC.
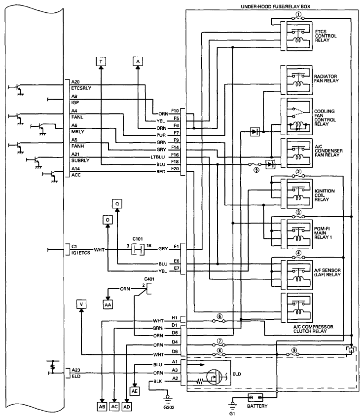
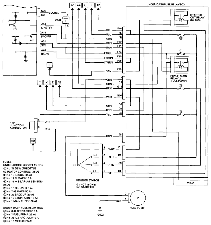
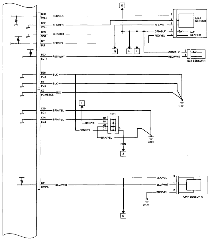
Fig 2: PCM Circuit Diagram (2 Of 11)
G06609733Courtesy of AMERICAN HONDA MOTOR CO., INC.
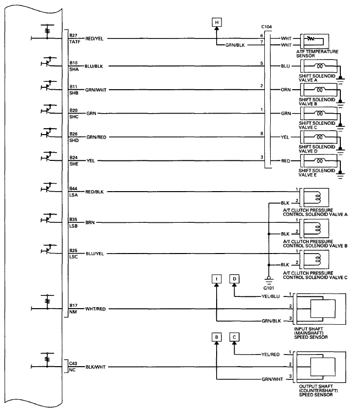
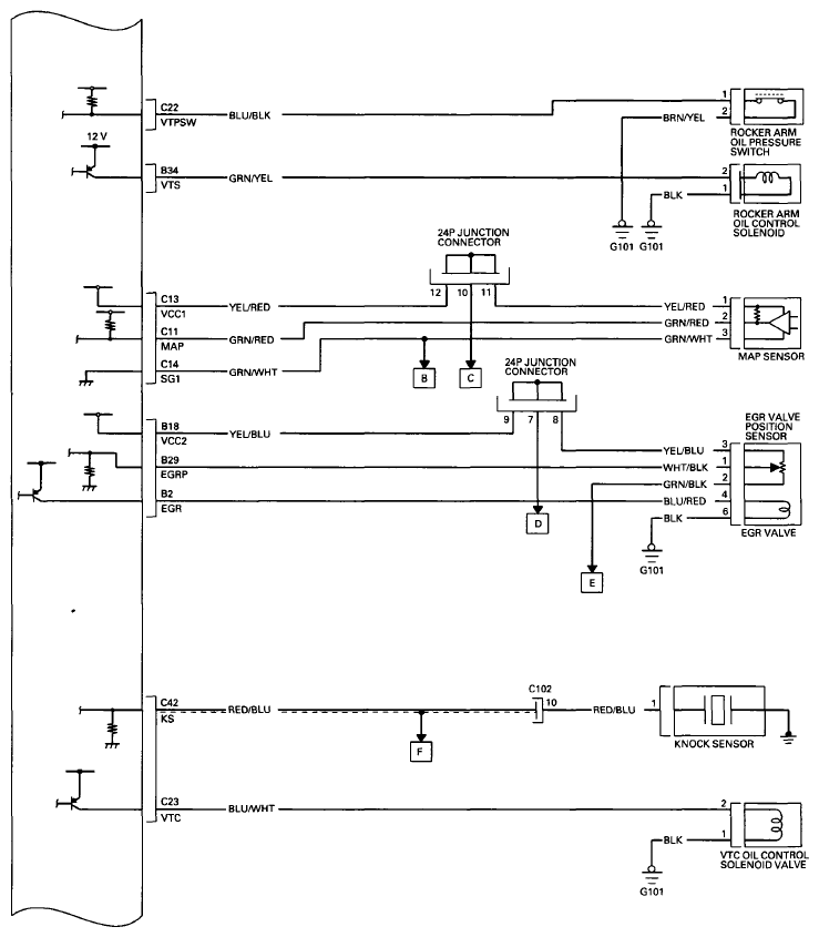
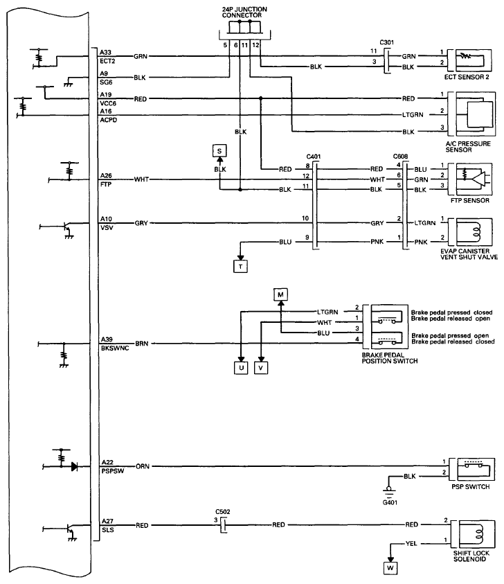
Fig 3: PCM Circuit Diagram (3 Of 11)
G06609734Courtesy of AMERICAN HONDA MOTOR CO., INC.
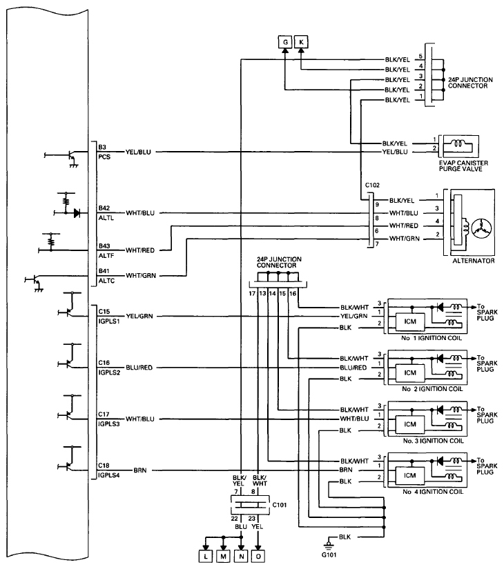
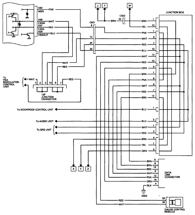
Fig 4: PCM Circuit Diagram (4 Of 11)
G06609735Courtesy of AMERICAN HONDA MOTOR CO., INC.
Fig 5: PCM Circuit Diagram (5 Of 11)
G06609736Courtesy of AMERICAN HONDA MOTOR CO., INC.
Fig 6: PCM Circuit Diagram (6 Of 11)
G06609737Courtesy of AMERICAN HONDA MOTOR CO., INC.
Fig 7: PCM Circuit Diagram (7 Of 11)
G06609738Courtesy of AMERICAN HONDA MOTOR CO., INC.
Fig 8: PCM Circuit Diagram (8 Of 11)
G06609739Courtesy of AMERICAN HONDA MOTOR CO., INC.
Fig 9: PCM Circuit Diagram (9 Of 11)
G06609740Courtesy of AMERICAN HONDA MOTOR CO., INC.
Fig 10: PCM Circuit Diagram (10 Of 11)
G06609741Courtesy of AMERICAN HONDA MOTOR CO., INC.
Fig 11: PCM Circuit Diagram (11 Of 11)
G06609742Courtesy of AMERICAN HONDA MOTOR CO., INC.