LEMON Manuals: Even more car manuals for everyone: 1960-2025
Home >> Honda >> 2009 >> CR-V EX, 2.4 RE3 >> Repair and Diagnosis >> Engine Performance >> System >> Fuel And Emissions Systems >> System Description >> Electronic Control Systems >> PCM Electrical Connections
April 5, 2026: LEMON Manuals is launched! Read the announcement.

PCM Electrical Connections

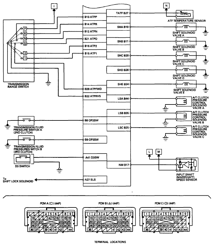
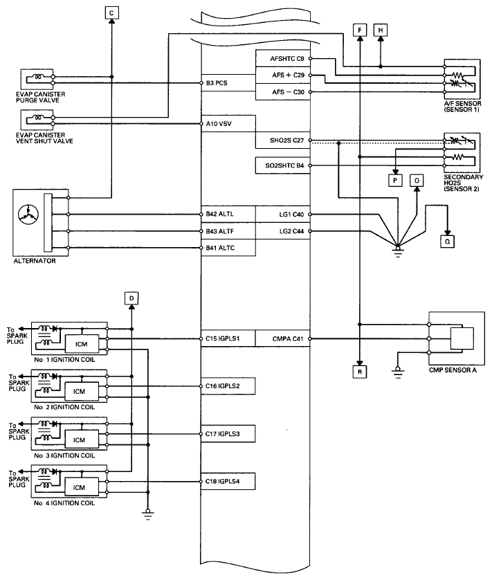
Fig 1: PCM Electrical Connections Circuit Diagram (1 Of 6)
G06609726Courtesy of AMERICAN HONDA MOTOR CO., INC.
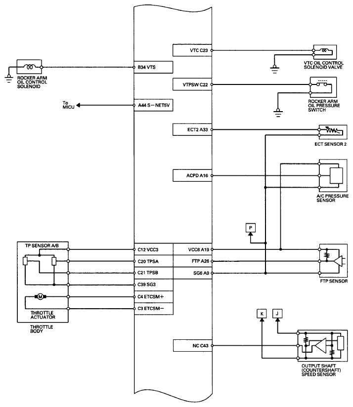
Fig 2: PCM Electrical Connections Circuit Diagram (2 Of 6)
G06609727Courtesy of AMERICAN HONDA MOTOR CO., INC.
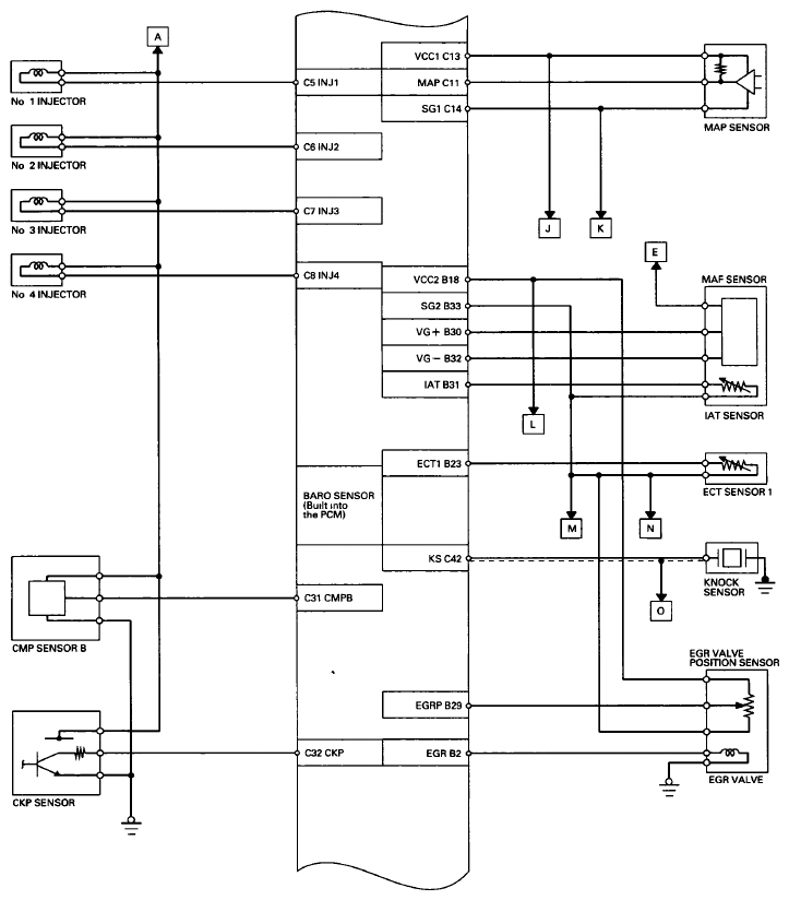
Fig 3: PCM Electrical Connections Circuit Diagram (3 Of 6)
G06609728Courtesy of AMERICAN HONDA MOTOR CO., INC.
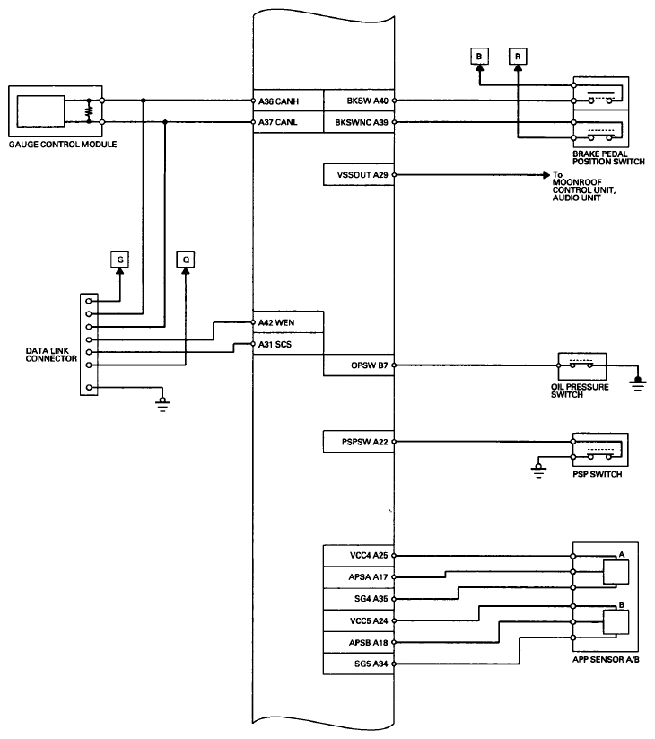
Fig 4: PCM Electrical Connections Circuit Diagram (4 Of 6)
G06609729Courtesy of AMERICAN HONDA MOTOR CO., INC.
Fig 5: PCM Electrical Connections Circuit Diagram (5 Of 6)
G06609730Courtesy of AMERICAN HONDA MOTOR CO., INC.
Fig 6: PCM Electrical Connections Circuit Diagram (6 Of 6)
G06609731Courtesy of AMERICAN HONDA MOTOR CO., INC.