LEMON Manuals: Even more car manuals for everyone: 1960-2025
Home >> Honda >> 2009 >> Element 2WD L4-2.4L >> Repair and Diagnosis >> Power and Ground Distribution >> Testing and Inspection
April 5, 2026: LEMON Manuals is launched! Read the announcement.

Power and Ground Distribution: Testing and Inspection




Power Relay Test

Special Tools Required

- Relay puller 07AAC-000A1A0
Use this chart to identify the type of relay, then do the test listed for it. Carefully remove the relays using the relay puller. Do not use pliers. Pliers will damage the relay.






NOTE: The turn signal/hazard relay input test. Turn Signal/Hazard Relay Input Test









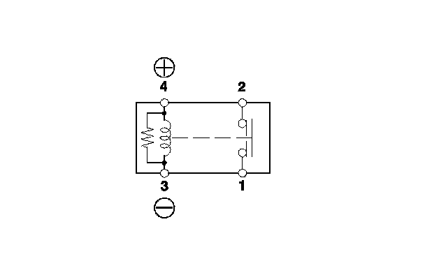
Normally-open type A

Check for continuity between the terminals.

- There should be continuity between terminals No. 1 and No. 2 when the battery positive terminal is connected to terminal No. 4, and the battery negative terminal is connected to terminal No. 3.

- There should be no continuity between terminals No. 1 and No. 2 when power is disconnected.









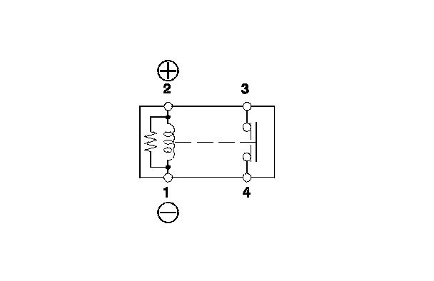
Normally-open type B

Check for continuity between the terminals.

- There should be continuity between terminals No. 3 and No. 4 when the battery positive terminal is connected to terminal No. 2, and the battery negative terminal is connected to terminal No. 1.

- There should be no continuity between terminals No. 3 and No. 4 when power is disconnected.





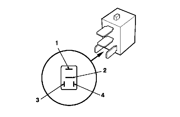
Blower motor relay





Normally-open type C

Check for continuity between the terminals.

- There should be continuity between terminals No. 4 and No. 2 when the battery positive terminal is connected to terminal No. 3, and the battery negative terminal is connected to terminal No. 1.

- There should be no continuity between terminals No. 4 and No. 2 when power is disconnected.





Rear window defogger relay





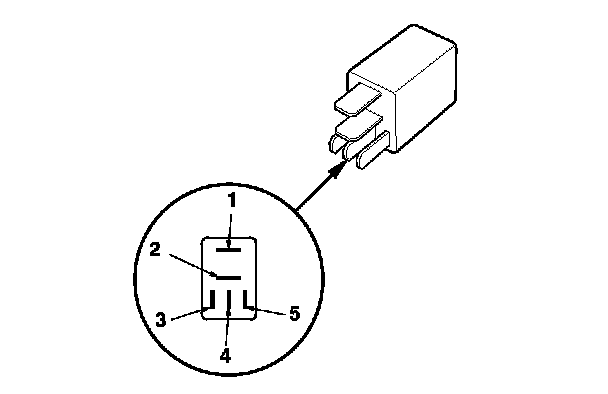
Five-terminal type

Check for continuity between the terminals.

- There should be continuity between terminals No. 1 and No. 2 when the battery positive terminal is connected to terminal No. 5, and battery negative terminal is connected to terminal No. 3.

- There should be continuity between terminals No. 1 and No. 4 when power is disconnected.