LEMON Manuals: Even more car manuals for everyone: 1960-2025
Home >> Honda >> 2009 >> Element 2WD L4-2.4L >> Repair and Diagnosis >> Powertrain Management >> Computers and Control Systems >> Description and Operation
April 5, 2026: LEMON Manuals is launched! Read the announcement.

Computers and Control Systems: Description and Operation




Fuel and Emissions System Description

Electronic Control System

The functions of the fuel and emission control systems are managed by the engine control module (ECM) on vehicles with manual transmissions or the powertrain control module (PCM) on vehicles with automatic transmissions.

Self-diagnosis

The ECM/PCM detects a failure of a signal from a sensor or another control unit and stores a Temporary DTC or a DTC. Depending on the failure, a DTC is stored in either the first or the second drive cycle. When a DTC is stored, the ECM/PCM turns on the malfunction indicator lamp (MIL) by sending a command to the gauge control module.

- One Drive Cycle Detection Method
When an abnormality occurs in the signal from a sensor or another control unit, the ECM/PCM stores a DTC for the failure and turns on the MIL immediately.

- Two Drive Cycle Detection Method
When an abnormality occurs in the signal from a sensor or another control unit in the first drive cycle, the ECM/PCM stores a Temporary DTC for the failure. The MIL does not come on at this time. If the failure continues in the second drive cycle, the ECM/PCM stores a DTC and turns on the MIL.

Fail-safe Function

When an abnormality occurs in the signal from a sensor or another control unit, the ECM/PCM ignores that signal and substitutes a pre-programmed value that allows the engine to continue running. This causes a DTC to be stored and the MIL to come on.

MIL Bulb Check and Readiness Code Condition

When the ignition switch is turned to ON (II), the ECM/PCM turns on the MIL via the F-CAN circuit for about 15 to 20 seconds to check the bulb condition. If any readiness codes are not set to complete, the MIL flashes five times. If all readiness codes are set to complete, the MIL goes off.

Self Shut Down (SSD) Mode

After the ignition switch is turned to LOCK (0), the ECM/PCM stays on (about 25 minutes). If an ECM/PCM connector is disconnected during this time, the ECM/PCM may be damaged. To cancel this mode, disconnect the negative cable from the battery or jump the SCS line with the HDS after the ignition switch is turned to LOCK (0).

ECM/PCM Electrical Connections









ECM/PCM Electrical Connections (cont'd)









ECM/PCM Electrical Connections (cont'd)





Vacuum Hose Routing





Vacuum Distribution





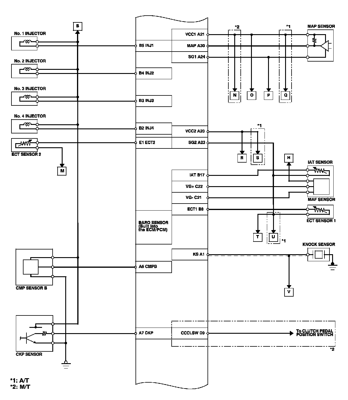
ECM/PCM Inputs and Outputs at Connector A (31P)





NOTE: Standard battery voltage is about 12 V.





ECM/PCM Inputs and Outputs at Connector A (31P)





NOTE: Standard battery voltage is about 12 V.





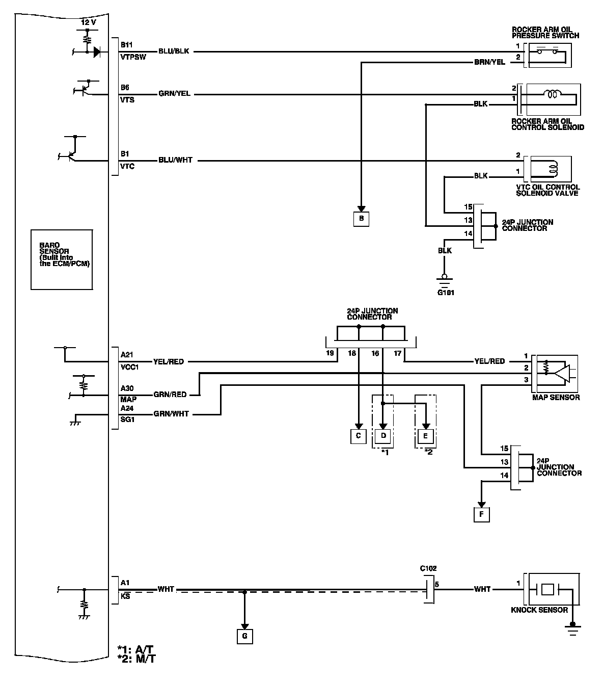
ECM/PCM Inputs and Outputs at Connector B (24P)





NOTE: Standard battery voltage is about 12 V.





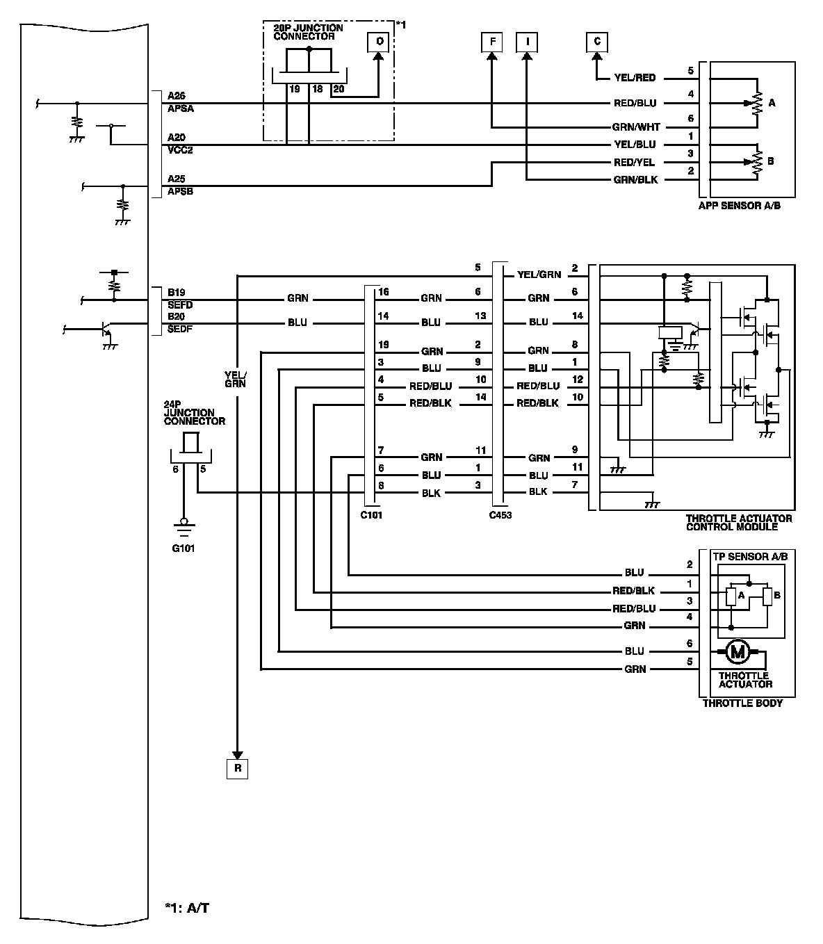
ECM/PCM Inputs and Outputs at Connector C (22P)





NOTE: Standard battery voltage is about 12 V.





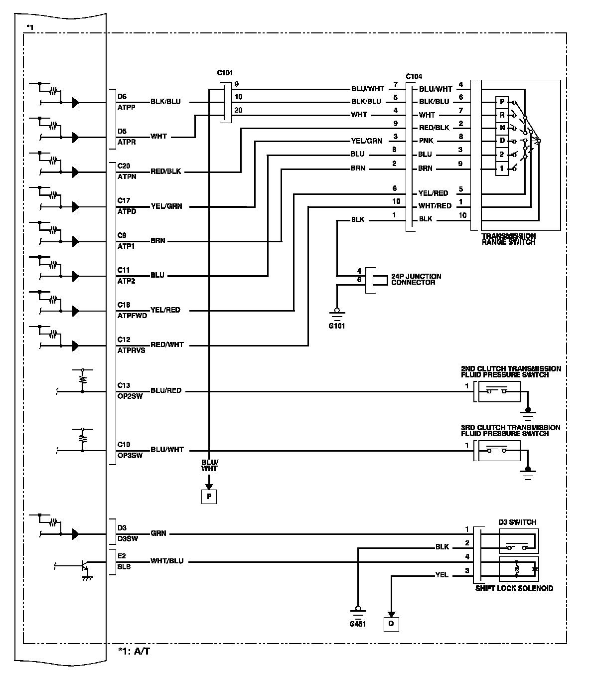
*1: A/T

ECM/PCM Inputs and Outputs at Connector C (22P)





NOTE: Standard battery voltage is about 12 V.





*1: A/T

ECM/PCM Inputs and Outputs at Connector D (17P)





NOTE: Standard battery voltage is about 12 V.





*1: A/T

*2: M/T

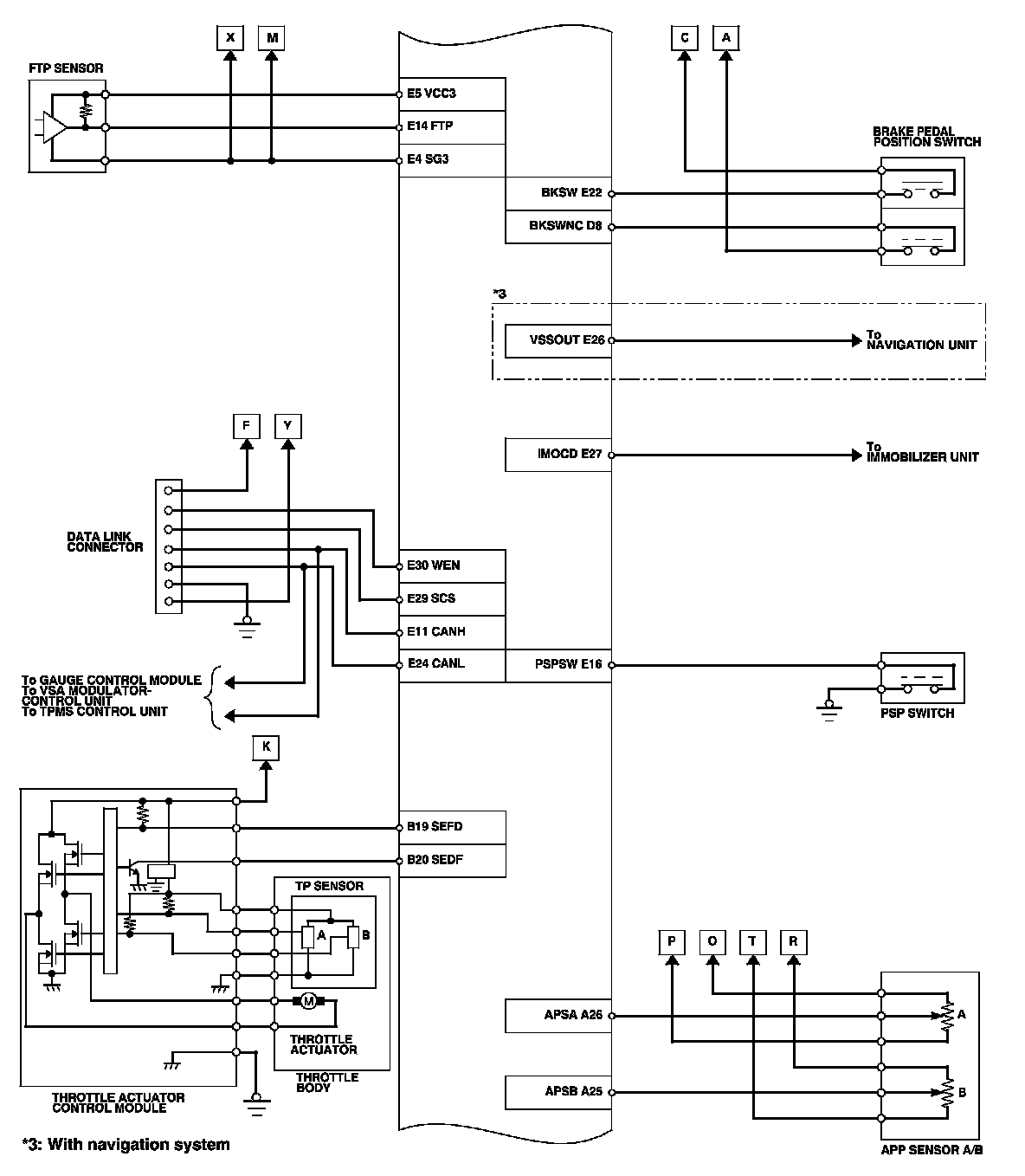
ECM/PCM Inputs and Outputs at Connector E (31P)





NOTE: Standard battery voltage is about 12 V.









*1: A/T

ECM/PCM Inputs and Outputs at Connector E (31P)





NOTE: Standard battery voltage is about 12 V.





*1: A/T

*3: With navigation system

PGM-FI System

The programmed fuel injection (PGM-FI) system is a sequential multiport fuel injection system.

Air Conditioning (A/C) Compressor Clutch Relay

When the ECM/PCM receives a demand for cooling from the A/C system, it delays the compressor from being energized, and enriches the mixture to assure a smooth transition to the A/C mode.

Air Fuel Ratio (A/F) Sensor

The A/F sensor operates over a wide air/fuel range. The A/F sensor is installed upstream of the three way catalytic converter (TWC). It sends signals to the ECM/PCM which varies the duration of fuel injection accordingly.






Barometric Pressure (BARO) Sensor

The BARO sensor is inside the ECM/PCM. It converts atmospheric pressure into a voltage signal that modifies the basic duration of the fuel injection discharge.

Camshaft Position (CMP) Sensor B

CMP sensor B detects the position of the No. 1 cylinder as a reference for sequential fuel injection to each cylinder.






Crankshaft Position (CKP) Sensor

The CKP sensor detects crankshaft speed and is used by the ECM/PCM to determine the ignition timing, timing for the fuel injection of each cylinder, and engine misfire detection.






Engine Coolant Temperature (ECT) Sensors 1 and 2

ECT sensors 1 and 2 are temperature dependent resistors (thermistors). The resistance decreases as the engine coolant temperature increases.






Ignition Timing Control

The ECM/PCM contains the memory for basic ignition timing at various engine speeds and manifold absolute pressures. It also adjusts the timing according to engine coolant temperature and intake air temperature.

Injector Timing and Duration

The ECM/PCM contains the memory for basic discharge duration at various engine speeds and manifold pressures. The basic discharge duration, after being read out from the memory, is further modified by signals sent from various sensors to obtain the final discharge duration.

By monitoring long term fuel trim, the ECM/PCM detects long term malfunctions in the fuel system and sets diagnostic trouble codes (DTCs) if needed.

Knock Sensor

The knock sensor adjusts the ignition timing to minimize knock.






Malfunction Indicator Lamp (MIL) Indication (In relation to Readiness Codes)

The vehicle has certain readiness codes that are part of the on-board diagnostics for the emissions systems. If the vehicle's battery has been disconnected or gone dead, if the DTCs have been cleared, or if the ECM/PCM has been reset, these codes are reset. In some states, part of the emissions testing is to make sure these codes are set to complete. If all of them are not set to complete, the vehicle may fail the test, or the test cannot be finished.

To check if the readiness codes are set to complete, turn the ignition switch to ON (II), but do not start the engine. The MIL will come on for 15-20 seconds. If it then goes off, the readiness codes are complete. If it flashes five times, one or more readiness codes are not complete. To set each code, drive the vehicle or run the engine as described in the procedures. Monitors, Trips, Drive Cycles and Readiness Codes

Manifold Absolute Pressure (MAP) Sensor

The MAP sensor converts manifold absolute pressure into electrical signals to the ECM/PCM.






Mass Air Flow (MAF) Sensor/Intake Air Temperature (IAT) Sensor

The mass air flow (MAF) sensor/intake air temperature (IAT) sensor contains a hot wire sensor, a cold wire sensor, and a thermistor. It is located in the intake air passage. The resistance of the hot wire sensor, the cold wire sensor, and the thermistor changes due to intake air temperature and air flow. The control circuit in the MAF sensor controls the current to keep the hot wire at a set temperature. The current is converted to voltage in the control circuit, then output to the ECM/PCM.






Output Shaft (Countershaft) Speed Sensor

This sensor detects output shaft (countershaft) speed.






Secondary Heated Oxygen Sensor (Secondary HO2S)

The secondary HO2S detects the oxygen content in the exhaust gas downstream of the three way catalytic converter (TWC), and sends signals to the ECM/PCM which varies the duration of fuel injection accordingly. To stabilize its output, the sensor has an internal heater. The ECM/PCM compares the HO2S output with the A/F sensor output to determine catalyst efficiency. The secondary HO2S is on the TWC.






Electronic Throttle Control System

The throttle is electronically controlled by the electronic throttle control system. Refer to the system diagram to see a functional layout of the system.

Idle control: When the engine is idling, the ECM/PCM controls the throttle actuator to maintain the proper idle speed according to engine loads.

Acceleration control: When the accelerator pedal is pressed, the ECM/PCM opens the throttle valve, depending on the accelerator pedal position (APP) sensor signal.

Cruise control: The ECM/PCM controls the throttle actuator to maintain the set speed when the cruise control is operating. The throttle actuator takes the place of the cruise control actuator.

Accelerator Pedal Position (APP) Sensor

As the accelerator pedal position changes, the sensor varies the signal voltage to the ECM/PCM.











Throttle Body

The throttle body is a single-barrel side draft type. The lower portion of the throttle valve is heated by engine coolant from the cylinder head to prevent icing of the throttle plate.






i-VTEC

- The i-VTEC system has a VTC (variable valve timing control) mechanism on the intake camshaft in addition to the usual VTEC.
This system improves fuel efficiency and reduces exhaust emissions at all levels of engine speed, vehicle speed, and engine load.

- The VTEC system changes the valve lift and timing by using more than one cam profile.

- The VTC system changes the phase of the intake camshaft via oil pressure. It changes the intake valve timing continuously.









VTC System

- The VTC system makes continuous intake valve timing changes based on operating conditions.

- Intake valve timing is optimized to allow the engine to produce maximum power.

- Cam angle is advanced to obtain the EGR effect and reduce pumping loss. The intake valve is closed quickly to reduce the entry of the air/fuel mixture into the intake port and improve the charging effect.

- The system reduces the cam advance at idle, stabilizes combustion, and reduces engine speed.

- If a malfunction occurs, the VTC system control is disabled, and the valve timing is fixed at the fully retarded position.





VTEC System

- The VTEC system changes the cam profile to correspond to the engine speed. It maximizes torque at low engine speed and output at high engine speed.

- The low lift cam is used at low engine speeds, and the high lift cam is used at high engine speeds.





VTEC/VTC

System Diagram





Camshaft Position (CMP) Sensor A

This sensor detects camshaft angle position for the VTC system.






Idle Control System

When the engine is cold, the A/C compressor is on, the transmission is in gear, the brake pedal is pressed, the power steering load is high, or the alternator is charging, the ECM/PCM controls the throttle position to maintain the correct idle speed.

Brake Pedal Position Switch

The brake pedal position switch signals the ECM/PCM when the brake pedal is pressed.

Power Steering Pressure (PSP) Switch

The PSP switch signals the ECM/PCM when the power steering load is high.

Fuel Supply System

Fuel Cutoff Control

During deceleration with the throttle valve closed, current to the injectors is cut off to improve fuel economy at engine speeds over 1,000 rpm. Fuel cutoff control also occurs when the engine speed exceeds 6,700 rpm, regardless of the position of the throttle valve, to protect the engine from over-revving. When the vehicle is stopped, the ECM/PCM cuts the fuel at engine speeds over 5,000 rpm (M/T: 6,700 rpm). On a cold engine, fuel cut occurs at a lower engine speed.

Fuel Pump Control

When the ignition switch is turned to ON (II), the ECM/PCM grounds PGM-FI main relay 2 (FUEL PUMP) which feeds current to the fuel pump for 2 seconds to pressurize the fuel system. With the engine running, the ECM/PCM grounds PGM-FI main relay 2 (FUEL PUMP) and feeds current to the fuel pump. When the engine is not running and the ignition is turned to ON (II), the ECM/PCM cuts ground to PGM-FI main relay 2 (FUEL PUMP) which cuts current to the fuel pump.

PGM-FI Main Relay 1 and 2

PGM-FI main relay 1 (FI MAIN) is energized whenever the ignition switch is ON (II), to supply battery voltage to the ECM/PCM, power to the injectors, and power for PGM-FI main relay 2 (FUEL PUMP). PGM-FI main relay 2 (FUEL PUMP) is energized to supply power to the fuel pump for 2 seconds when the ignition switch is turned to ON (II), and when the engine is cranking or running.

Intake Air System

The system supplies air for engine needs.

Intake Air Bypass Control Thermal Valve

When the engine is cold, the intake air bypass control thermal valve sends air to the injector.

The amount of air is regulated by engine coolant temperature. Once the engine is hot, the intake air bypass control thermal valve closes, stopping air to the injector.






Catalytic Converter System

Three Way Catalytic Converter (TWC)

The TWC converts hydrocarbons (HC), carbon monoxide (CO), and oxides of nitrogen (NOx) in the exhaust gas to carbon dioxide (CO2), nitrogen (N2), and water vapor.






Positive Crankcase Ventilation (PCV) System

The PCV valve prevents blow-by gasses from escaping into the atmosphere by venting them into the intake manifold.






Evaporative Emission (EVAP) Control System

Refer to the system diagram to see a functional layout of the system.

EVAP Canister

The EVAP canister temporarily stores fuel vapor from the fuel tank until it can be purged from the EVAP canister into the engine and burned.

EVAP Canister Purge Valve

When the engine coolant temperature is below 131 °F (55 °C), the ECM/PCM turns off the EVAP canister purge valve which cuts vacuum to the EVAP canister.

Fuel Tank Pressure (FTP) Sensor

The FTP sensor converts fuel tank absolute pressure into an electrical input to the ECM/PCM.






EVAP Canister Vent Shut Valve

The EVAP canister vent shut valve is on the EVAP canister.

This valve controls the venting of the EVAP canister.






Fuel Cap Warning Message

The ECM/PCM detects a loose or missing fuel fill cap as an evaporative system leak, and alerts the driver by showing a warning message in the odo/trip meter display.

First drive cycle

The first time a leak is detected, a CHECK FUEL CAP message is shown in the odo/trip meter display (A). To scroll to another message, press the select/reset button. The CHECK FUEL CAP message appears each time you restart the engine, until the system turns the message off. Turn the engine off, then replace or tighten the fuel fill cap until it clicks at least once. The message should go off after several days of normal driving after the fuel fill cap has been tightened or replaced.






To make the message go off (with the HDS)

Procedure

1. Tighten the fuel fill cap until it clicks.

2. Clear the Temporary DTC with the HDS.

3. Verify there is no leak by doing the EVAP FUNCTION TEST in the INSPECTION MENU with the HDS.

To make the message go off (without the HDS)

Procedure

4. Tighten the fuel fill cap until it clicks.

5. Start the engine, then turn the ignition switch to LOCK (0).

6. Repeat step 2 two more times.

Electronic Throttle Control System Diagram

The electronic throttle control system consists of the throttle actuator, throttle position (TP) sensor A/B, accelerator pedal position (APP) sensor A/B, the throttle actuator control module, the throttle actuator control module relay, and the ECM/PCM.






Evaporative Emission (EVAP) Control Diagram

The EVAP controls minimize the amount of fuel vapor escaping into the atmosphere. Vapor from the fuel tank is temporarily stored in the EVAP canister until it can be purged from the canister into the engine and burned.

The EVAP canister is purged by drawing fresh air through it and into a port on the intake manifold.

The purging vacuum is controlled by the EVAP canister purge valve, which operates whenever the engine coolant temperature is above 131 °F (55 °C).






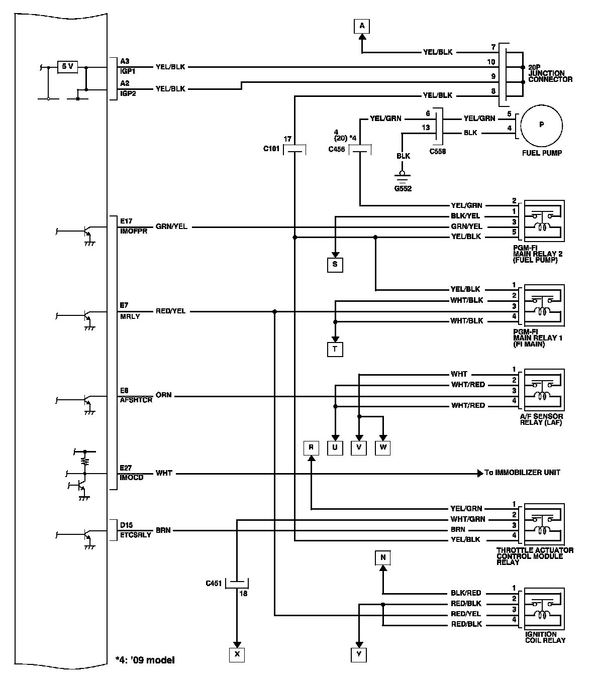
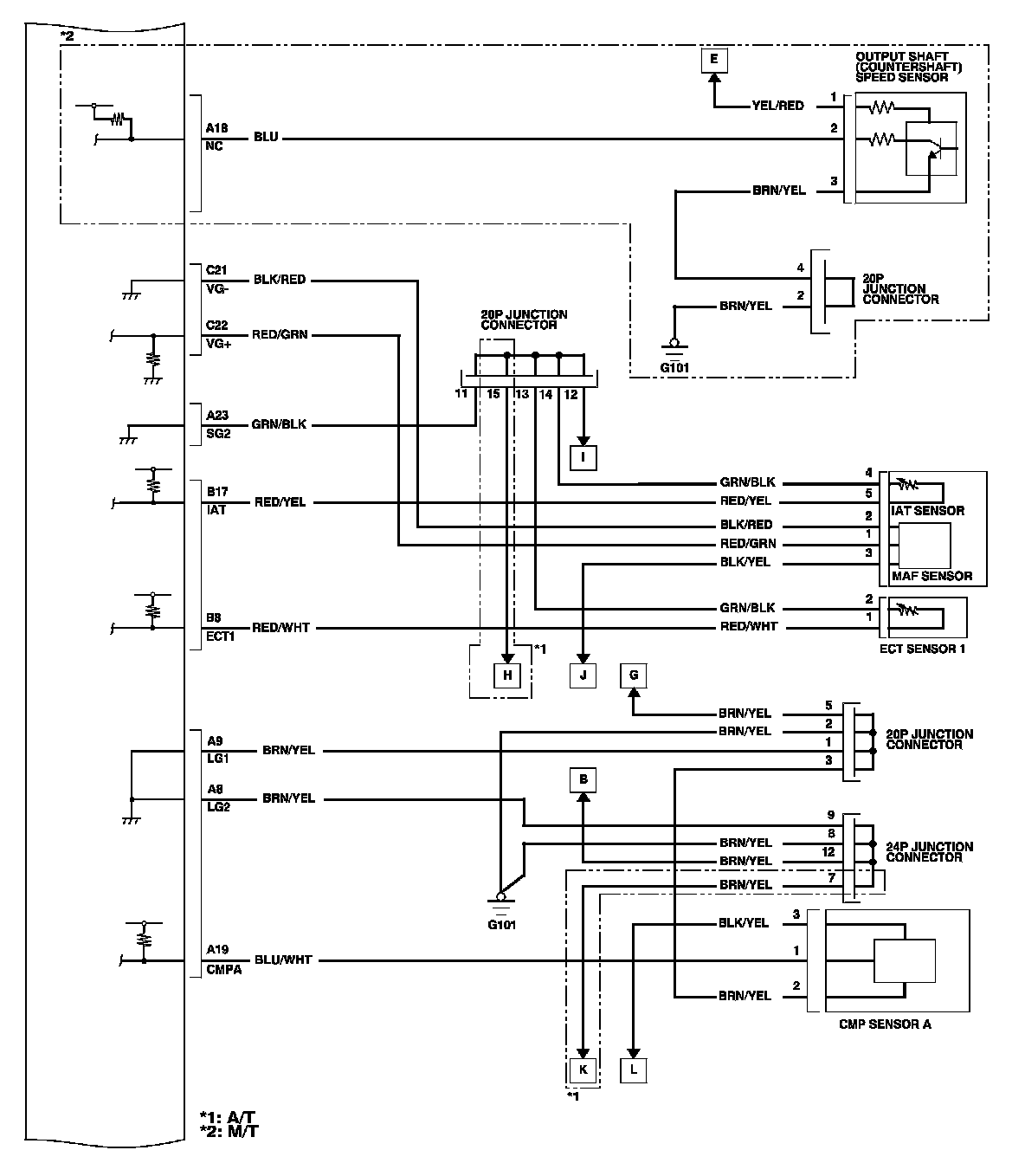
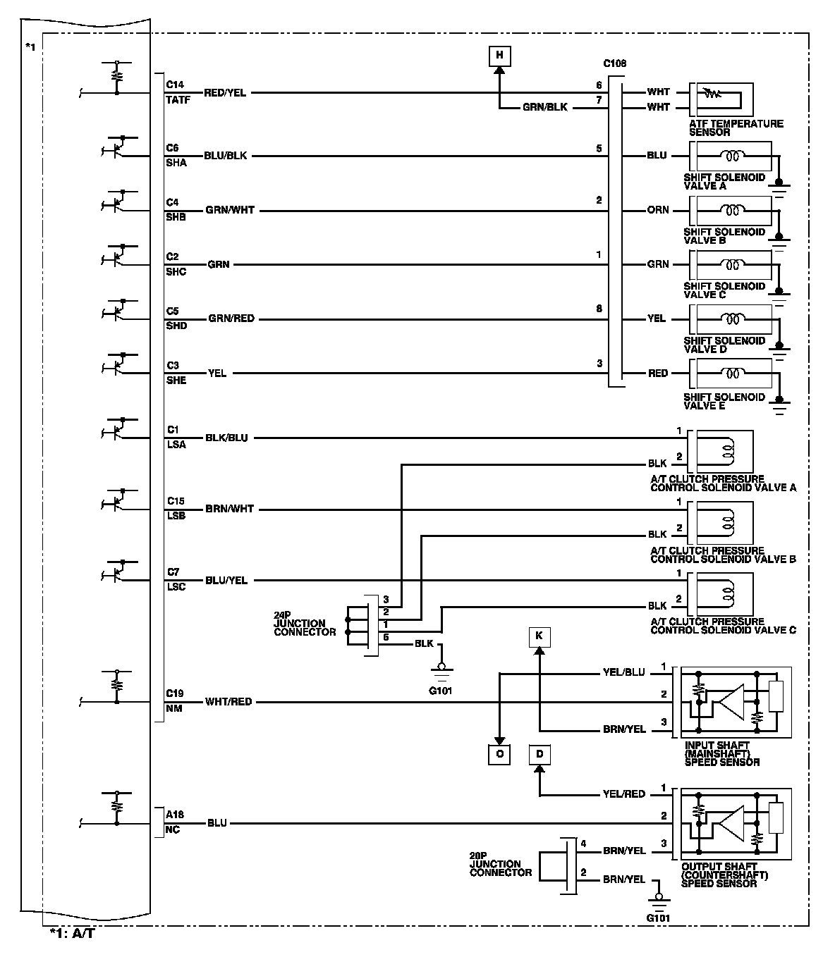
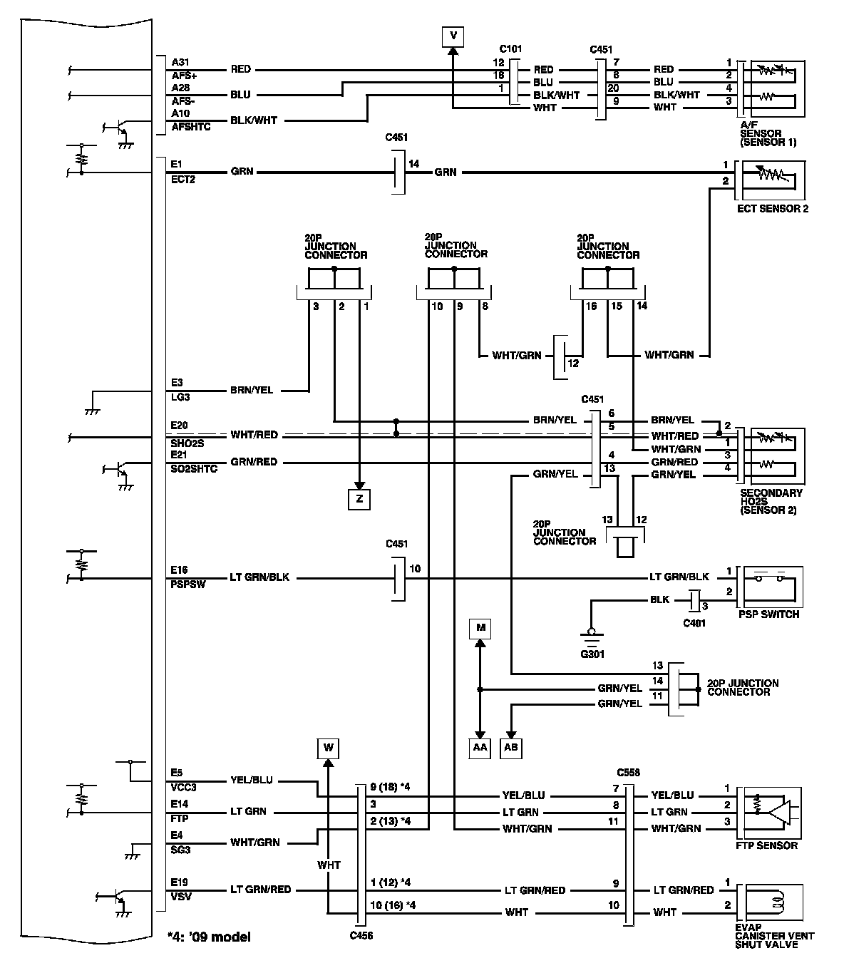
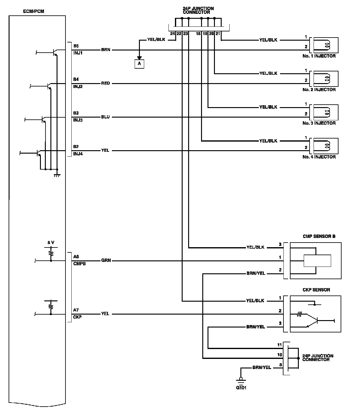
ECM/PCM Circuit Diagram









ECM/PCM Circuit Diagram (cont'd)









ECM/PCM Circuit Diagram (cont'd)









ECM/PCM Circuit Diagram (cont'd)









ECM/PCM Circuit Diagram (cont'd)









ECM/PCM Circuit Diagram (cont'd)