LEMON Manuals: Even more car manuals for everyone: 1960-2025
Home >> Honda >> 2009 >> Element SC, Automatic >> Repair and Diagnosis >> External Pages >> Different car >> Section 119 (Engine Block) >> Component Location Index
April 5, 2026: LEMON Manuals is launched! Read the announcement.

Component Location Index

WARNING: This page does not describe the selected car, but rather 7 other vehicles, including the 2017 Honda Odyssey, 2016 Honda Odyssey, 2015 Honda Odyssey, 2014 Honda Odyssey, and 2013 Honda Odyssey. However, it is still accessible from the selected car via links, so may be relevant.
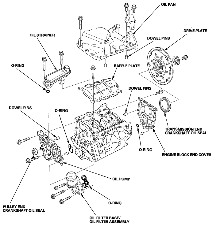
Fig 1: Identifying Engine Block Assembly Replacement Components (1 Of 3)
G06966425Courtesy of AMERICAN HONDA MOTOR CO., INC.
Fig 2: Identifying Engine Block Assembly Replacement Components (2 Of 3)
G06966426Courtesy of AMERICAN HONDA MOTOR CO., INC.
Fig 3: Identifying Engine Block Assembly Replacement Components (3 Of 3)
G06966427Courtesy of AMERICAN HONDA MOTOR CO., INC.