LEMON Manuals: Even more car manuals for everyone: 1960-2025
Home >> Honda >> 2009 >> Element SC, Standard >> Repair and Diagnosis >> Engine Mechanical >> Lubrication System >> Engine Lubrication System >> Component Location Index
April 5, 2026: LEMON Manuals is launched! Read the announcement.

Component Location Index

Fig 1: Identifying Low Oil Pressure Indicator
G00487366Courtesy of AMERICAN HONDA MOTOR CO., INC.
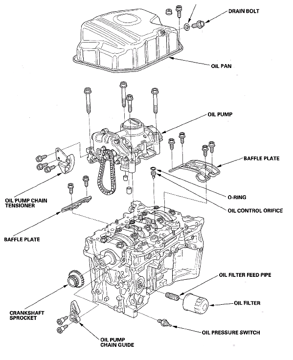
Fig 2: Identifying Engine Lubrication Replacement Components
G05448749Courtesy of AMERICAN HONDA MOTOR CO., INC.