LEMON Manuals: Even more car manuals for everyone: 1960-2025
Home >> Honda >> 2009 >> Element SC, Standard >> Repair and Diagnosis >> External Pages >> Different car >> Section 109 (Audio System) >> Circuit Diagram >> With Navigation
April 5, 2026: LEMON Manuals is launched! Read the announcement.

With Navigation

WARNING: This page does not describe the selected car, but rather 7 other vehicles, including the 2017 Honda Odyssey, 2016 Honda Odyssey, 2015 Honda Odyssey, 2014 Honda Odyssey, and 2013 Honda Odyssey. However, it is still accessible from the selected car via links, so may be relevant.
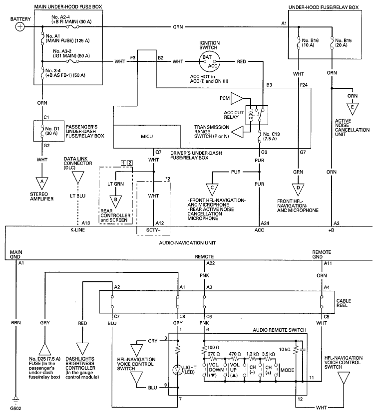
Fig 1: Audio System Circuit Diagram - With Navigation (1 Of 5)
G06970669Courtesy of AMERICAN HONDA MOTOR CO., INC.
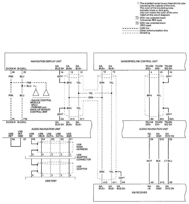
Fig 2: Audio System Circuit Diagram - With Navigation (2 Of 5)
G06970670Courtesy of AMERICAN HONDA MOTOR CO., INC.
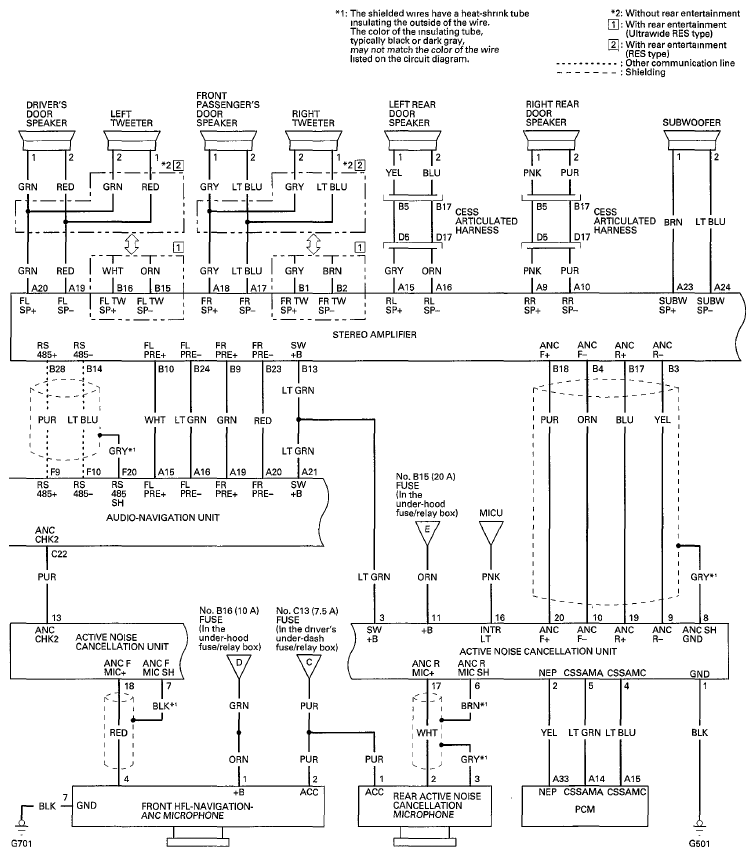
Fig 3: Audio System Circuit Diagram - With Navigation (3 Of 5)
G06970671Courtesy of AMERICAN HONDA MOTOR CO., INC.
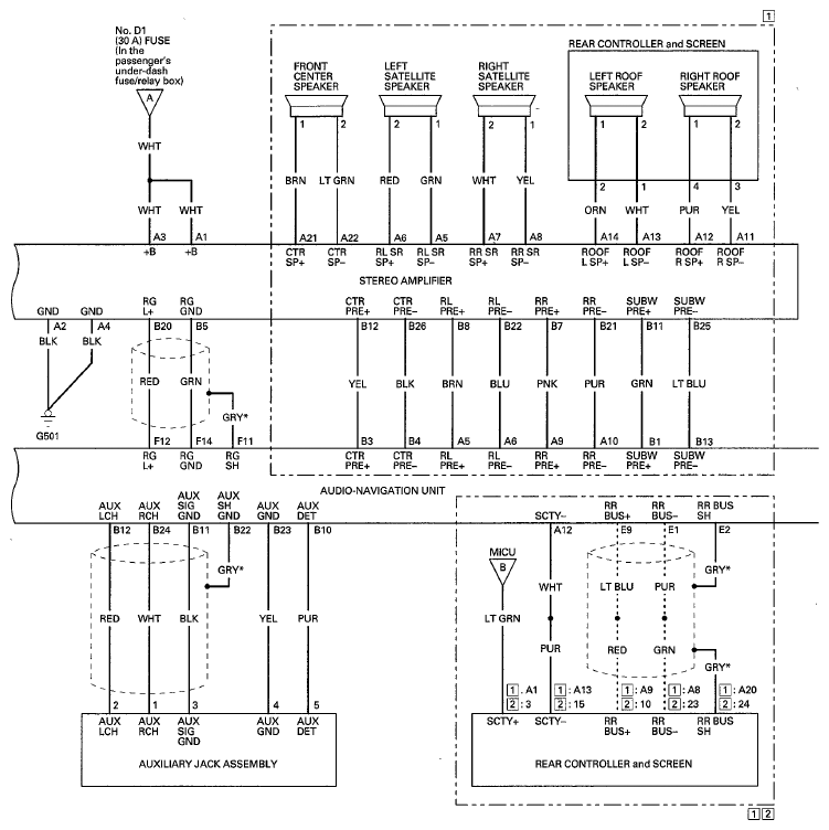
Fig 4: Audio System Circuit Diagram - With Navigation (4 Of 5)
G06970672Courtesy of AMERICAN HONDA MOTOR CO., INC.
Fig 5: Audio System Circuit Diagram - With Navigation (5 Of 5)
G00525956Courtesy of AMERICAN HONDA MOTOR CO., INC.