LEMON Manuals: Even more car manuals for everyone: 1960-2025
Home >> Honda >> 2009 >> Element SC, Standard >> Repair and Diagnosis >> External Pages >> Different car >> Section 131 (TPMS (Tire Pressure Monitoring System)) >> Circuit Diagram
April 5, 2026: LEMON Manuals is launched! Read the announcement.

Circuit Diagram

WARNING: This page does not describe the selected car, but rather 7 other vehicles, including the 2017 Honda Odyssey, 2016 Honda Odyssey, 2015 Honda Odyssey, 2014 Honda Odyssey, and 2013 Honda Odyssey. However, it is still accessible from the selected car via links, so may be relevant.
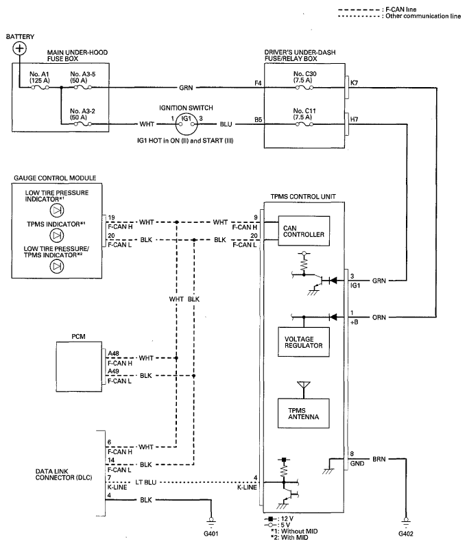
Fig 1: TPMS Circuit Diagram
G06969662Courtesy of AMERICAN HONDA MOTOR CO., INC.
Fig 2: Identifying Connector Terminals
G06969663Courtesy of AMERICAN HONDA MOTOR CO., INC.