LEMON Manuals: Even more car manuals for everyone: 1960-2025
Home >> Honda >> 2009 >> Element SC, Standard >> Repair and Diagnosis >> External Pages >> Different car >> Section 147 (Climate Control) >> Circuit Diagram
April 5, 2026: LEMON Manuals is launched! Read the announcement.

Circuit Diagram

WARNING: This page does not describe the selected car, but rather 7 other vehicles, including the 2017 Honda Odyssey, 2016 Honda Odyssey, 2015 Honda Odyssey, 2014 Honda Odyssey, and 2013 Honda Odyssey. However, it is still accessible from the selected car via links, so may be relevant.
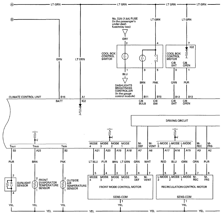
Fig 1: Climate Control - Circuit Diagram (1 Of 4)
G06968270Courtesy of AMERICAN HONDA MOTOR CO., INC.
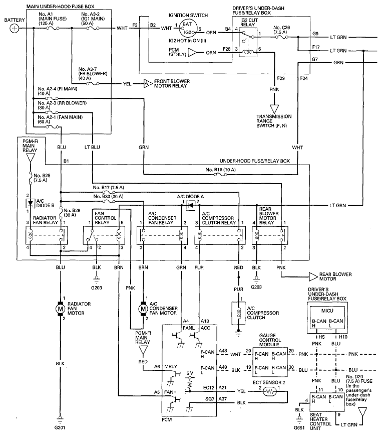
Fig 2: Climate Control - Circuit Diagram (2 Of 4)
G06968271Courtesy of AMERICAN HONDA MOTOR CO., INC.
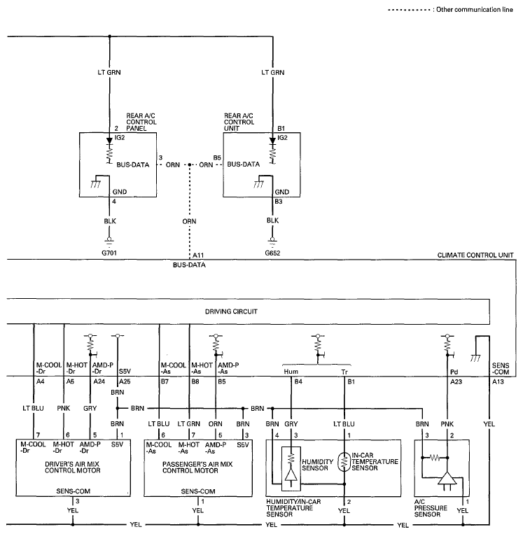
Fig 3: Climate Control - Circuit Diagram (3 Of 4)
G06968272Courtesy of AMERICAN HONDA MOTOR CO., INC.
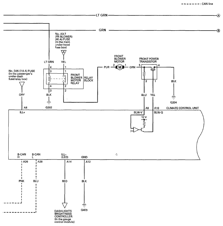
Fig 4: Climate Control - Circuit Diagram (4 Of 4)
G06968273Courtesy of AMERICAN HONDA MOTOR CO., INC.