LEMON Manuals: Even more car manuals for everyone: 1960-2025
Home >> Honda >> 2009 >> Element SC, Standard >> Repair and Diagnosis >> External Pages >> Different car >> Section 96 (Starting System) >> Circuit Diagram
April 5, 2026: LEMON Manuals is launched! Read the announcement.

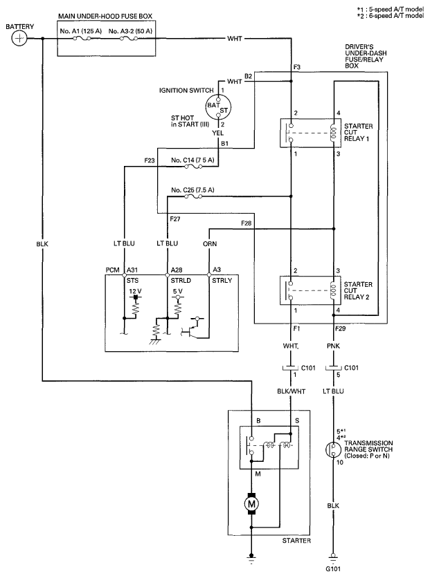
Circuit Diagram

WARNING: This page is about a different car, the 2011 Honda Odyssey. However, it is still accessible from the selected car via links, so may be relevant.
Fig 1: Starting System Circuit Diagram
G06966211Courtesy of AMERICAN HONDA MOTOR CO., INC.