LEMON Manuals: Even more car manuals for everyone: 1960-2025
Home >> Honda >> 2009 >> Element SC, Standard >> Repair and Diagnosis >> External Pages >> Different variant/trim >> Section 1 (Automatic Transmission) >> System Description >> Hydraulic Flow >> 2 Position
April 5, 2026: LEMON Manuals is launched! Read the announcement.

2 Position

WARNING: This page is about a different variant/trim than selected.

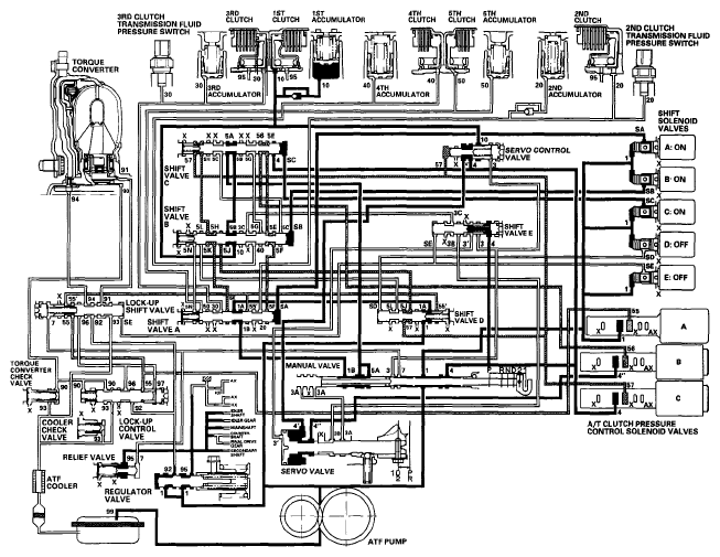
The PCM turns the shift solenoid valves OFF and ON. The conditions of the shift solenoid valves and the positions of the shift valves are as follows:

Line pressure (1) changes to line pressure (4) at the manual valve, and flows to shift valve C. Line pressure (4) flows to shift valve A via shift valve B, and becomes 2nd clutch pressure (20). 2nd clutch pressure (20) is applied to the 2nd clutch, and the 2nd clutch is engaged.

NOTE: When used, "left" or "right" indicates direction on the hydraulic circuit.
Fig 1: Automatic Transmission Flow Diagram - 2 Position
G06266759Courtesy of AMERICAN HONDA MOTOR CO., INC.