LEMON Manuals: Even more car manuals for everyone: 1960-2025
Home >> Honda >> 2009 >> Fit Sport, Standard >> Repair and Diagnosis >> Engine Performance >> System >> Advanced Diagnostics >> DTC P2118: Throttle Actuator Current Range/Performance Problem >> Notes
April 5, 2026: LEMON Manuals is launched! Read the announcement.

DTC P2118: Throttle Actuator Current Range/Performance Problem: Notes

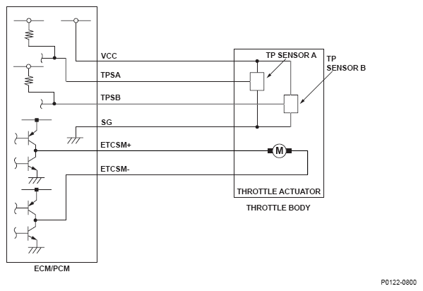
Fig 1: Throttle Position (TP) Sensor/Throttle Actuator Voltage - Circuit Diagram
G05615557Courtesy of AMERICAN HONDA MOTOR CO., INC.