LEMON Manuals: Even more car manuals for everyone: 1960-2025
Home >> Honda >> 2009 >> Odyssey EX-L >> Repair and Diagnosis >> External Pages >> Different car >> Section 65 (Driver Position Memory System (DPMS)) >> Circuit Diagram - Power Seat
April 5, 2026: LEMON Manuals is launched! Read the announcement.

Circuit Diagram - Power Seat

WARNING: This page is about a different car, the 2009 Acura MDX, 2008 Acura MDX, and 2007 Acura MDX. However, it is still accessible from the selected car via links, so may be relevant.
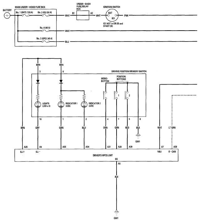
Fig 1: Circuit Diagram - Power Seat (1 Of 4)
G05488228Courtesy of AMERICAN HONDA MOTOR CO., INC.
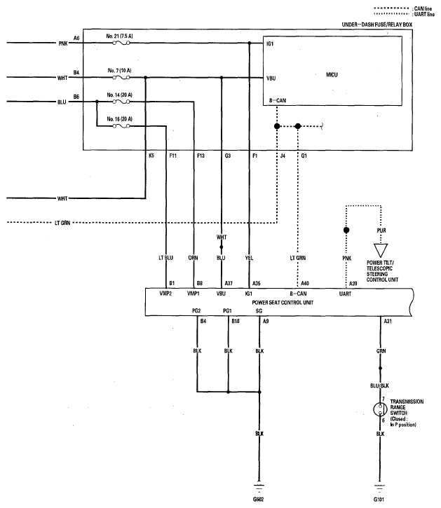
Fig 2: Circuit Diagram - Power Seat (2 Of 4)
G05488229Courtesy of AMERICAN HONDA MOTOR CO., INC.
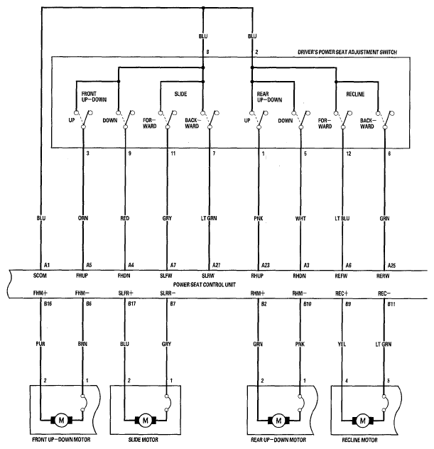
Fig 3: Circuit Diagram - Power Seat (3 Of 4)
G05488230Courtesy of AMERICAN HONDA MOTOR CO., INC.
Fig 4: Circuit Diagram - Power Seat (4 Of 4)
G05488231Courtesy of AMERICAN HONDA MOTOR CO., INC.