LEMON Manuals: Even more car manuals for everyone: 1960-2025
Home >> Honda >> 2009 >> Odyssey LX >> Repair and Diagnosis >> External Pages >> Different car >> Section 65 (Driver Position Memory System (DPMS)) >> Circuit Diagram - Power Mirror
April 5, 2026: LEMON Manuals is launched! Read the announcement.

Circuit Diagram - Power Mirror

WARNING: This page is about a different car, the 2009 Acura MDX, 2008 Acura MDX, and 2007 Acura MDX. However, it is still accessible from the selected car via links, so may be relevant.
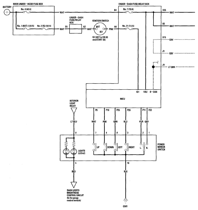
Fig 1: Circuit Diagram - Power Mirror (1 Of 2)
G05488232Courtesy of AMERICAN HONDA MOTOR CO., INC.
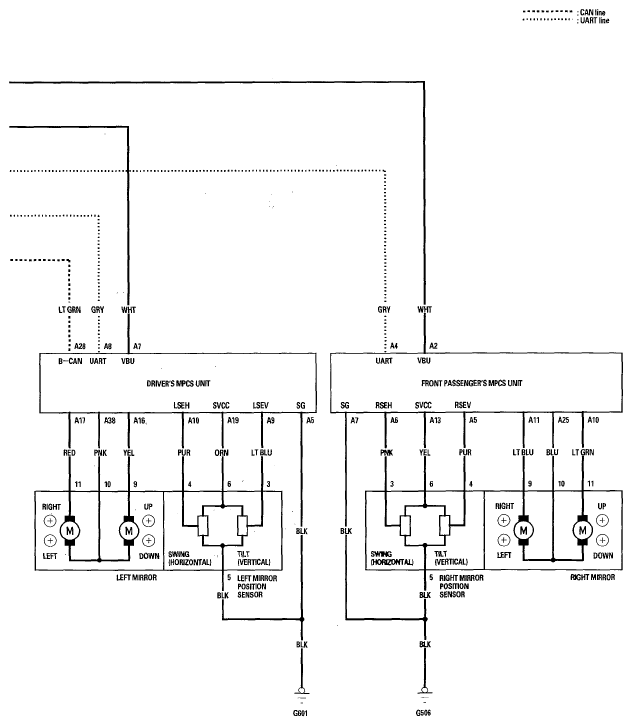
Fig 2: Circuit Diagram - Power Mirror (2 Of 2)
G05488233Courtesy of AMERICAN HONDA MOTOR CO., INC.