LEMON Manuals: Even more car manuals for everyone: 1960-2025
Home >> Honda >> 2009 >> Odyssey V6-3.5L >> Repair and Diagnosis >> Heating and Air Conditioning >> Control Assembly >> Service and Repair >> A/C Control Panel Removal/Installation
April 5, 2026: LEMON Manuals is launched! Read the announcement.

A/C Control Panel Removal/Installation




A/C Control Panel Removal/Installation

1. Remove the center panel Dashboard Center Panel Removal/Installation.

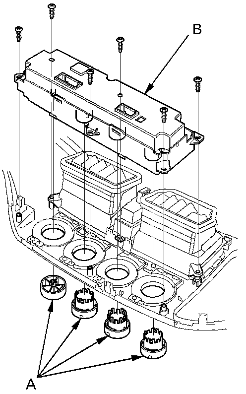
2. Remove the dials (A), the self-tapping screws, and the A/C control panel (B).





3. Install the A/C control panel in the reverse order of removal. After installation, operate the various functions to make sure they work properly.

4. Run the self-diagnostic function to confirm that there are no problems in the system How to Troubleshoot the Heating and A/C Systems.