LEMON Manuals: Even more car manuals for everyone: 1960-2025
Home >> Honda >> 2009 >> Pilot EX, 3.5 4 >> Repair and Diagnosis (Single Page) >> Engine Performance >> System >> Advanced Diagnostics >> DTC P1743: Problem in Shift Control System; Shift Valve E Stuck OFF >> Notes
April 5, 2026: LEMON Manuals is launched! Read the announcement.

DTC P1743: Problem in Shift Control System; Shift Valve E Stuck OFF: Notes

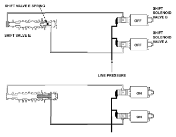
Fig 1: Shift Control System Operation Diagram (Shift Valve E Stuck Off)
G06128570Courtesy of AMERICAN HONDA MOTOR CO., INC.
Fig 2: Shift Gear Position Graph
G06128571Courtesy of AMERICAN HONDA MOTOR CO., INC.
Fig 3: Shift Solenoid Valve And Clutch Chart
G06128572Courtesy of AMERICAN HONDA MOTOR CO., INC.