LEMON Manuals: Even more car manuals for everyone: 1960-2025
Home >> Honda >> 2009 >> Pilot EX, 3.5 4 >> Repair and Diagnosis >> Engine Performance >> System >> Advanced Diagnostics >> DTC P0507: Idle Control System RPM Higher Than Expected >> Notes
April 5, 2026: LEMON Manuals is launched! Read the announcement.

DTC P0507: Idle Control System RPM Higher Than Expected: Notes

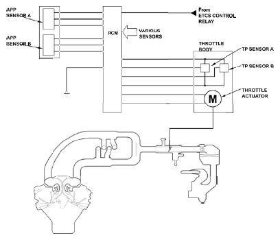
Fig 1: Idle Control System RPM Circuit Diagram (Higher Than Expected)
G06128398Courtesy of AMERICAN HONDA MOTOR CO., INC.
Fig 2: Idle Speed Graph (Normal And Failure Operation)
G06128399Courtesy of AMERICAN HONDA MOTOR CO., INC.