LEMON Manuals: Even more car manuals for everyone: 1960-2025
Home >> Honda >> 2009 >> Ridgeline RT >> Repair and Diagnosis >> Engine Performance >> System >> Advanced Diagnostics >> DTC P0506: Idle Control System RPM Lower Than Expected >> Notes
April 5, 2026: LEMON Manuals is launched! Read the announcement.

DTC P0506: Idle Control System RPM Lower Than Expected: Notes

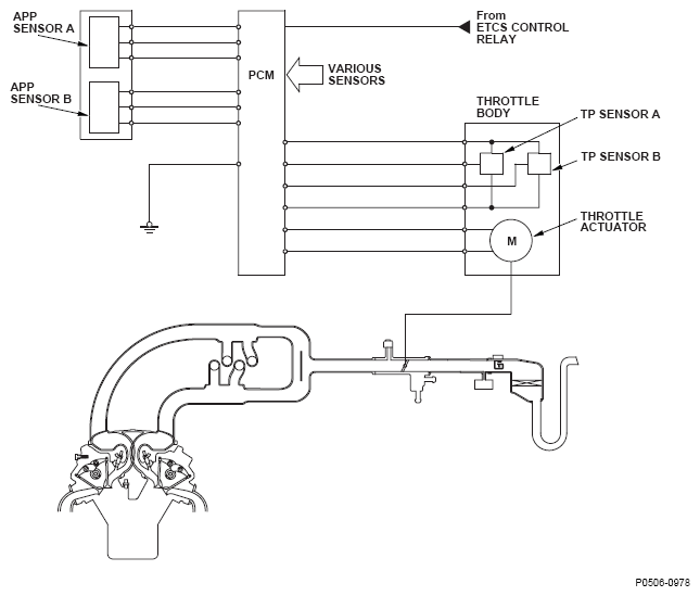
Fig 1: Idle Control System RPM Circuit Diagram
G06124496Courtesy of AMERICAN HONDA MOTOR CO., INC.
Fig 2: Idle Control System Malfunction Graph
G04818011Courtesy of AMERICAN HONDA MOTOR CO., INC.