LEMON Manuals: Even more car manuals for everyone: 1960-2025
Home >> Honda >> 2009 >> S2000 Base >> Repair and Diagnosis >> Brakes >> Traction Control >> VSA (Vehicle Stability Assist) System Components >> VSA Modulator-Control Unit Removal and Installation >> Removal
April 5, 2026: LEMON Manuals is launched! Read the announcement.

VSA Modulator-Control Unit Removal and Installation: Removal

  1. Turn the ignition switch to LOCK (0).
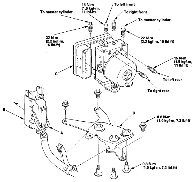
  2. Pull down the lock (A) on the VSA modulator-control unit 47P connector (B), and remove the connector.
    Fig 1: VSA Modulator-Control Unit Components With Torque Specifications
    G06232204Courtesy of AMERICAN HONDA MOTOR CO., INC.
  3. Disconnect the six brake lines from the VSA modulator-control unit (C).
  4. Remove the VSA modulator-control unit with the bracket (D) from the body.
  5. Remove the VSA modulator-control unit from the bracket.