LEMON Manuals: Even more car manuals for everyone: 1960-2025
Home >> Honda >> 2009 >> S2000 L4-2.2L >> Repair and Diagnosis >> Powertrain Management >> Computers and Control Systems >> Description and Operation
April 5, 2026: LEMON Manuals is launched! Read the announcement.

Computers and Control Systems: Description and Operation




Fuel and Emissions System Description

Electronic Control System

The fuel and emission control systems are managed by the engine control module (ECM).

Self-diagnosis

The ECM detects a failure of a signal from a sensor or from another control unit and stores a Temporary DTC or a DTC. Depending on the failure, a DTC is stored in either the first or the second drive cycle. When a DTC is stored, the ECM turns on the malfunction indicator lamp (MIL) by supplying ground to the MIL circuit.

- One Drive Cycle Detection Method
When an abnormality occurs in the signal from a sensor or from another control unit, the ECM stores a DTC and turns on the MIL immediately.

- Two Drive Cycle Detection Method
When an abnormality occurs in the signal from a sensor or from another control unit in the first drive cycle, the ECM stores a Temporary DTC. The MIL does not come on at this time. If the failure continues in the second drive cycle, the ECM stores a DTC and turns on the MIL.

Fail-safe Function

When an abnormality occurs in the signal from a sensor or from another control unit, the ECM ignores that signal and substitutes a pre-programmed value that allows the engine to continue running. This causes a DTC to be stored and the MIL to come on.

MIL Bulb Check and Readiness Code Condition

When the ignition switch is turned to ON (II), the ECM turns on the MIL via the F-CAN circuit for about 15 to 20 seconds to check the bulb condition. If any readiness codes are not set to complete, the MIL flashes five times. If all readiness codes are set to complete, the MIL goes off.

Self Shut Down (SSD) Mode

After the ignition switch is turned to LOCK (0), the ECM stays on (about 25 minutes). If an ECM connector is disconnected during this time, the ECM may be damaged. To cancel this mode, disconnect the negative cable from the battery or jump the SCS line with the HDS after the ignition switch is turned to LOCK (0).

ECM Electrical Connections









ECM Electrical Connections (cont'd)









ECM Inputs and Outputs at Connector A (31P)





NOTE: Standard battery voltage is about 12 V.





ECM Inputs and Outputs at Connector A (31P)





NOTE: Standard battery voltage is about 12 V.





ECM Inputs and Outputs at Connector B (24P)





NOTE: Standard battery voltage is about 12 V.





ECM Inputs and Outputs at Connector D (17P)





NOTE: Standard battery voltage is about 12 V.





ECM Inputs and Outputs at Connector E (31P)





NOTE: Standard battery voltage is about 12 V.









ECM Inputs and Outputs at Connector E (31P)





NOTE: Standard battery voltage is about 12 V.





*1: With A/C

Vacuum Hose Routing





Vacuum Distribution





PGM-FI System

The programmed fuel injection (PGM-FI) system is a sequential multiport fuel injection system.

Air Conditioning (A/C) Compressor Clutch Relay

When the ECM receives a demand for cooling from the A/C system, it delays the compressor from being energized, and enriches the mixture to assure smooth transition to the A/C mode.

Air Fuel Ratio (A/F) Sensor

The A/F sensor operates over a wide air/fuel range. The A/F sensor is installed upstream of the TWC, and sends signals to the ECM which varies the duration of fuel injection accordingly.






Barometric Pressure (BARO) Sensor

The BARO sensor is inside the ECM. It converts atmospheric pressure into a voltage signal that is used by the ECM to modify the basic duration of the fuel injection discharge.

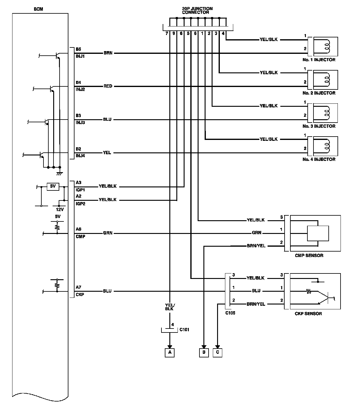
Camshaft Position (CMP) Sensor

The CMP sensor detects the position of the No. 1 cylinder as a reference for sequential fuel injection to each cylinder.






Crankshaft Position (CKP) Sensor

The CKP sensor detects crankshaft speed and is used by the ECM to determine the ignition timing, timing for the fuel injection of each cylinder, and engine misfire detection.






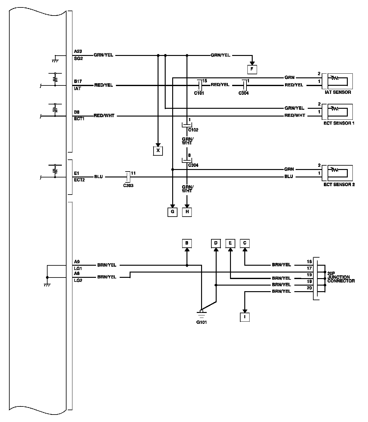
Engine Coolant Temperature (ECT) Sensor 1 and 2

ECT sensor 1 and 2 are temperature dependent resistors (thermistors). The resistance decreases as the engine coolant temperature increases.






Ignition Timing Control

The ECM contains the memory for basic ignition timing at various engine speeds and manifold absolute pressures. It also adjusts the timing according to engine coolant temperature.

Injector Timing and Duration

The ECM contains the memory for basic discharge duration at various engine speeds and manifold absolute pressures. The basic discharge duration, after being read out from the memory, is further modified by signals sent from various sensors to obtain the final discharge duration.

By monitoring long term fuel trim, the ECM detects long term malfunctions in the fuel system and set diagnostic trouble codes (DTCs) if needed.

Intake Air Temperature (IAT) Sensor

The IAT sensor is a temperature dependent resistor (thermistor). The resistance of the thermistor decreases as the intake air temperature increases.






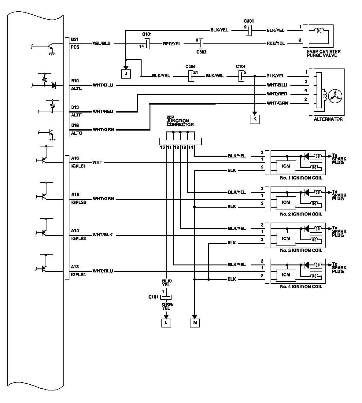
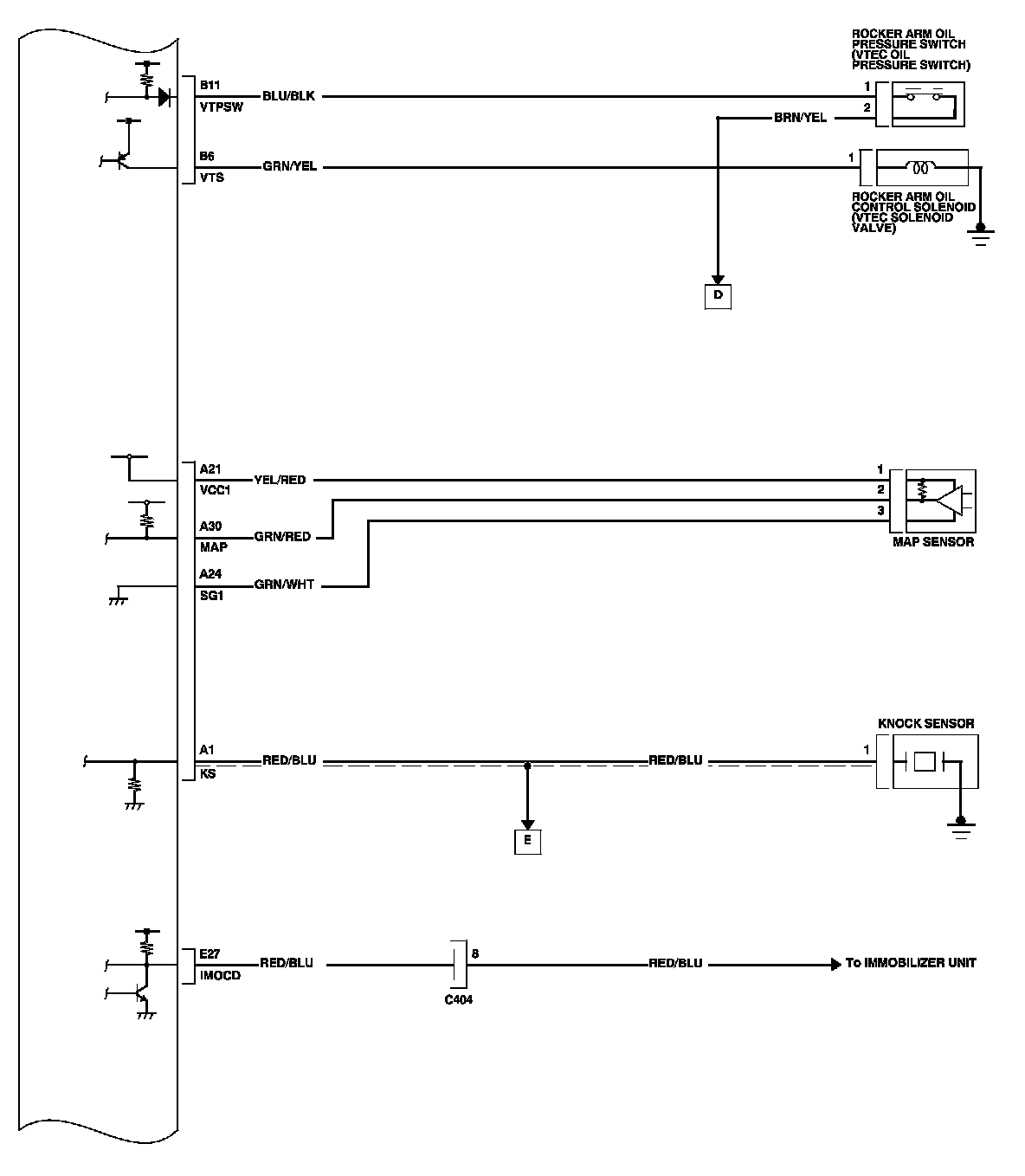
Knock Sensor

The knock control system adjusts the ignition timing to minimize knock.






Malfunction Indicator Lamp (MIL) Indication (In relation to Readiness Codes)

The vehicle has certain readiness codes that are part of the on-board diagnostics for the emissions systems. If the vehicle's battery has been disconnected or gone dead, if the DTCs have been cleared, or if the ECM has been reset, these codes are reset. In some states, part of the emissions testing is to make sure these codes are set to complete. If all of them are not set to complete, the vehicle may fail the test, or the test cannot be finished.

To check if the readiness codes are set to complete, turn the ignition switch to ON (II), but do not start the engine. The MIL will come on for 15-20 seconds. If it then goes off, the readiness codes are complete. If it flashes five times, one or more readiness codes are not complete. To set each code, drive the vehicle or run the engine as described in the procedures. Monitors, Trips, Drive Cycles and Readiness Codes

Manifold Absolute Pressure (MAP) Sensor

The MAP sensor converts manifold absolute pressure into electrical signals to the ECM.






Output Shaft (Countershaft) Speed Sensor

This sensor detects countershaft speed.






Secondary Heated Oxygen Sensor (Secondary HO2S)

The secondary HO2S detects the oxygen content in the exhaust gas downstream of the three way catalytic converter (TWC), and sends signals to the ECM which varies the duration of fuel injection accordingly. To stabilize its output, the sensor has an internal heater. The ECM compares the HO2S output with the A/F sensor output to determine catalyst efficiency. The secondary HO2S is on the TWC.






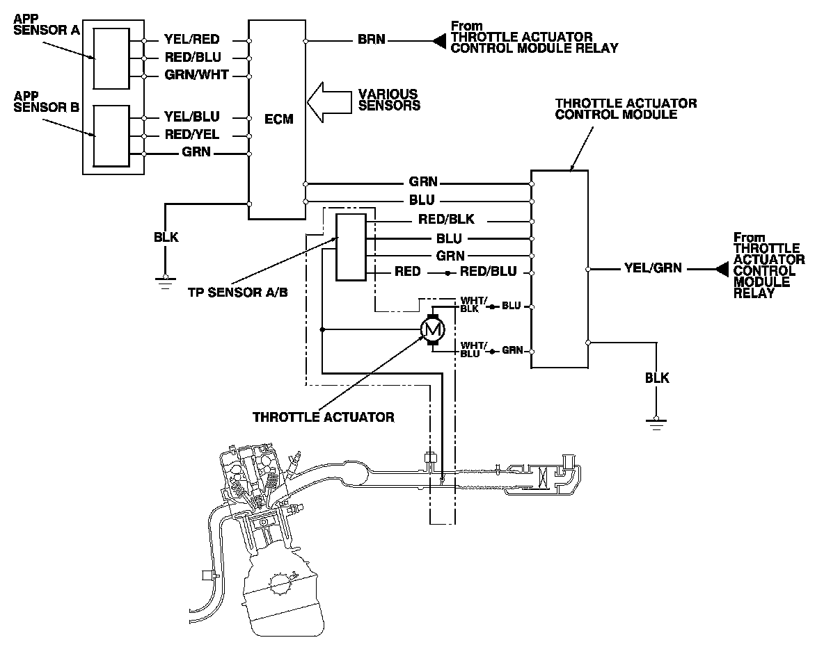
Electronic Throttle Control System

The throttle is electronically controlled by the electronic throttle control system. Refer to the system diagram to see a functional layout of the system.

Idle control: When the engine is idling, the ECM controls the throttle actuator to maintain the proper idle speed according to engine loads.

Acceleration control: When the accelerator pedal is pressed, the ECM opens the throttle valve, depending on the accelerator pedal position (APP) sensor signal.

Cruise control: The ECM controls the throttle actuator to maintain the set speed when the cruise control is operating. The throttle actuator takes the place of the cruise control actuator.

Accelerator Pedal Position (APP) Sensor

As the accelerator pedal position changes, the sensor varies the signal voltage to the ECM.











Throttle Body

The throttle body is a single-barrel side draft type. The lower portion of the throttle valve is heated by engine coolant from the cylinder head to prevent icing of the throttle plate.






Idle Control System

When the engine is cold, the A/C compressor is on, the transmission is in gear, the brake pedal is pressed, the power steering load is high, or the alternator is charging, the ECM sends signals to the throttle actuator to maintain the correct idle speed.

Brake Pedal Position Switch

The brake pedal position switch signals the ECM when the brake pedal is pressed.

Electrical Power Steering (EPS) Signal

The EPS signals the ECM when the power steering load is high.

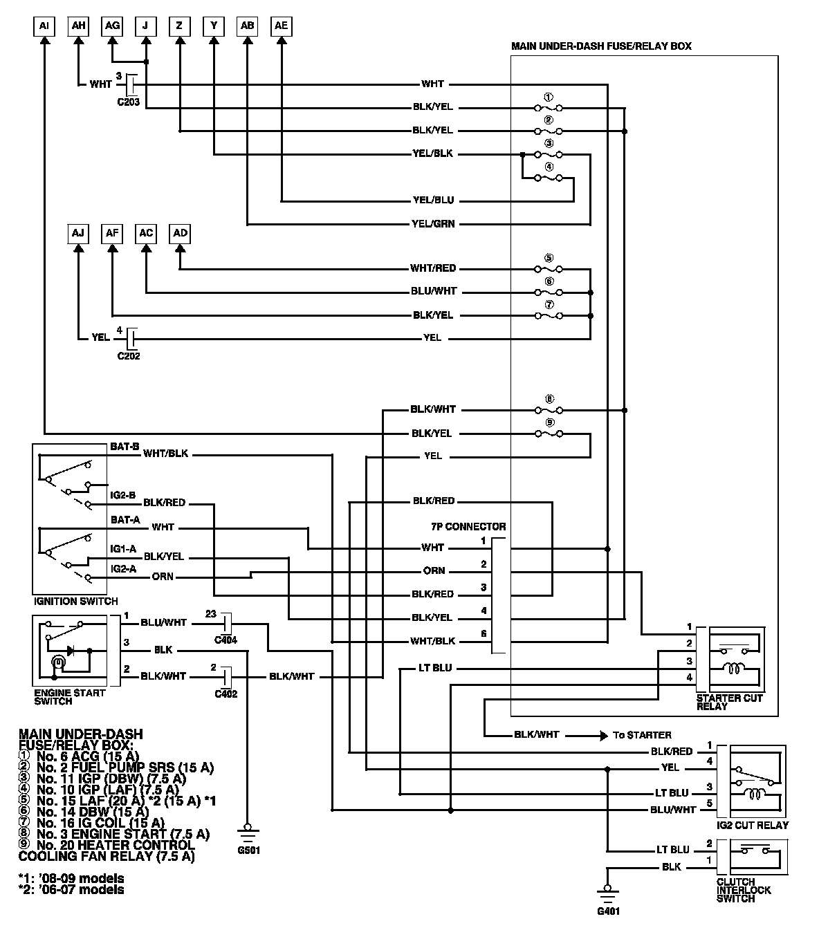
Engine Start Switch

The engine start switch signals the ECM when the engine is cranking.

Fuel Supply System

Fuel Cutoff Control

During deceleration with the throttle valve closed, current to the injectors is cut off to improve fuel economy at engine speeds over 1,050 rpm. Fuel cutoff control also occurs when the engine speed exceeds 8,200 rpm, regardless of the position of the throttle valve, to protect the engine from over-revving. On a cold engine, fuel cut occurs at a lower engine speed.

Fuel Pump Control

When the ignition switch is turned to ON (II), the ECM grounds PGM-FI main relay 2 (FUEL PUMP) which feeds current to the fuel pump for 2 seconds to pressurize the fuel system. With the engine running, the ECM grounds PGM-FI main relay 2 (FUEL PUMP) and feeds current to the fuel pump. When the engine is not running and the ignition switch is turned to ON (II), the ECM cuts ground to PGM-FI main relay 2 (FUEL PUMP) which cuts current to the fuel pump.

PGM-FI Main Relay 1 (FI MAIN) and 2 (FUEL PUMP)

PGM-FI main relay 1 (FI MAIN) is energized whenever the ignition switch is turned to ON (II), to supply battery voltage to the ECM, power to the injectors, and power for PGM-FI main relay 2 (FUEL PUMP). PGM-FI main relay 2 (FUEL PUMP) is energized to supply power to the fuel pump for 2 seconds when the ignition switch is turned to ON (II), and when the engine is cranking or running.

Catalytic Converter System

TWC (Three Way Catalytic Converter)

The TWC converts hydrocarbons (HC), carbon monoxide (CO), and oxides of nitrogen (NOx) in the exhaust gas to carbon dioxide (CO2), nitrogen (N2), and water vapor.






Positive Crankcase Ventilation (PCV) System

The PCV valve prevents blow-by gases from escaping into the atmosphere by venting them into the intake manifold.






Evaporative Emission (EVAP) Control System

Refer to the system diagram to see a functional layout of the system.

EVAP Canister

The EVAP canister temporarily stores fuel vapor from the fuel tank until it can be purged from the EVAP canister into the engine and burned.

EVAP Canister Purge Valve

When the engine coolant temperature is below 149 °F (65 °C), the ECM turns off the EVAP canister purge valve which cuts vacuum to the EVAP canister.

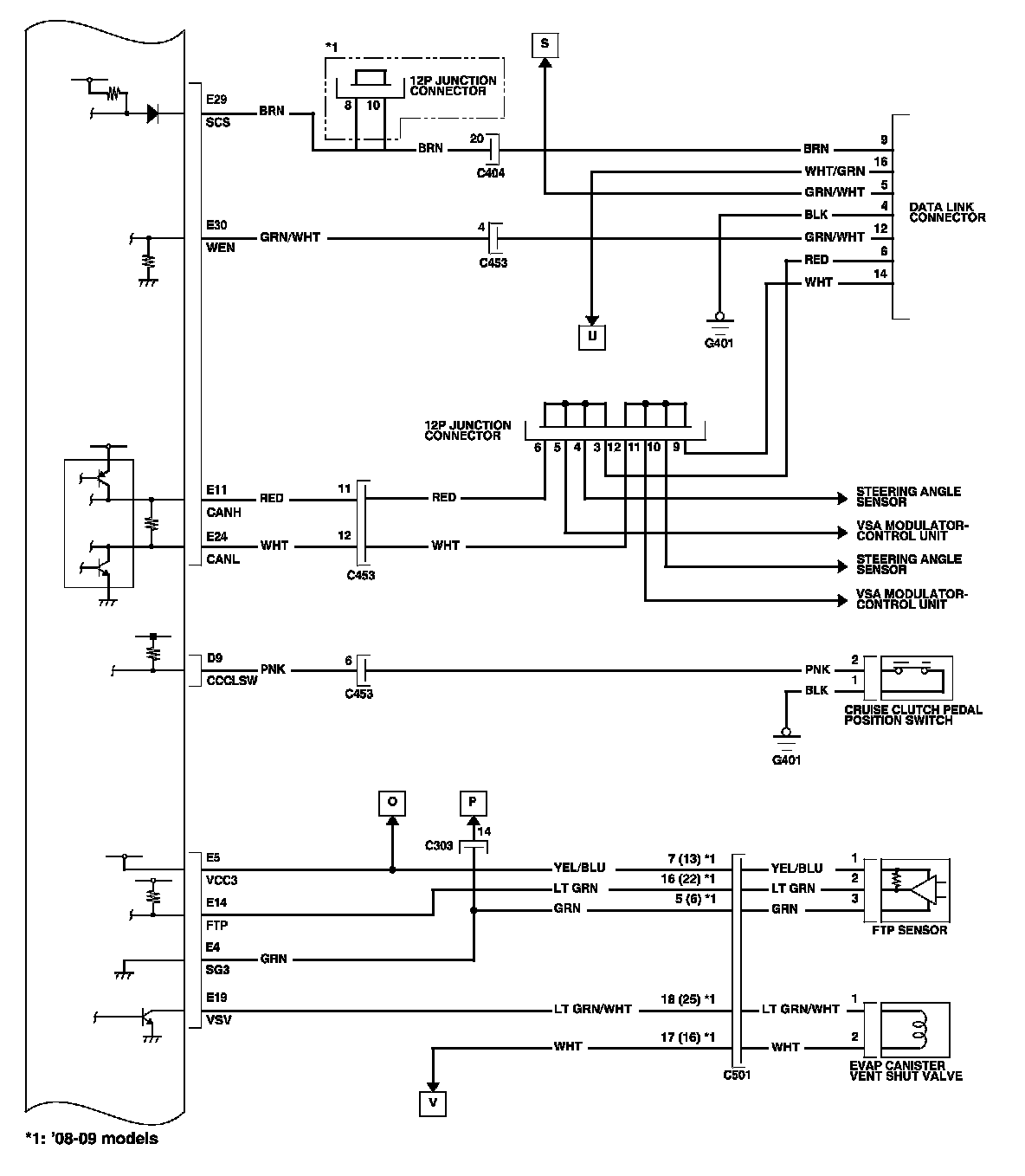
Fuel Tank Pressure (FTP) Sensor

The FTP sensor converts fuel tank absolute pressure into an electrical input to the ECM.






EVAP Canister Vent Shut Valve

The EVAP canister vent shut valve is on the EVAP canister.

The EVAP canister vent shut valve controls the venting of the EVAP canister.






Fuel Cap Warning Message

The ECM detects a loose or missing fuel fill cap as an evaporative system leak, and alerts the driver by showing a warning message in the gauge display.

First drive cycle

The first time a leak is detected, a CHECK FUEL CAP message is shown in the gauge display (A). To scroll to another message, press the select/reset button. The CHECK FUEL CAP message appears each time you restart the engine until the system turns the message off. Turn the engine off, then replace or tighten the fuel fill cap until it clicks at least once.






To make the message go off (With the HDS)

Procedure

1. Tighten the fuel fill cap until it clicks.

2. Clear the Temporary DTC with the HDS.

3. Verify there is no leak by doing the EVAP FUNCTION TEST in the INSPECTION MENU with the HDS.

To make the message go off (Without the HDS) ('06-07 models)

Procedure

4. Tighten the fuel fill cap until it clicks.

5. The message should go off after several days of normal driving.

To make the message go off (Without the HDS) ('08-09 models)

Procedure

6. Tighten the fuel fill cap until it clicks.

7. Start the engine, then turn the ignition switch to LOCK (0).

8. Repeat step 7 two more times.

Electronic Throttle Control System Diagram

The electronic throttle control system consists of the throttle actuator, throttle position (TP) sensor A/B, accelerator pedal position (APP) sensor A/B, the throttle actuator control module, and the ECM.






Evaporative Emission (EVAP) Control Diagram

The EVAP controls minimize the amount of fuel vapor escaping to the atmosphere. Vapor from the fuel tank is temporarily stored in the EVAP canister until it can be purged from the canister into the engine and burned.

The EVAP canister is purged by drawing fresh air through it and into a port on the intake manifold.

The purging vacuum is controlled by the EVAP canister purge valve, which operates whenever the engine coolant temperature is above 149 °F (65 °C).






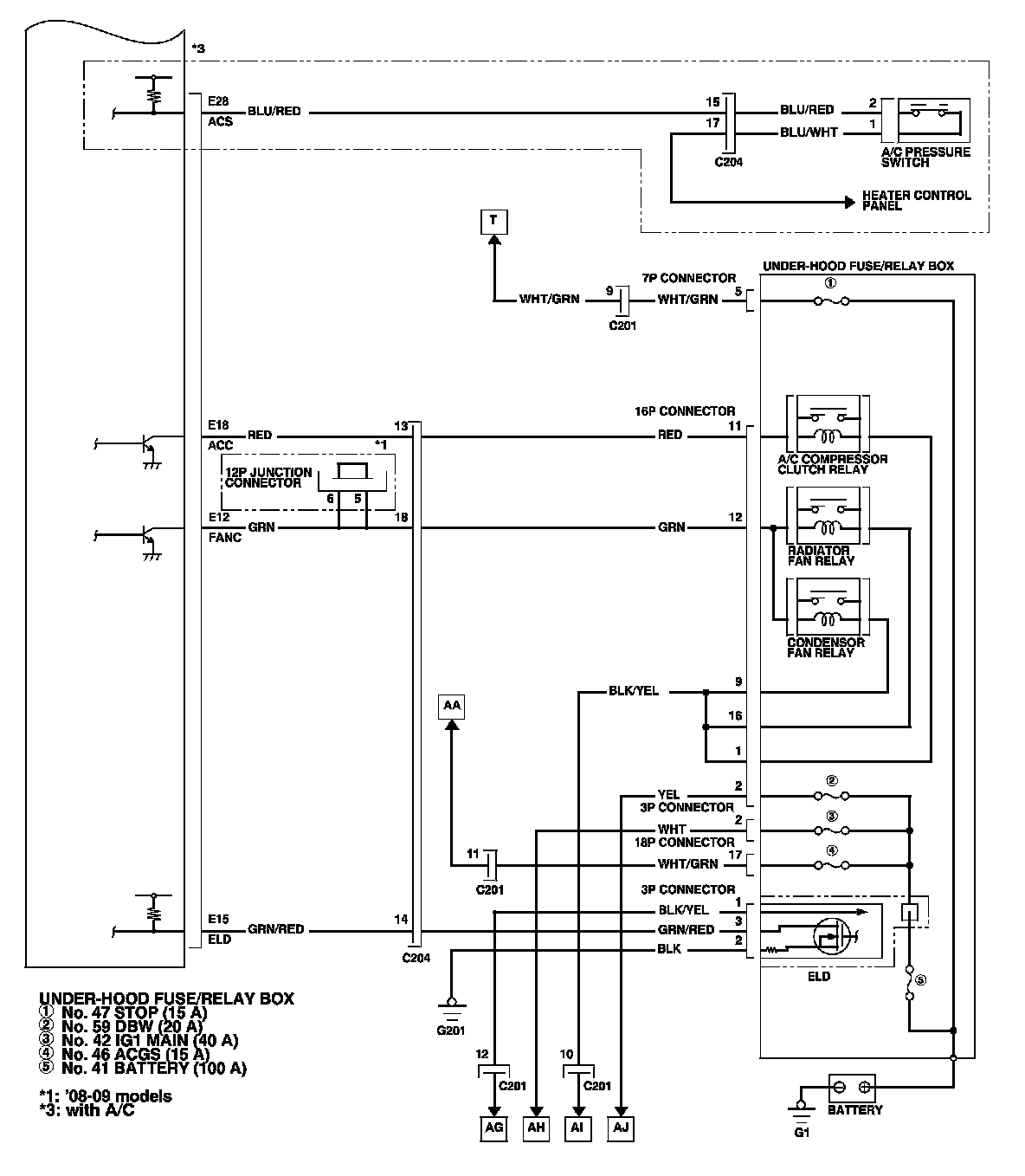
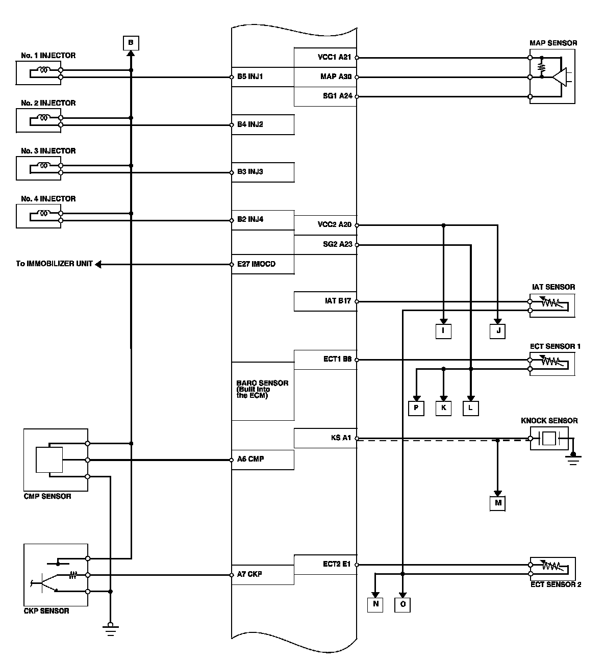
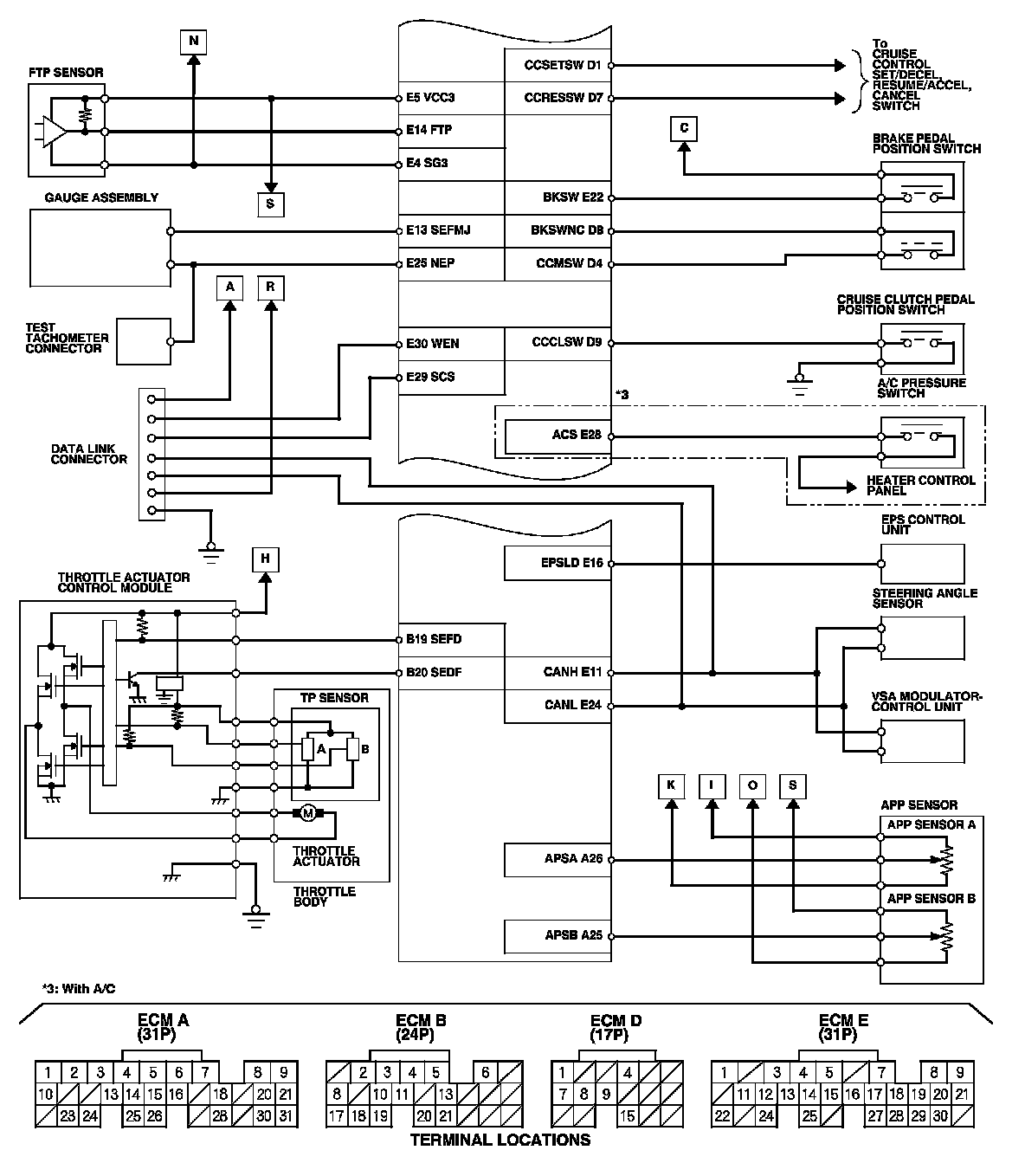
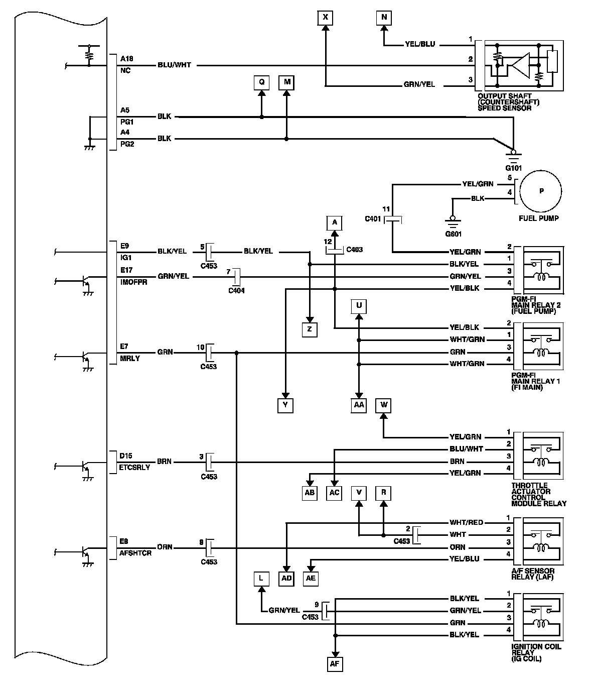
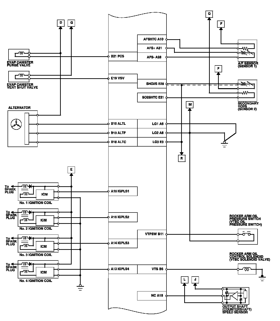
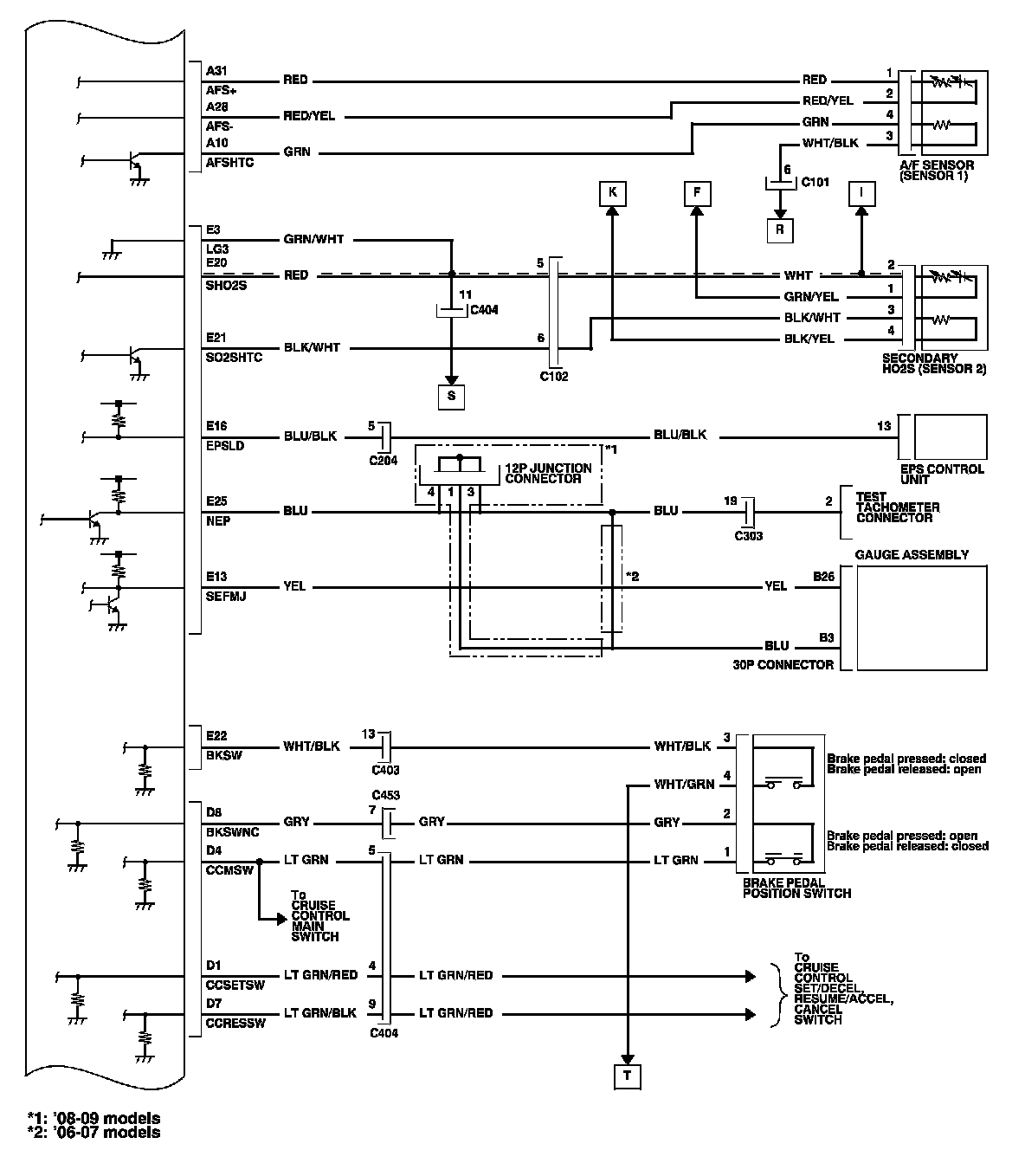
ECM Circuit Diagram





ECM Circuit Diagram (cont'd)









ECM Circuit Diagram (cont'd)









ECM Circuit Diagram (cont'd)









ECM Circuit Diagram (cont'd)









ECM Circuit Diagram (cont'd)