LEMON Manuals: Even more car manuals for everyone: 1960-2025
Home >> Honda >> 2010 >> CR-V 2WD L4-2.4L >> Repair and Diagnosis >> Brakes and Traction Control >> Antilock Brakes / Traction Control Systems >> Traction Control Module >> Service and Repair
April 5, 2026: LEMON Manuals is launched! Read the announcement.

Traction Control Module: Service and Repair




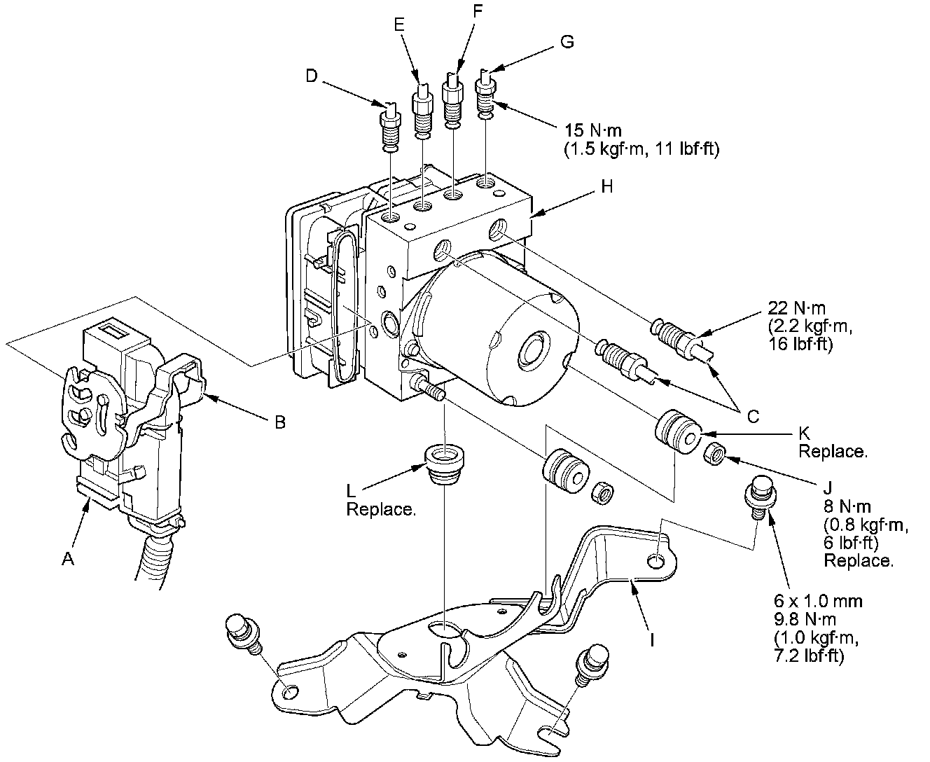
VSA Modulator-Control Unit Removal and Installation

NOTICE
Do not spill brake fluid on the vehicle; it may damage the paint; if brake fluid gets on the paint, wash it off immediately with water.

NOTE:

- Be careful not to damage or deform the brake lines during removal and installation.
- After removal, plug the ends of the hoses and joints to prevent spilling brake fluid.

Removal

1. Turn the ignition switch to LOCK (0).

2. Disconnect the VSA modulator-control unit 46P connector (A) by pulling up the lock (B); the connector disconnects itself.





3. Disconnect the six brake lines from the VSA modulator-control unit.

NOTE: Brake lines are connected to the master cylinder (C) and to the right-front (D), the left-rear (E), the right-rear (F), and the left-front (G) brake systems.

4. Remove the VSA modulator-control unit (H) with the bracket (I) from the body.

5. Remove the locknuts (J), then remove the VSA modulator-control unit from the bracket.

NOTE: During installation, install a new bushing (K) and new grommet (L). Otherwise, unwanted noise and vibration may be transmitted to the vehicle.

Installation

1. Install a new bushing and new grommets (Otherwise, unwanted noise and vibration may be transmitted to the vehicle).

2. Install the VSA modulator-control unit to the bracket, then install new locknuts.

3. Install the bracket with the VSA modulator-control unit.

4. Reconnect the six brake lines, then tighten the flare nuts to the specified torque.

5. Align the connecting surface of the VSA modulator-control unit 46P connector to the VSA modulator-control unit.

6. Lower the lock of the VSA modulator-control unit 46P connector, then confirm that the connector is fully seated.

7. Bleed the brake system Service and Repair.

8. Start the engine, and make sure that the ABS and the VSA indicators go off.

9. Test-drive the vehicle, and make sure that the ABS and VSA indicators do not come on.

NOTE: If the brake pedal is spongy, there may be air trapped in the modulator, and then induced into the normal brake system during modulation. Bleed the brake system again Service and Repair.