LEMON Manuals: Even more car manuals for everyone: 1960-2025
Home >> Honda >> 2010 >> CR-V EX, 2.4 RE3 >> Repair and Diagnosis >> Engine Performance >> System >> VTEC/VTC >> Rocker Arm Oil Control Valve Removal/Installation
April 5, 2026: LEMON Manuals is launched! Read the announcement.

Rocker Arm Oil Control Valve Removal/Installation

  1. Remove the under-cowl panel (see UNDER-COWL PANEL REPLACEMENT ).
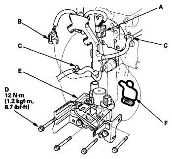
  2. Disconnect the rocker arm oil control solenoid connector (A) and the rocker arm oil pressure switch connector (B).
    Fig 1: Rocker Arm Oil Control Solenoid Connector And Rocker Arm Oil Pressure Switch Connector With Torque Specifications
    G06610504Courtesy of AMERICAN HONDA MOTOR CO., INC.
  3. Remove the harness clamps (C) and the bolts (D).
  4. Remove the rocker arm oil control valve assembly (E) and the rocker arm oil control valve filter (F).
  5. Remove the engine wire harness bracket (A) from the rocker arm oil control valve (B).
    Fig 2: Engine Wire Harness Bracket And Rocker Arm Oil Control Valve With Torque Specifications
    G06610505Courtesy of AMERICAN HONDA MOTOR CO., INC.
  6. Install the parts in the reverse order of removal with a new rocker arm oil control valve filter.