LEMON Manuals: Even more car manuals for everyone: 1960-2025
Home >> Honda >> 2010 >> Element 4WD L4-2.4L >> Repair and Diagnosis >> Powertrain Management >> Computers and Control Systems >> Relays and Modules - Computers and Control Systems >> Engine Control Module >> Service and Repair >> ECM/PCM Replacement
April 5, 2026: LEMON Manuals is launched! Read the announcement.

ECM/PCM Replacement




ECM/PCM Replacement

Special Tools Required

- Honda Diagnostic System (HDS) tablet tester
- Honda Interface Module (HIM) and an iN workstation with the latest HDS software version
- HDS pocket tester
- GNA600 and an iN workstation with the latest HDS software version
- MVCI unit with the latest control module (CM) update software installed
Any one of the above updating tools can be used.

1. Connect the HDS to the data link connector (DLC) (A) located under the driver's side of the dashboard.





2. Turn the ignition switch to ON (II).

3. Make sure the HDS communicates with the ECM/PCM and other vehicle systems. If it doesn't, go to the DLC circuit troubleshooting Testing and Inspection. If you are returning from DLC circuit troubleshooting, skip steps 4 through 7, 21 through 23, and 26 and 27, then do this after replacing the ECM/PCM:

- Replace the engine oil Service and Repair and the engine oil filter Service and Repair.
- Clean the throttle body Procedures.

4. Select the PGM-FI system with the HDS.

5. Select the INSPECTION MENU with the HDS.

6. Select the ETCS TEST, then select the TP POSITION CHECK, and follow the screen prompts.

NOTE: If the TP POSITION CHECK indicates FAILED, continue with this procedure.

7. Select the REPLACE ECM/PCM MENU, then select READ DATA and follow the screen prompts.

NOTE:

- Doing this step copies (READS) the engine oil life data from the original ECM/PCM so you can later download (WRITE) it into the new ECM/PCM.
- If READ DATA indicates FAILED, continue with this procedure.

8. Turn the ignition switch to LOCK (0).

9. Jump the SCS line with the HDS.

10. Remove the passenger's dashboard undercover Passenger's Dashboard Undercover Removal/Installation, the side kick panel Service and Repair, and the glove box Service and Repair.

11. Cut the plastic cross brace in the glove box opening with diagonal cutters in the area shown, and discard it.






12. Remove the relays (A), then remove the bolts (B), and the glove box frame (C).






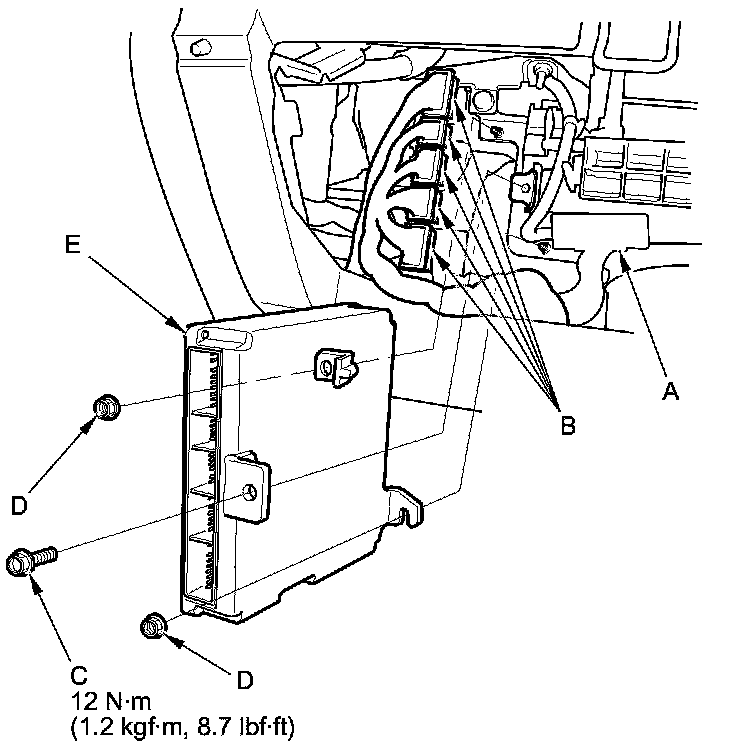
13. Remove the gray 20P ECM/PCM wire harness connector (A) from the ECM/PCM mounting bracket.





14. Disconnect the ECM/PCM connectors (B).

15. Remove the ECM/PCM mounting bolt (C) and the bracket.

16. Remove the nuts (D), then remove the ECM/PCM (E).

17. Install the parts in the reverse order of removal.

18. Open the SCS line with the HDS.

19. Turn the ignition switch to ON (II).

20. Manually input the VIN to the ECM/PCM with the HDS.

NOTE: DTC P0630 VIN Not Programmed or Mismatch may be stored because the VIN has not been programmed into the ECM/PCM; ignore it, and continue this procedure.

21. If the READ DATA (engine oil life) failed in step 7, go to step 24. Otherwise, go to step 22.

22. Select the PGM-FI system with the HDS.

23. Select the REPLACE ECM/PCM MENU, then select WRITE DATA and follow the screen prompts.

NOTE: If the WRITE DATA indicates FAILED, continue with this procedure.

24. Select the IMMOBI system with the HDS.

25. Enter the immobilizer ECM/PCM code that you got from the iN, and use the ECM/PCM replacement procedure in the IMMOBI MENU of the HDS; it allows you to start the engine.

26. If the TP POSITION CHECK failed in step 6, clean the throttle body Procedures, then go to step 27.

27. If the READ DATA failed in step 7 or the WRITE DATA failed in step 23, replace the engine oil Service and Repair and the engine oil filter Service and Repair, then go to step 28.

28. Select the PGM-FI system, and reset the ECM/PCM with the HDS.

29. Update the ECM/PCM if it does not have the latest software ECM/PCM Update.

30. Do the ECM/PCM idle learn procedure ECM/PCM Idle Learn Procedure.

31. Do the CKP pattern clear/CKP pattern learn procedure.