Audio-Navigation Unit (Navigation) (View 244)
- Behind audio-navigation unit
Connector A
- GRY
- On dashboard wire harness A (right branch)
Connector B
- GRY
- On dashboard wire harness A (right branch)
* = The shielded wires have a heat-shrunk tube insulating the outside of the wire. The color of the insulating tube, typically black or dark gray, may not match the color of the wire listed on the schematic.
Connector C
- GRY
- On dashboard wire harness A (right branch)
Connector D
- WHT
- On dashboard wire harness A (right branch)
* = The shielded wires have a heat-shrunk tube insulating the outside of the wire. The color of the insulating tube, typically black or dark gray, may not match the color of the wire listed on the schematic.
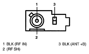
Connector E
- GRY
- On antenna sub-lead
Connector F
- GRY
- On dashboard wire harness A (right branch)
Connector G
- GRY
- On dashboard wire harness A (right branch)
* = The shielded wires have a heat-shrunk tube insulating the outside of the wire. The color of the insulating tube, typically black or dark gray, may not match the color of the wire listed on the schematic.
Connector H
- GRY
- On GPS antenna harness