LEMON Manuals: Even more car manuals for everyone: 1960-2025
Home >> Honda >> 2010 >> Fit L4-1.5L >> Repair and Diagnosis >> Relays and Modules >> Relays and Modules - Brakes and Traction Control >> Electronic Brake Control Module >> Service and Repair
April 5, 2026: LEMON Manuals is launched! Read the announcement.

Electronic Brake Control Module: Service and Repair




ABS Modulator-Control Unit Removal and Installation

NOTE:

- Do not spill brake fluid on the vehicle; it may damage the paint. If brake fluid gets on the paint, wash it off immediately with water.
- Be careful not to damage or bend the brake lines during removal and installation.
- To prevent the brake fluid from dripping, plug and cover the hose ends and joints with a shop towel.

Removal

1. Turn the ignition switch to LOCK (0).

2. Move the washer reservoir Service and Repair.

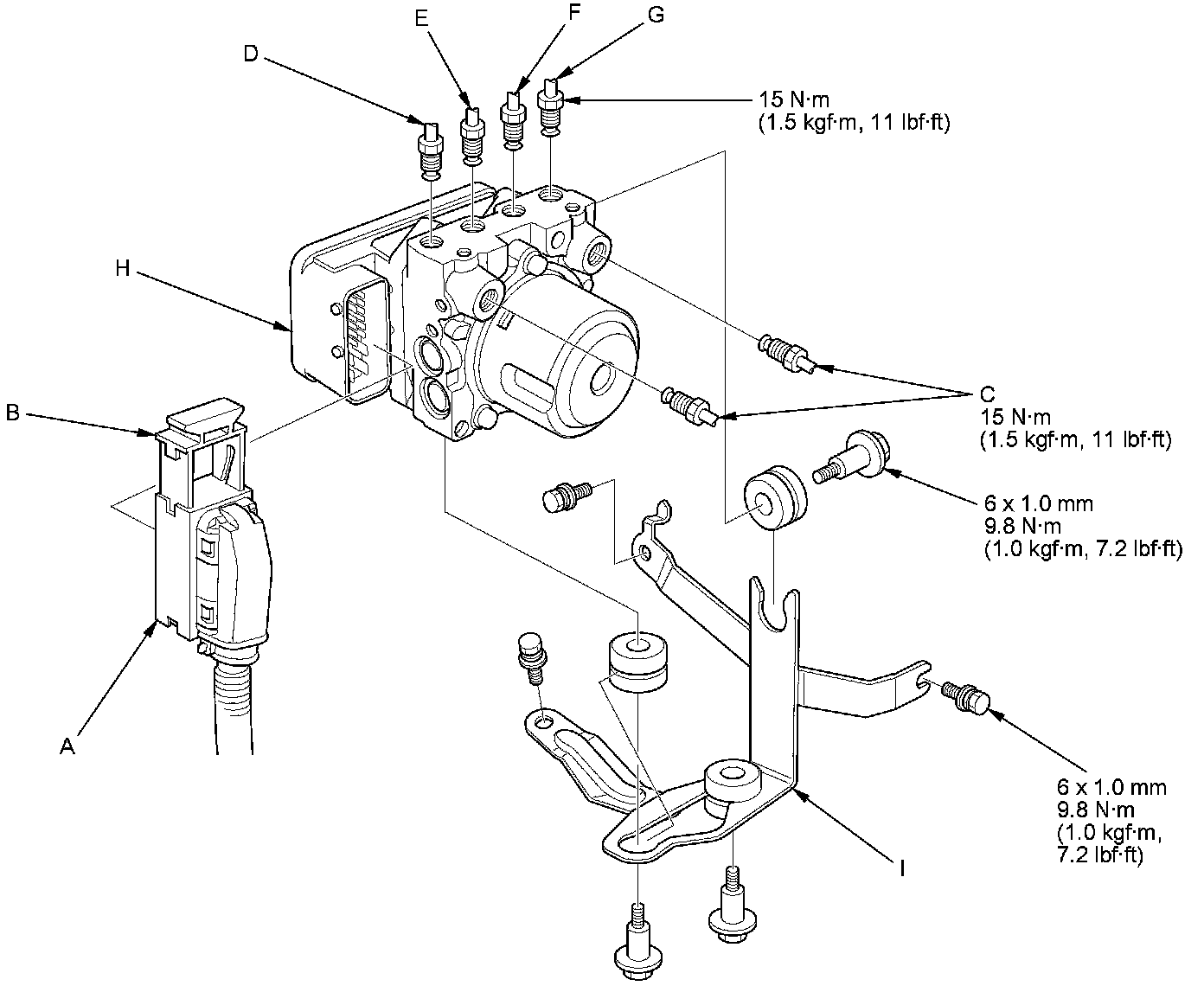
3. Disconnect the ABS modulator-control unit 25P connector (A) by pulling up the lock (B); the connector disconnects itself.





4. Disconnect the six brake lines from the ABS modulator-control unit.

NOTE: Brake lines are connected to the master cylinder (C) and to the right-front (D), the left-rear (E), the right-rear (F), and the left-front (G) brake systems.

5. Remove the ABS modulator-control unit (H) with the bracket (I) from the body.

6. Remove the ABS modulator-control unit from the bracket.

Installation

1. Install the ABS modulator-control unit onto the bracket.

2. Install the bracket with the ABS modulator-control unit to the body.

3. Reconnect the six brake lines, then tighten the flare nuts to the specified torque.

4. Align the connecting surface of the ABS modulator-control unit 25P connector to the ABS modulator-control unit.

5. Lower the lock of the ABS modulator-control unit 25P connector, then confirm the connector is fully seated.

6. Install the washer reservoir Service and Repair.

7. Bleed the brake system Service and Repair.

8. Start the engine, and check that the ABS indicator goes off.

9. Test-drive the vehicle, and make sure the ABS indicator does not come on.

NOTE: If the brake pedal is spongy, there may be air trapped in the modulator which could then be induced into the normal brake system during modulation. Bleed the brake system again Service and Repair.