LEMON Manuals: Even more car manuals for everyone: 1960-2025
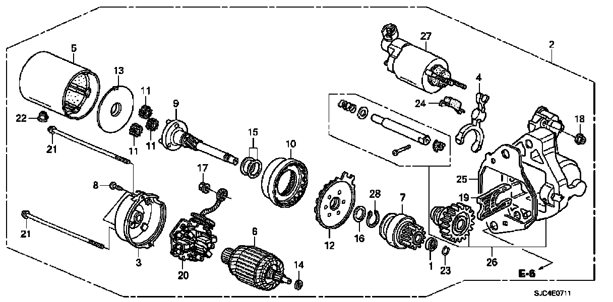
Home >> Honda >> 2010 >> Ridgeline V6-3.5L >> Parts and Labor >> Starting and Charging >> Starting System >> Images
April 5, 2026: LEMON Manuals is launched! Read the announcement.

Images

Starter Motor (Denso):