LEMON Manuals: Even more car manuals for everyone: 1960-2025
Home >> Honda >> 2010 >> Ridgeline V6-3.5L >> Repair and Diagnosis >> Heating and Air Conditioning >> Control Assembly >> Service and Repair >> HVAC Control Unit Removal/Installation (Without Climate Control)
April 5, 2026: LEMON Manuals is launched! Read the announcement.

HVAC Control Unit Removal/Installation (Without Climate Control)




HVAC Control Unit Removal/Installation

1. Remove the instrument panel Instrument Panel Removal/Installation.

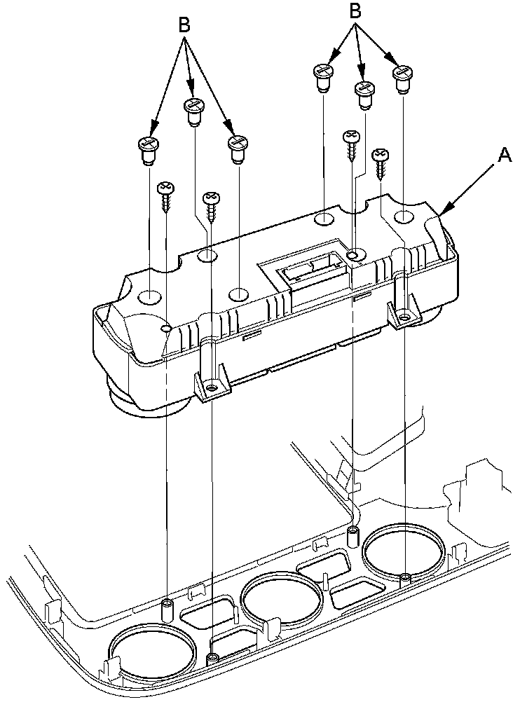
2. Remove the self-tapping screws, and the HVAC control unit (A). If necessary, replace the bulbs (B).





3. Install the control unit in the reverse order of removal. After installation, operate the HVAC control unit in various functions to confirm that it works properly.

4. Run the self-diagnosis function to confirm that there are no problems in the system.