LEMON Manuals: Even more car manuals for everyone: 1960-2025
Home >> Honda >> 2011 >> Accord V6-3.5L >> Repair and Diagnosis >> Powertrain Management >> Computers and Control Systems >> Description and Operation >> Fuel And Emissions System Description - Electronic Control System >> Part Two
April 5, 2026: LEMON Manuals is launched! Read the announcement.

Part Two




Fuel and Emissions System Description


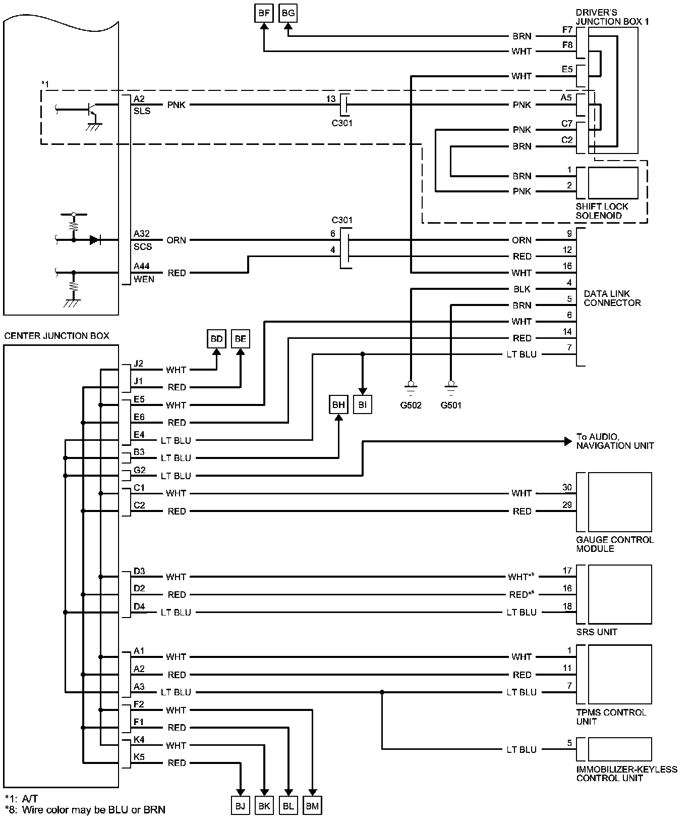
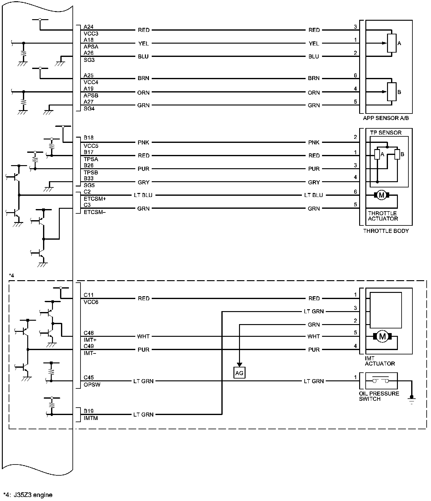
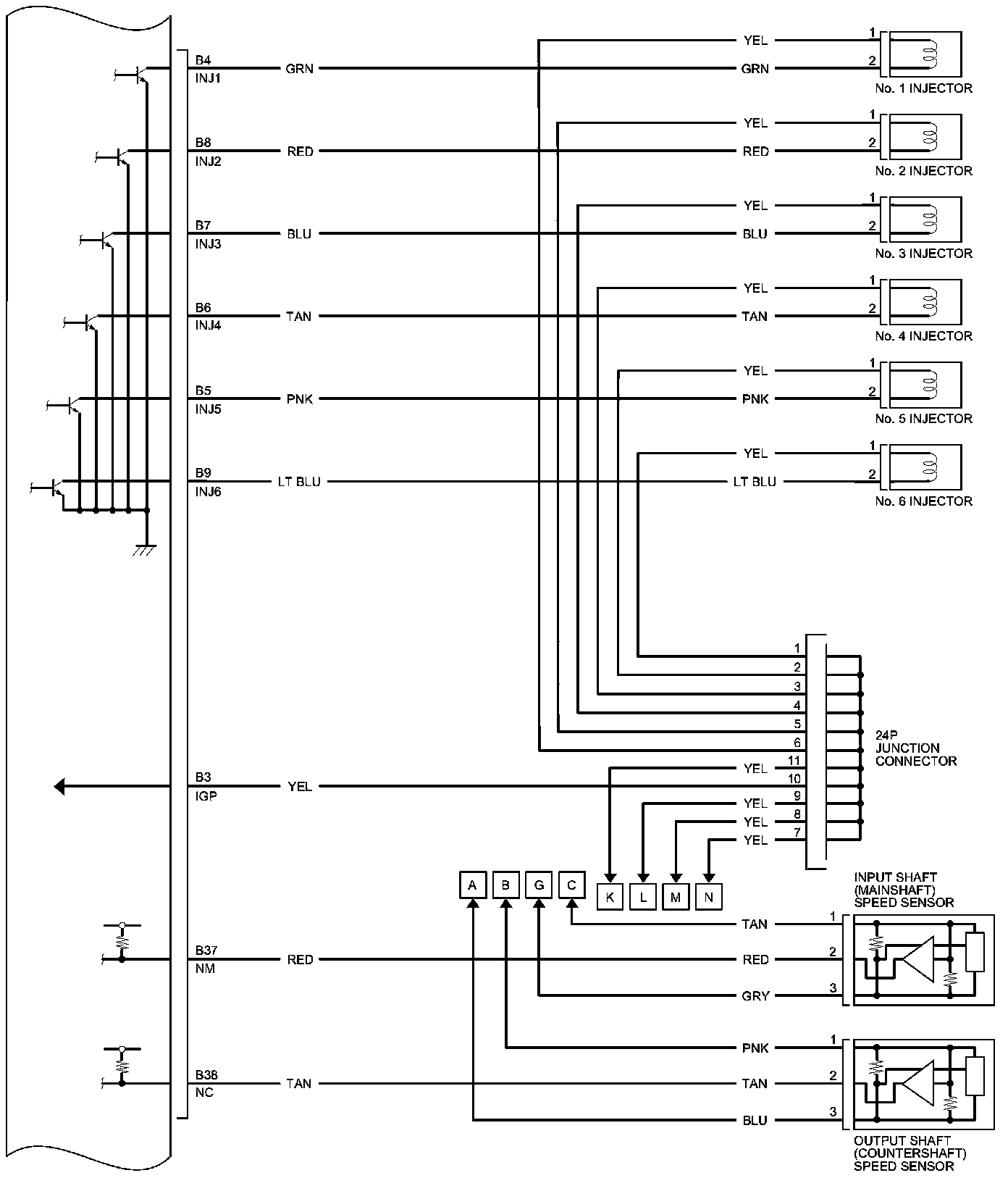
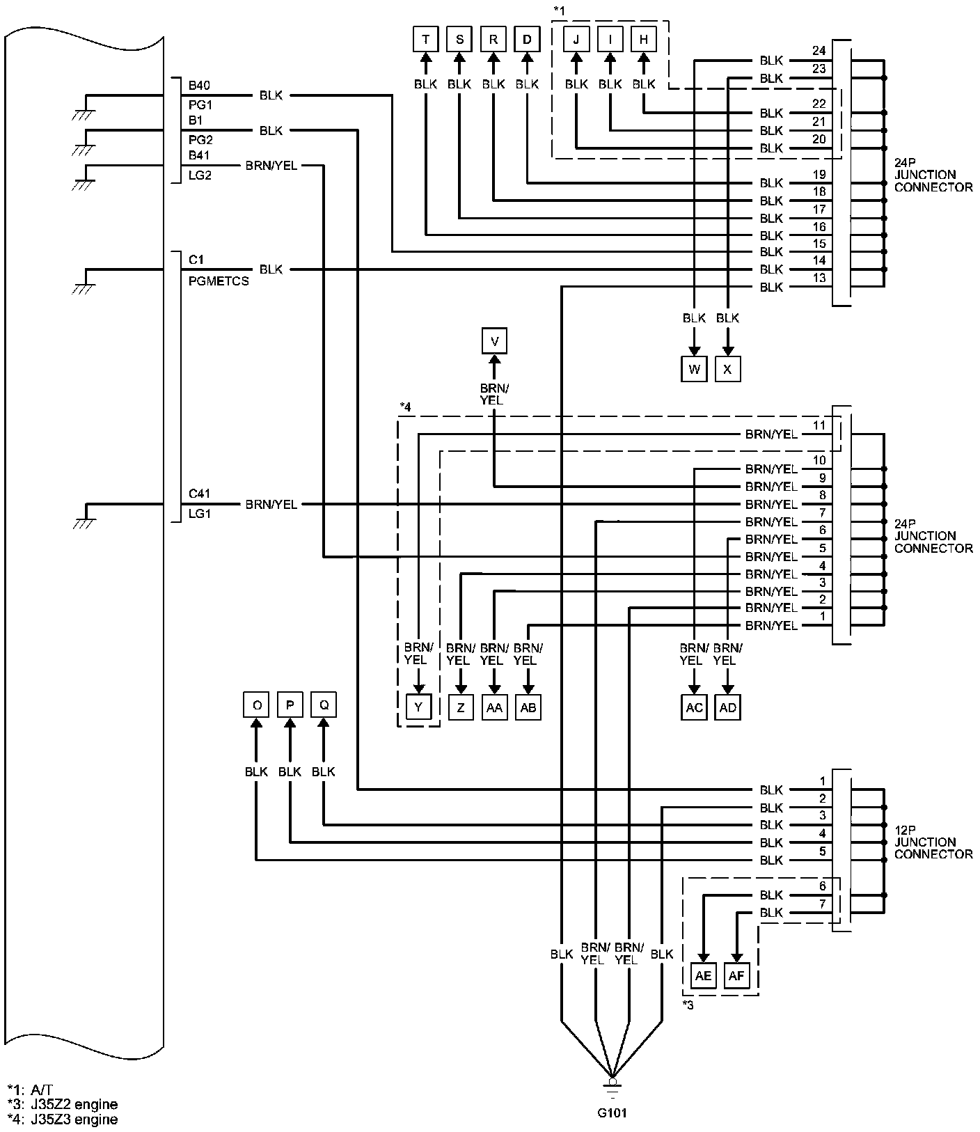
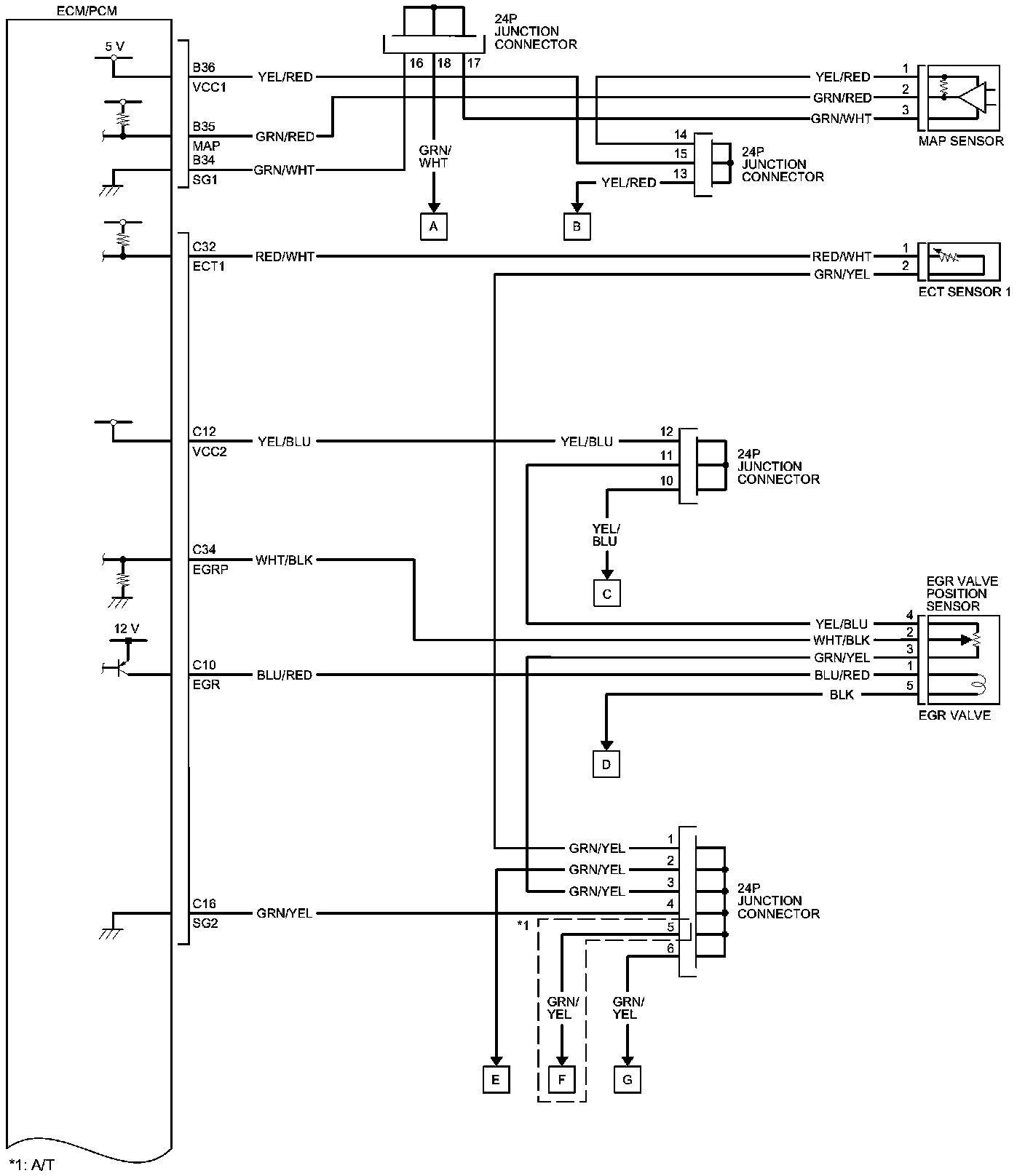
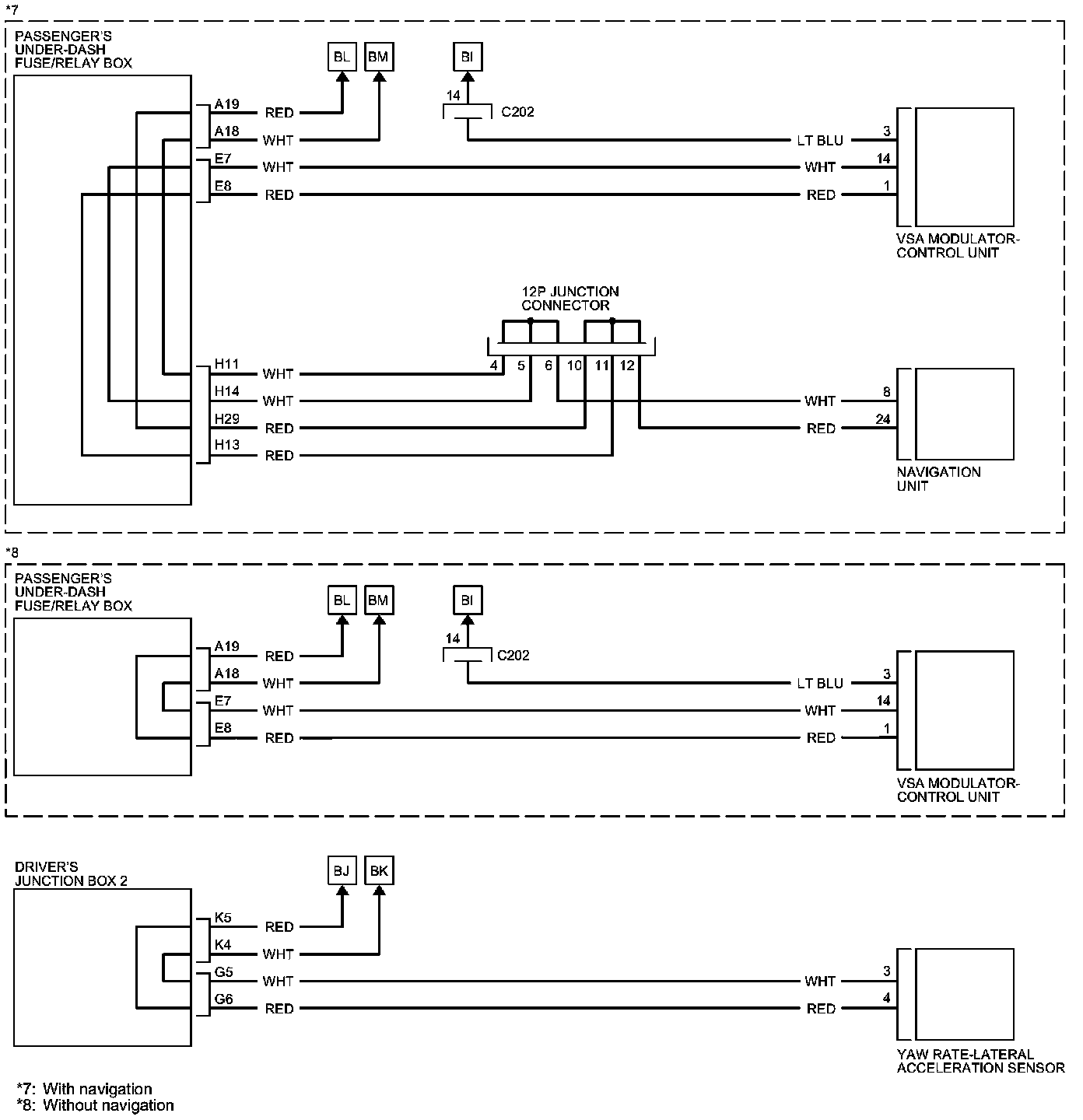
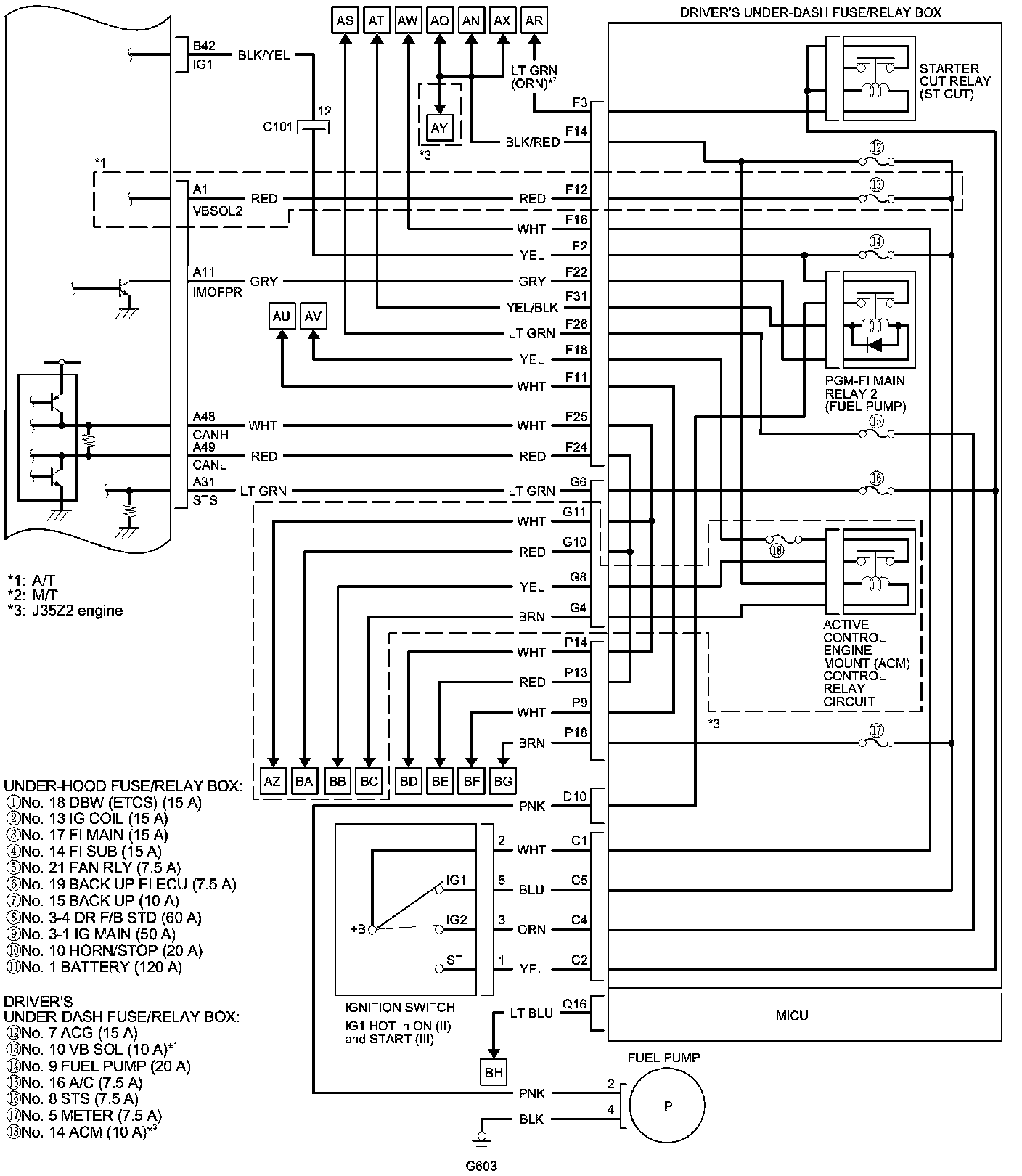
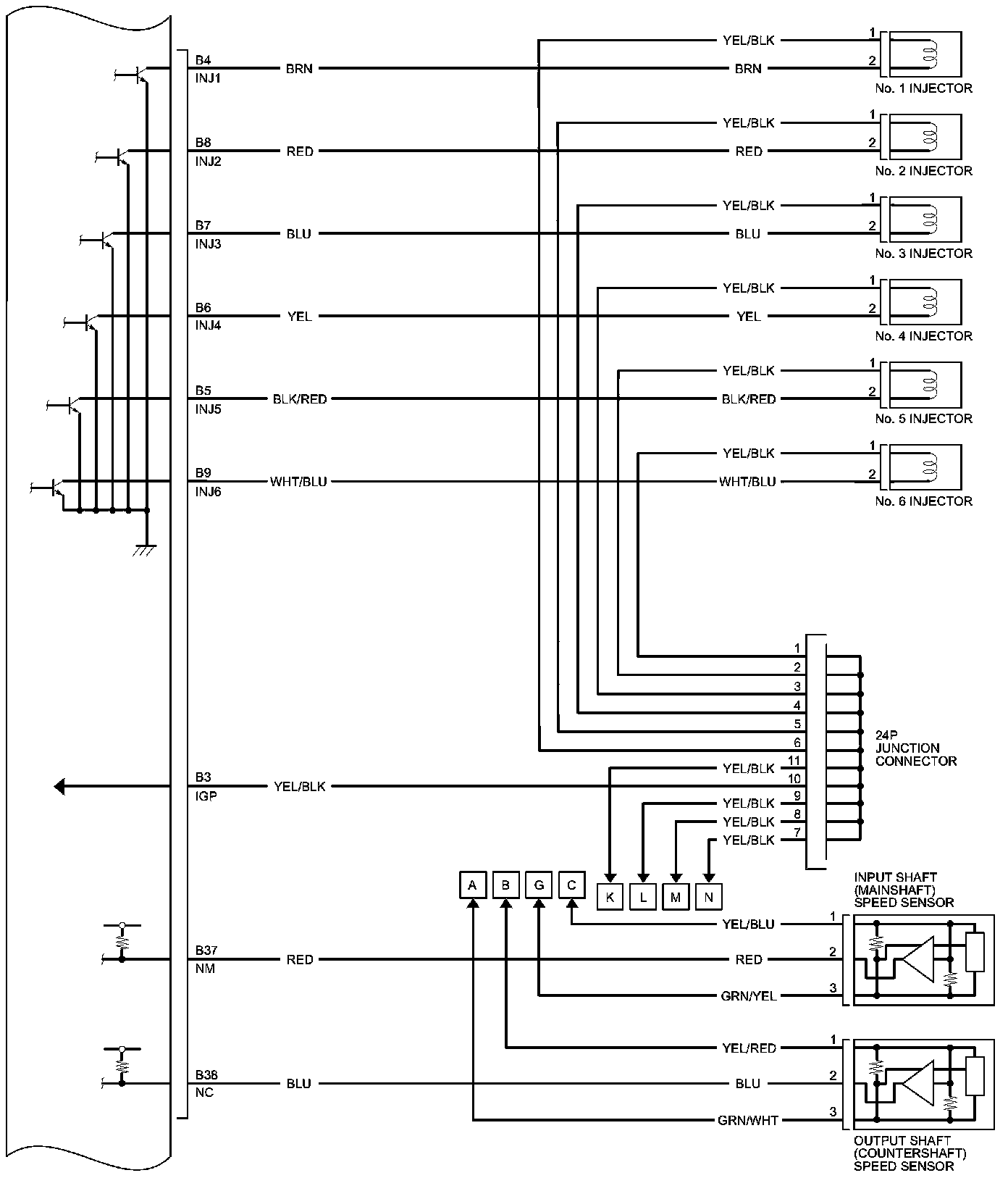
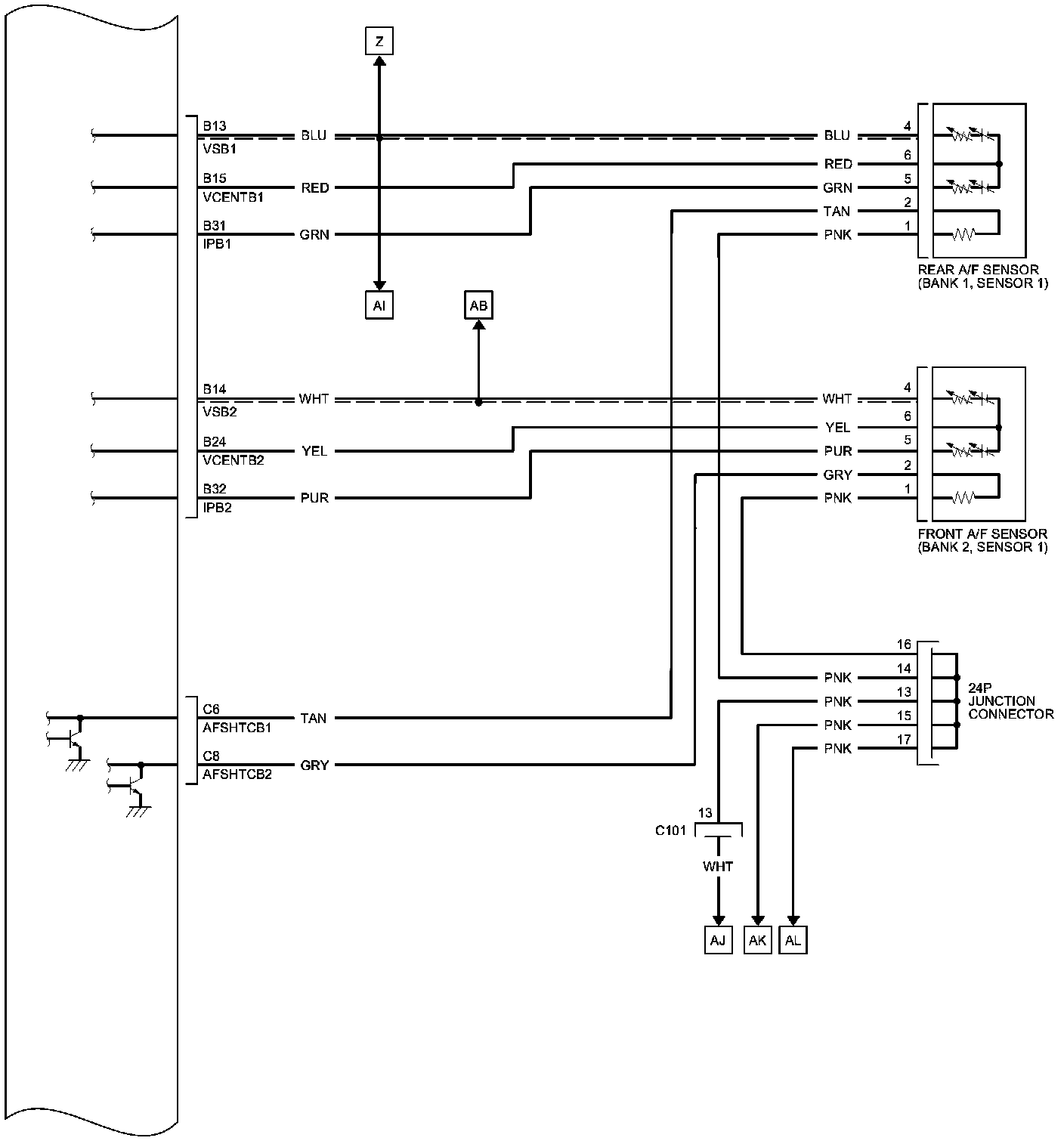
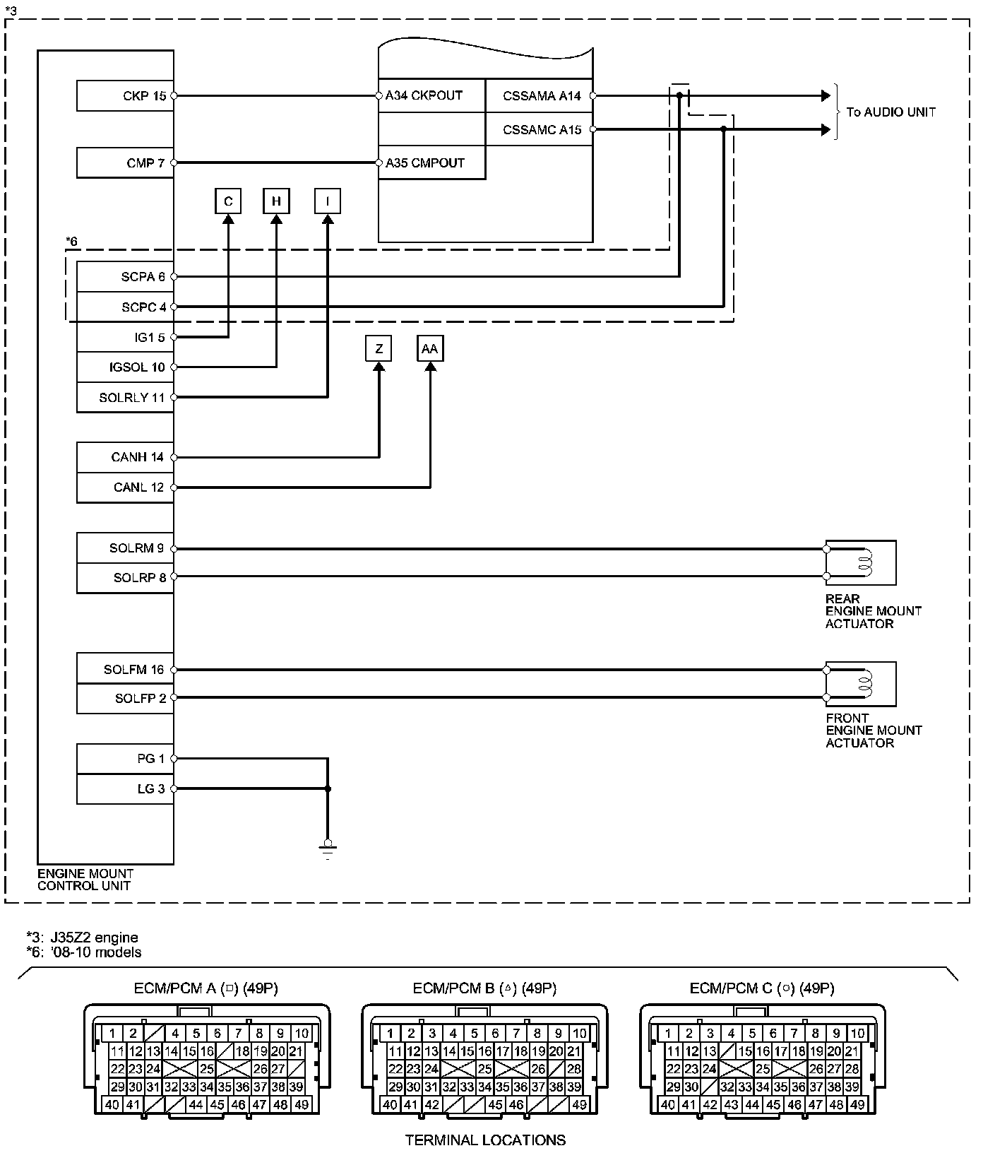
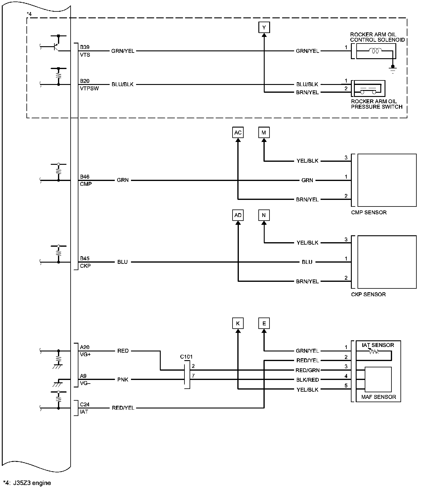
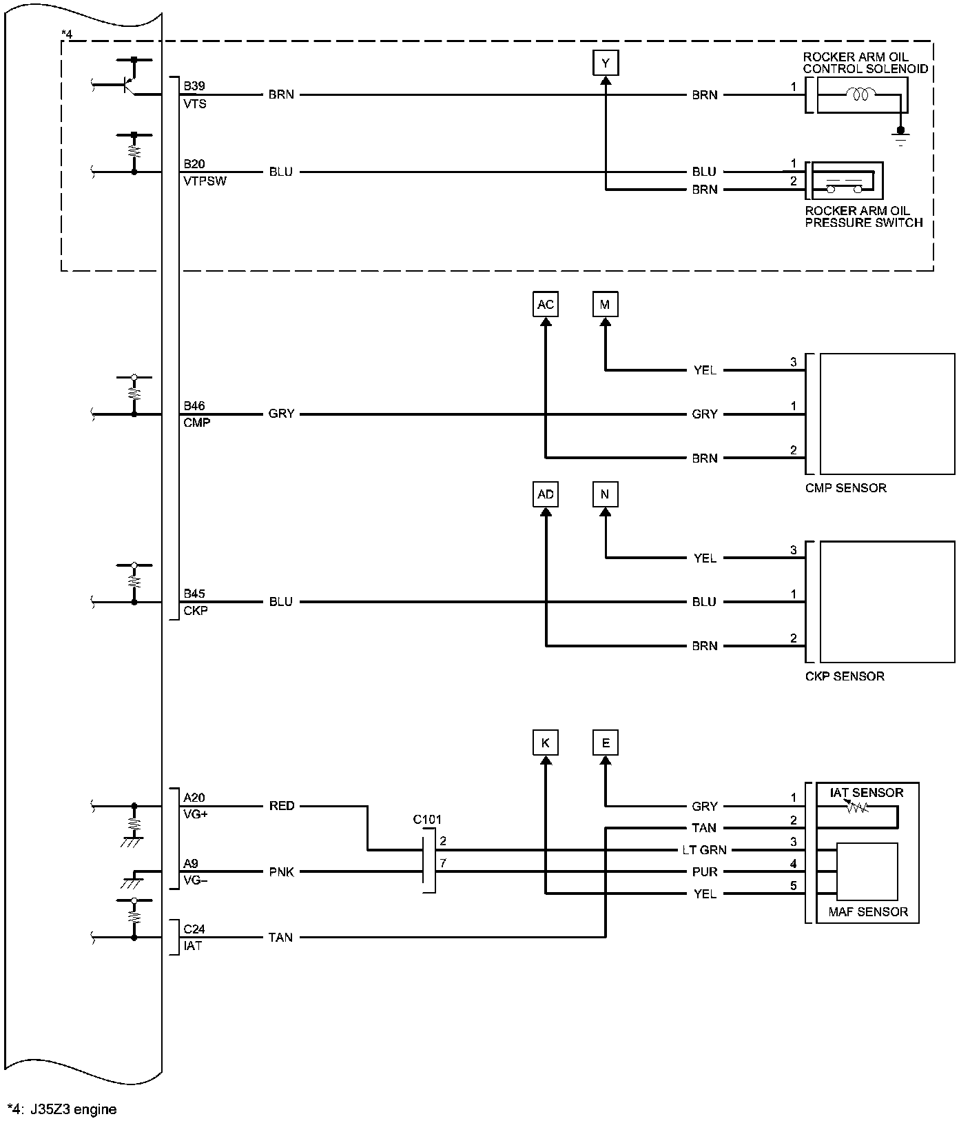
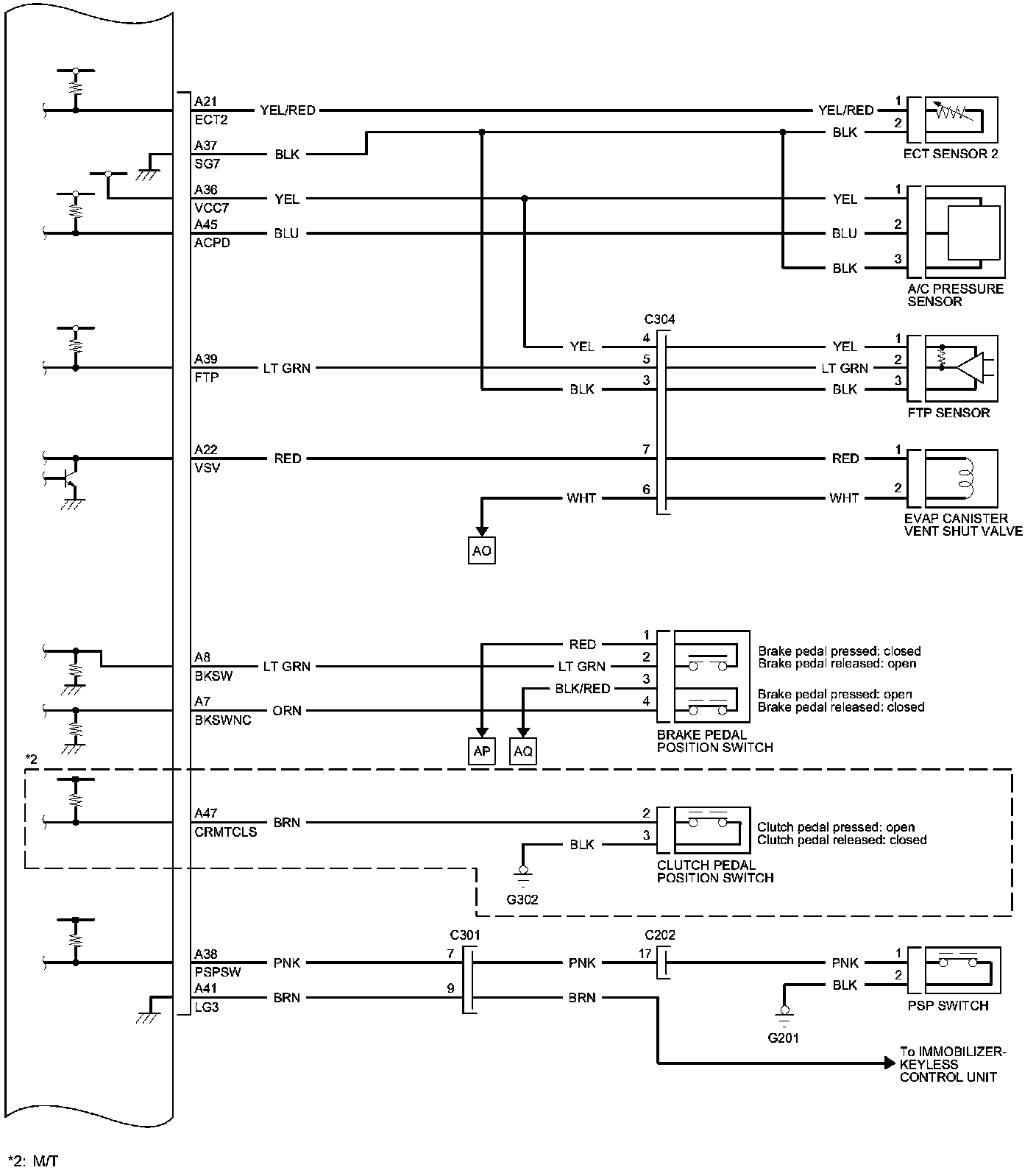
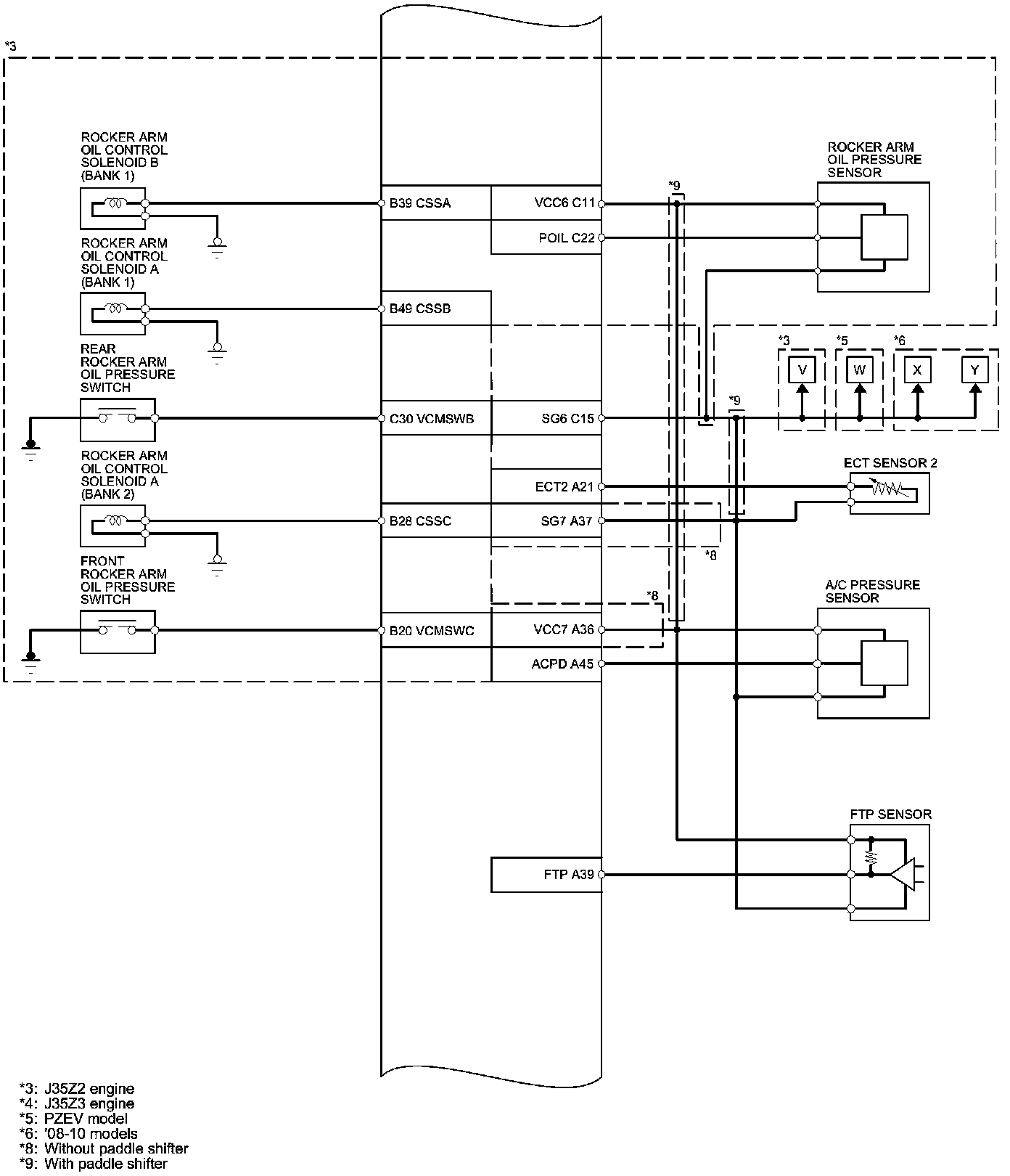
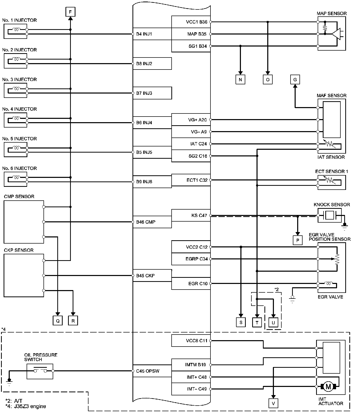
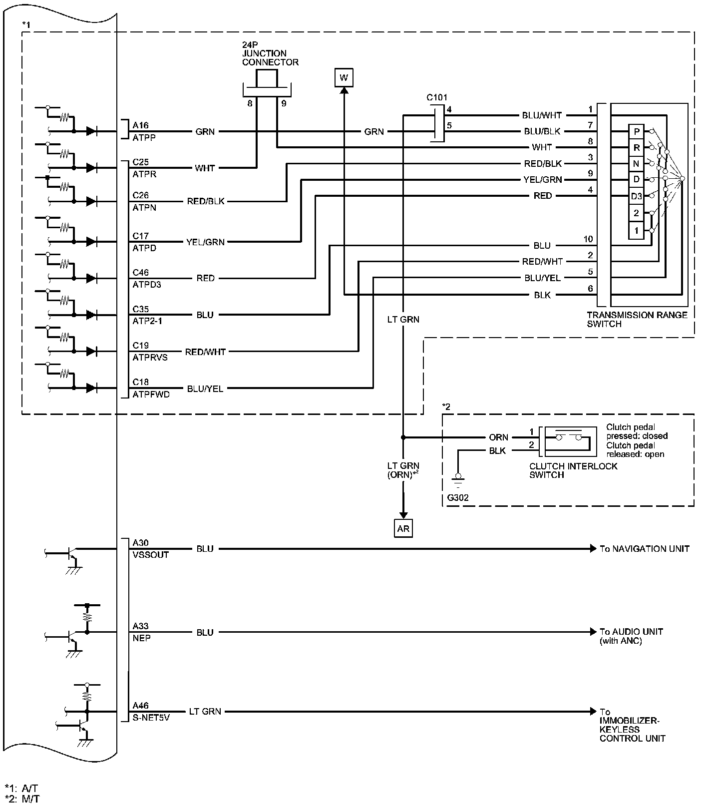
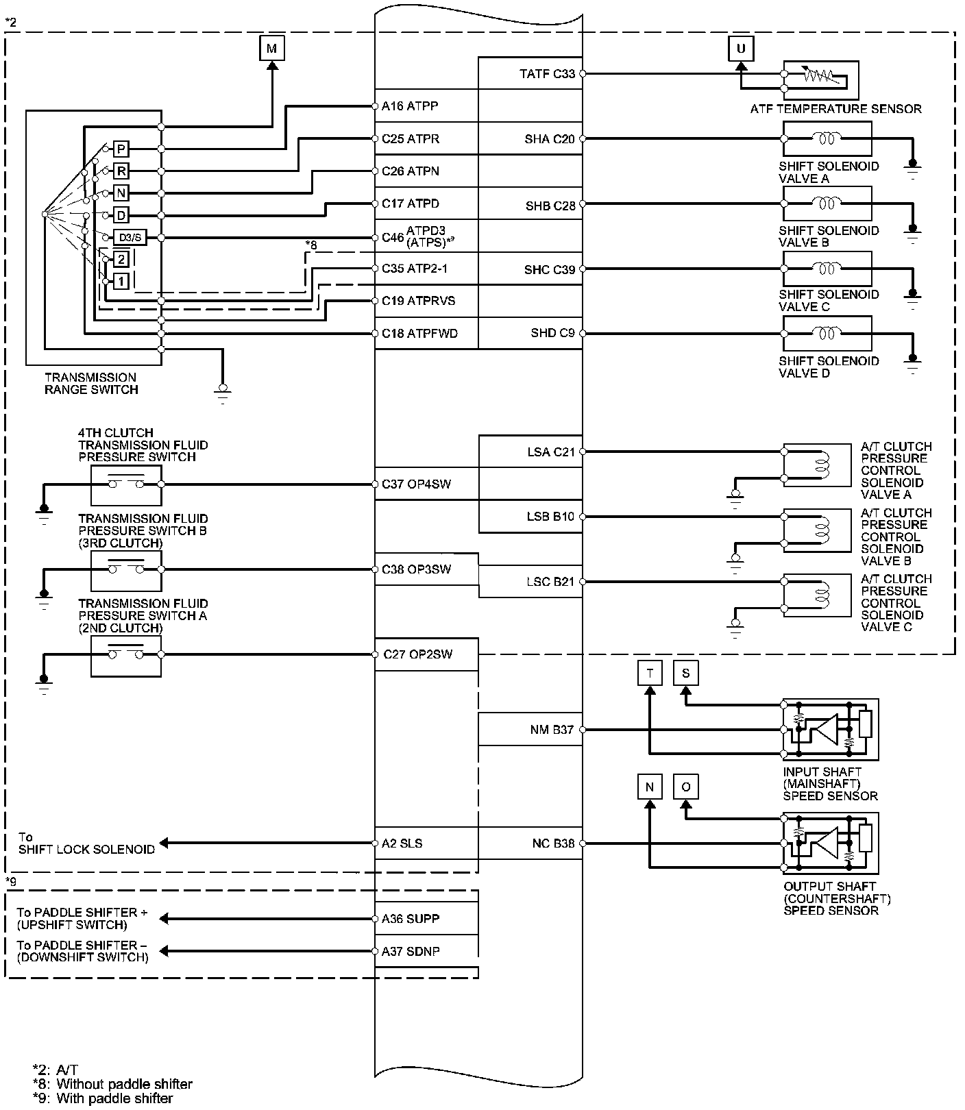
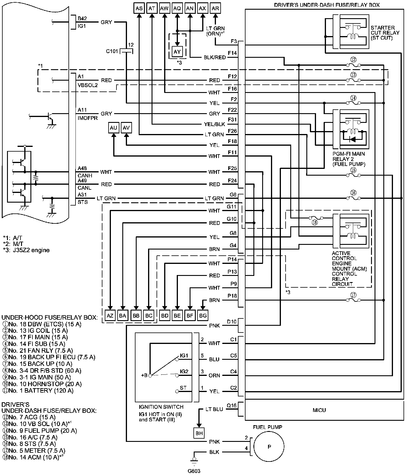
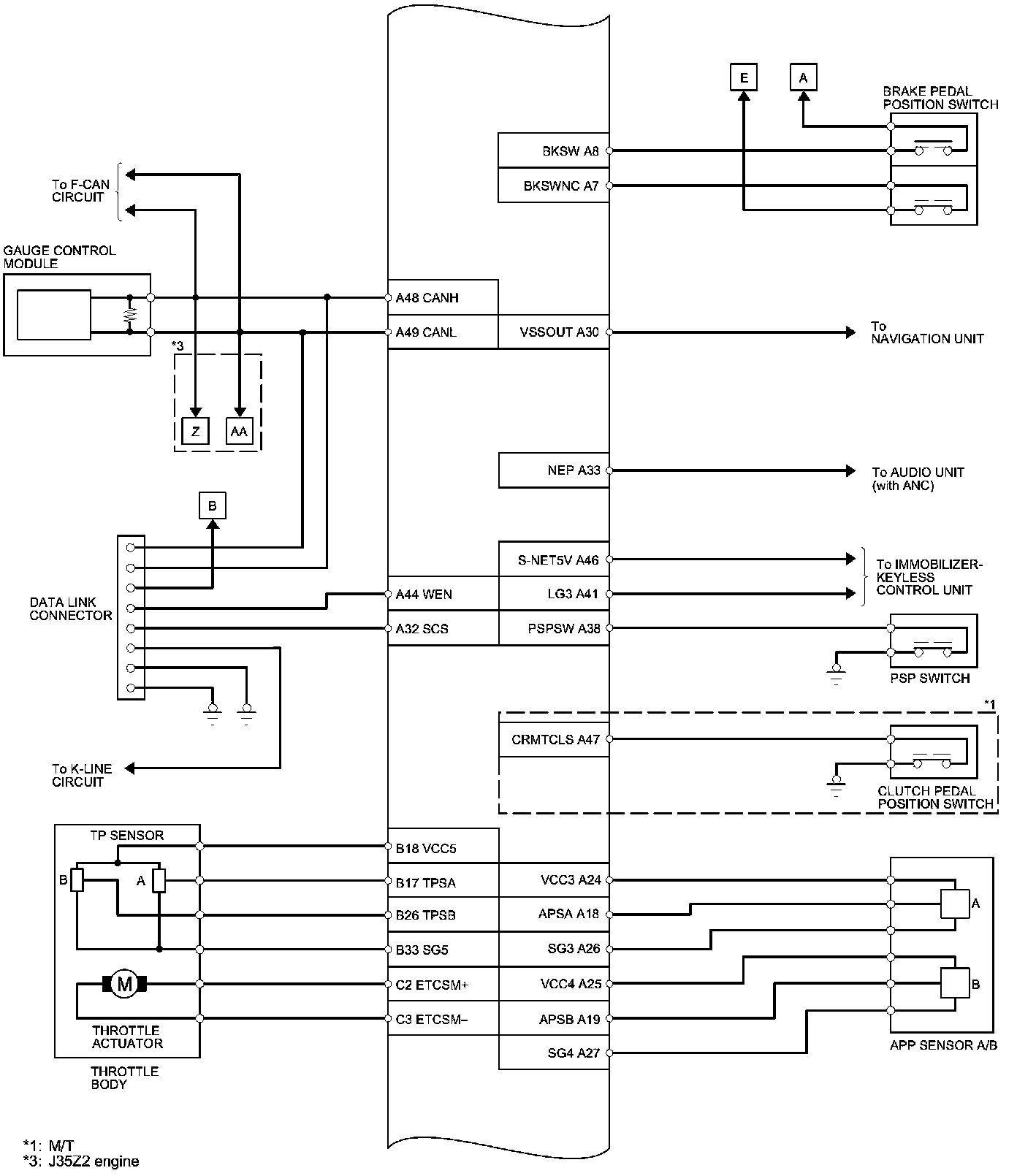
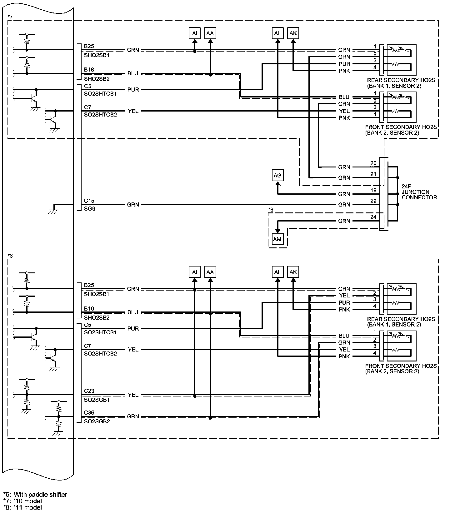
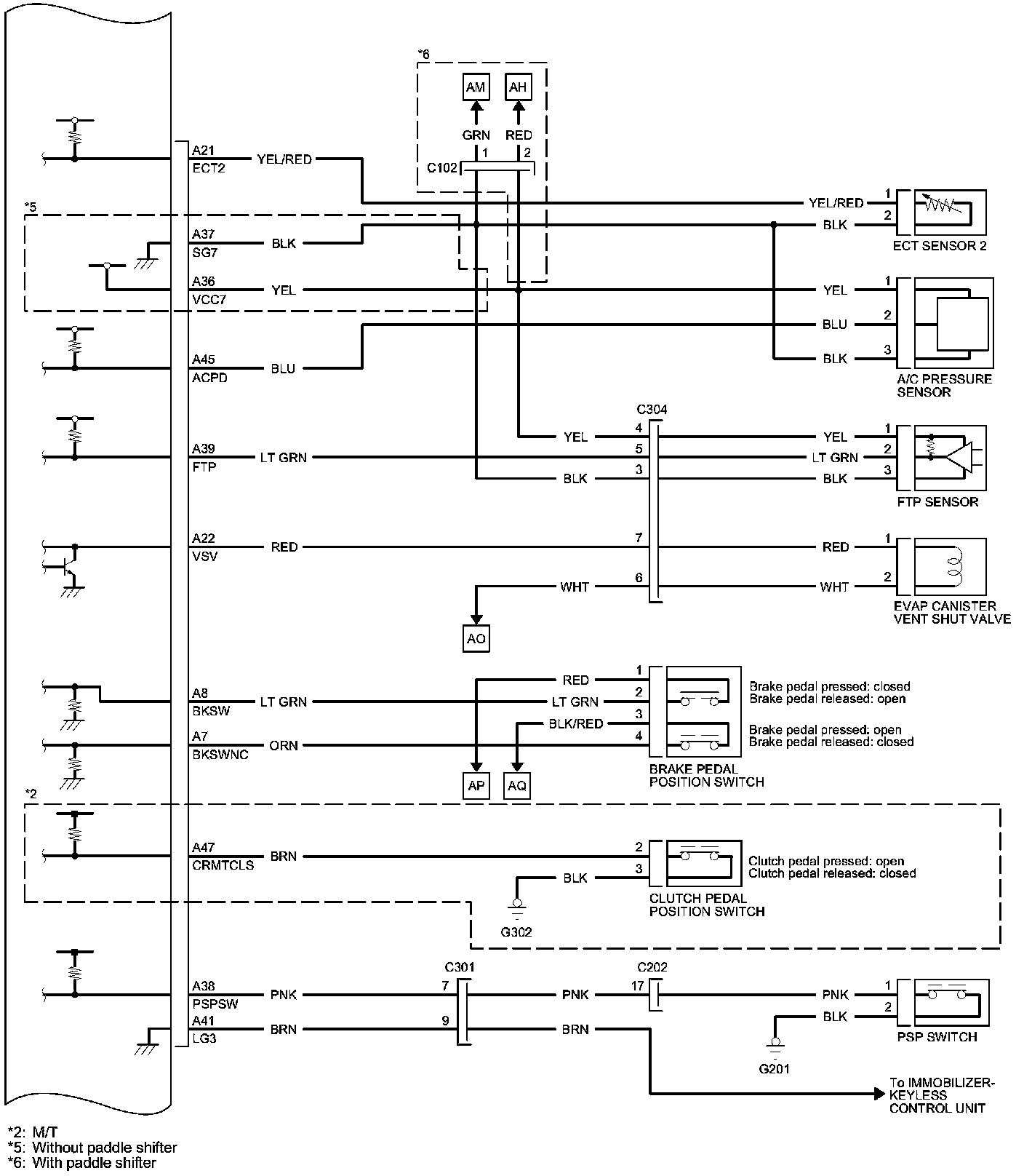
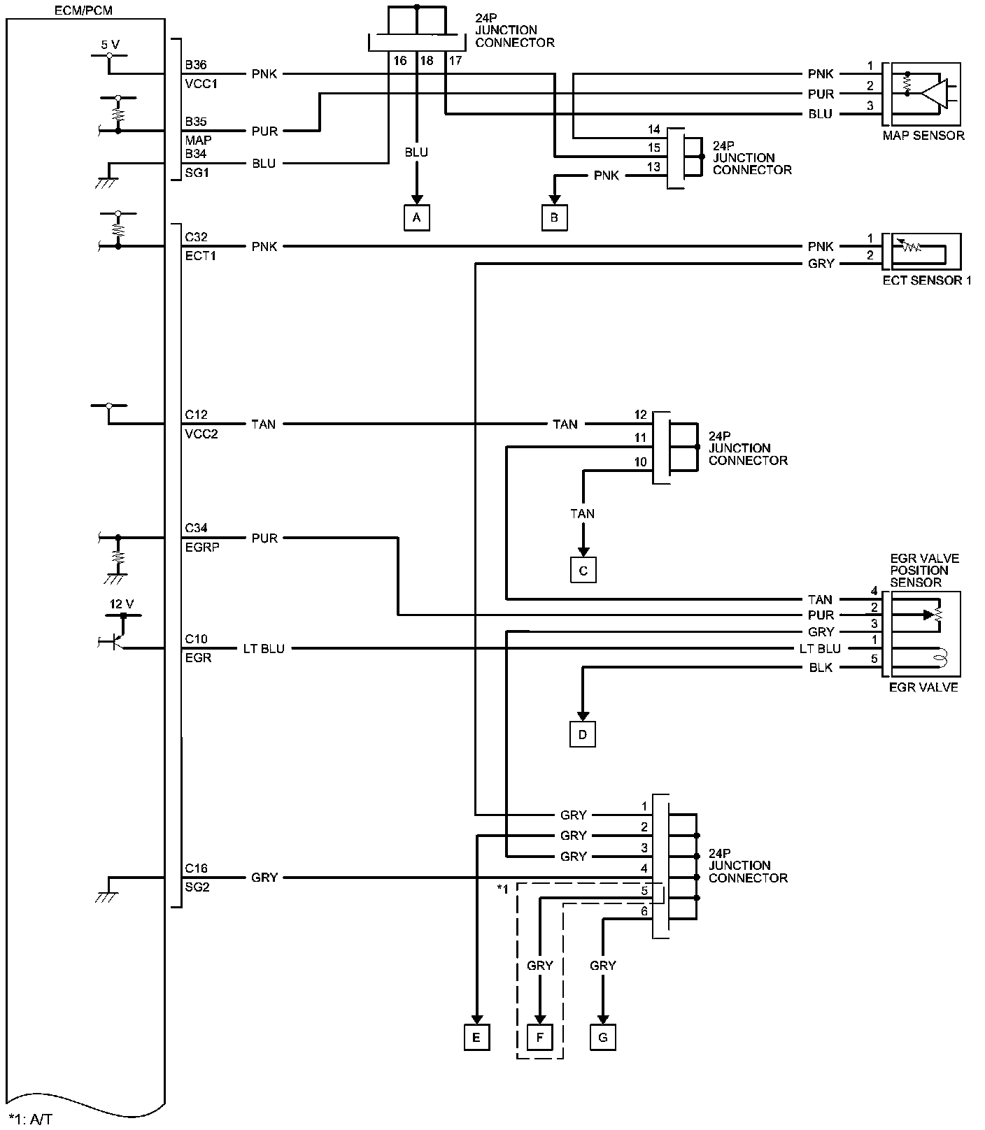
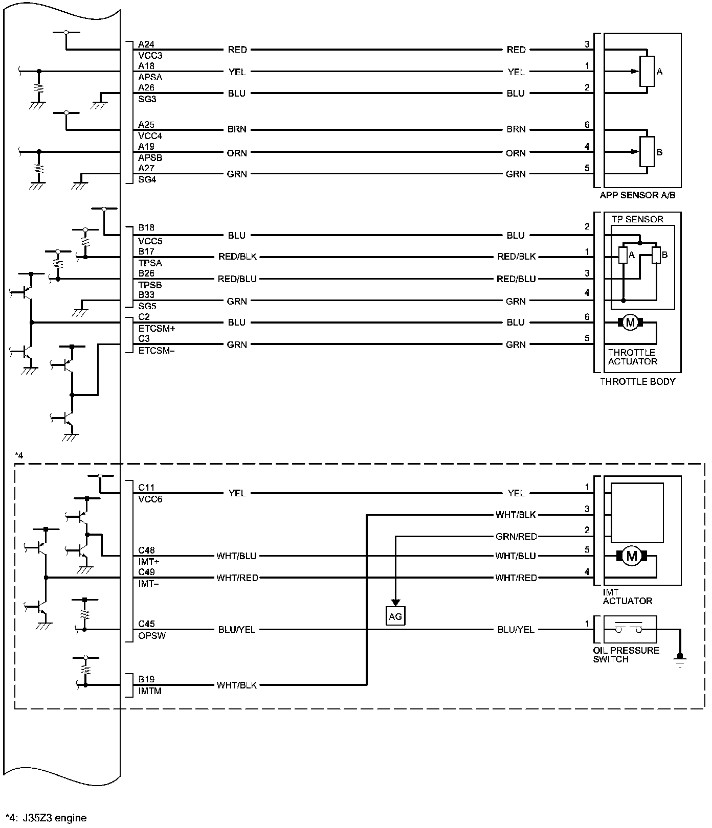
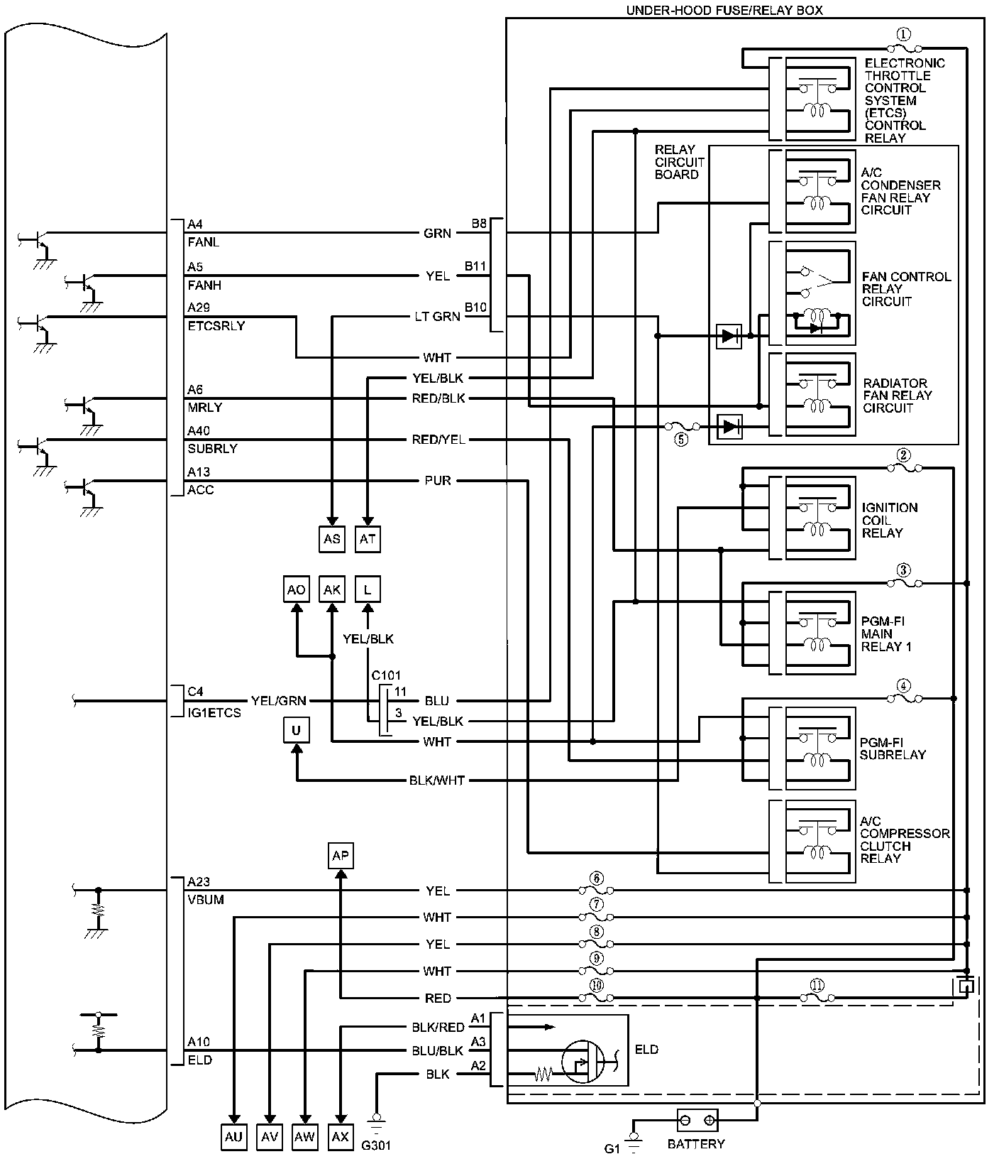
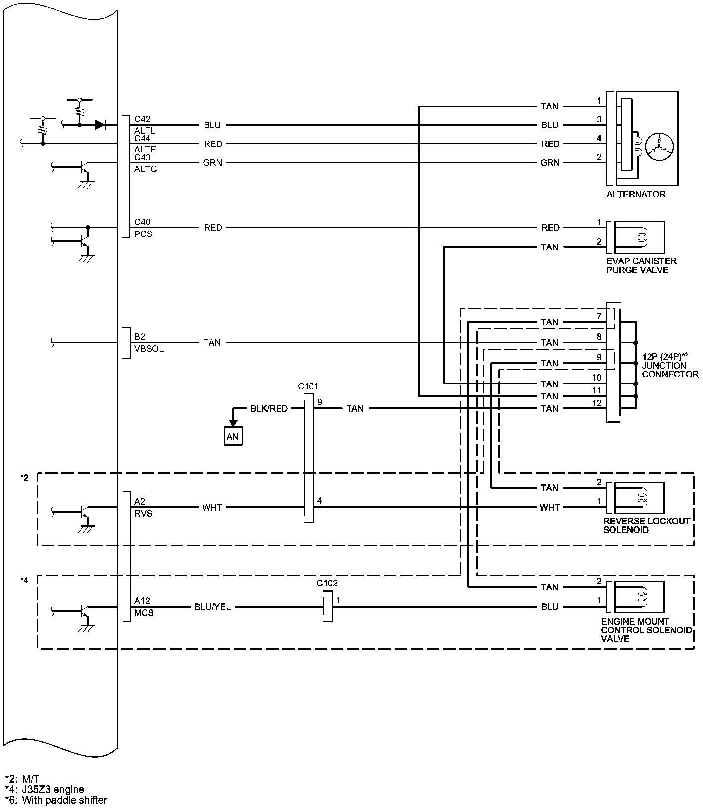
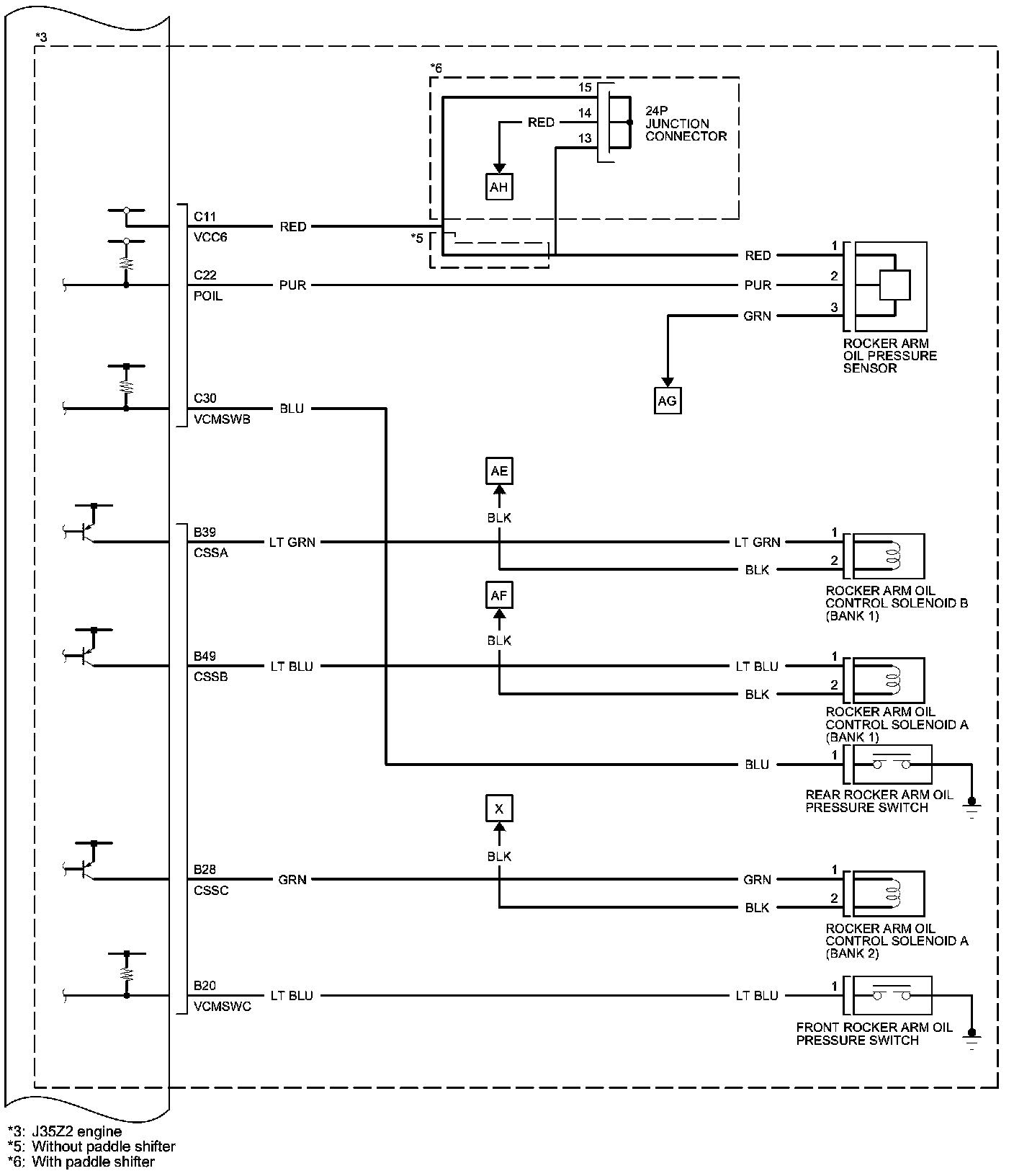
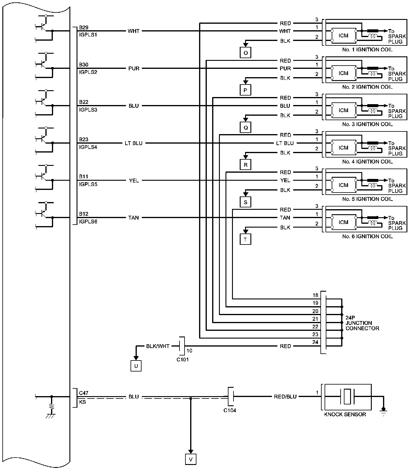
ECM/PCM Electrical Connections






























ECM/PCM Circuit Diagram ('08-09 models)






































































ECM/PCM Circuit Diagram ('10-11 models)