LEMON Manuals: Even more car manuals for everyone: 1960-2025
Home >> Honda >> 2011 >> CR-Z Base, Standard >> Repair and Diagnosis >> Body & Frame >> Windows >> Power Windows >> Circuit Diagram
April 5, 2026: LEMON Manuals is launched! Read the announcement.

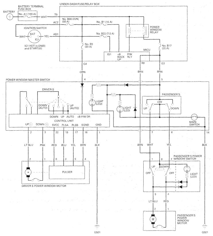
Circuit Diagram

Fig 1: Power Circuit - Circuit Diagram
G06954039Courtesy of AMERICAN HONDA MOTOR CO., INC.