LEMON Manuals: Even more car manuals for everyone: 1960-2025
Home >> Honda >> 2011 >> Civic L4-1.3L Hybrid >> Repair and Diagnosis >> Hybrid Drive Systems >> Power Control System >> Drive Motor Control Module >> Service and Repair >> Removal and Replacement >> PCU Removal/Installation
April 5, 2026: LEMON Manuals is launched! Read the announcement.

PCU Removal/Installation




PCU Removal/Installation

NOTE: Wear insulated gloves to protect yourself from electrical shock.

IMA components are located in this area. The IMA is a high-voltage system. You must be familiar with the IMA system before working on or around it. Make sure you have read the IMA service precautions before doing repairs or service High Voltage Safety.

1. Remove the IPU lid IPU Lid Removal/Installation.

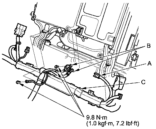
2. Disconnect the DC-DC converter connector (A).





3. Remove the wires (B).

4. Lift the IPU wire harness (C).

5. Remove the PCU cover (A).





6. Remove the A/C compressor power cable connector (B), and the motor power cables (C), then wrap them with insulating tape.

NOTE: Check the position of the U phase, V phase, and W phase cables before you disconnect them.

7. Remove the BCM module Service and Repair.

8. Remove the DC-DC converter Service and Repair.

9. Remove the A/C compressor driver Service and Repair.

10. Remove the PCU case mounting bolts (A).





11. Remove the bolt (B) and the clamps (C), then disconnect the MCM connector (D).

12. Remove the PCU (E).

13. Install the parts in the reverse order of removal.

14. Do the motor rotor position calibration.