LEMON Manuals: Even more car manuals for everyone: 1960-2025
Home >> Honda >> 2011 >> Element EX, 2.4 YH2 >> Repair and Diagnosis (Single Page) >> Engine Performance >> System >> Advanced Diagnostics >> DTC P2552: Throttle Actuator Control Module Relay Malfunction >> Notes
April 5, 2026: LEMON Manuals is launched! Read the announcement.

DTC P2552: Throttle Actuator Control Module Relay Malfunction: Notes

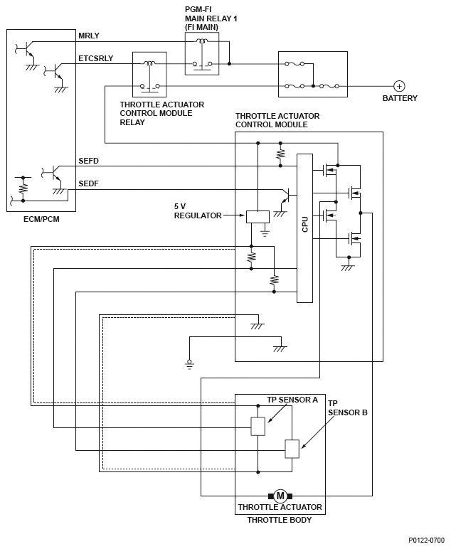
Fig 1: Throttle Position (TP) Sensor Circuit Diagram
G04826814Courtesy of AMERICAN HONDA MOTOR CO., INC.