LEMON Manuals: Even more car manuals for everyone: 1960-2025
Home >> Honda >> 2011 >> Element EX, 2.4 YH2 >> Repair and Diagnosis >> External Pages >> Different car >> Section 75 (Driver Position Memory System (DPMS) (V6)) >> Circuit Diagram - Power Mirror
April 5, 2026: LEMON Manuals is launched! Read the announcement.

Circuit Diagram - Power Mirror

WARNING: This page does not describe the selected car, but rather 6 other vehicles, including the 2015 Honda Crosstour, 2014 Honda Crosstour, 2013 Honda Crosstour, 2012 Honda Crosstour, and 2011 Honda Accord Crosstour. However, it is still accessible from the selected car via links, so may be relevant.
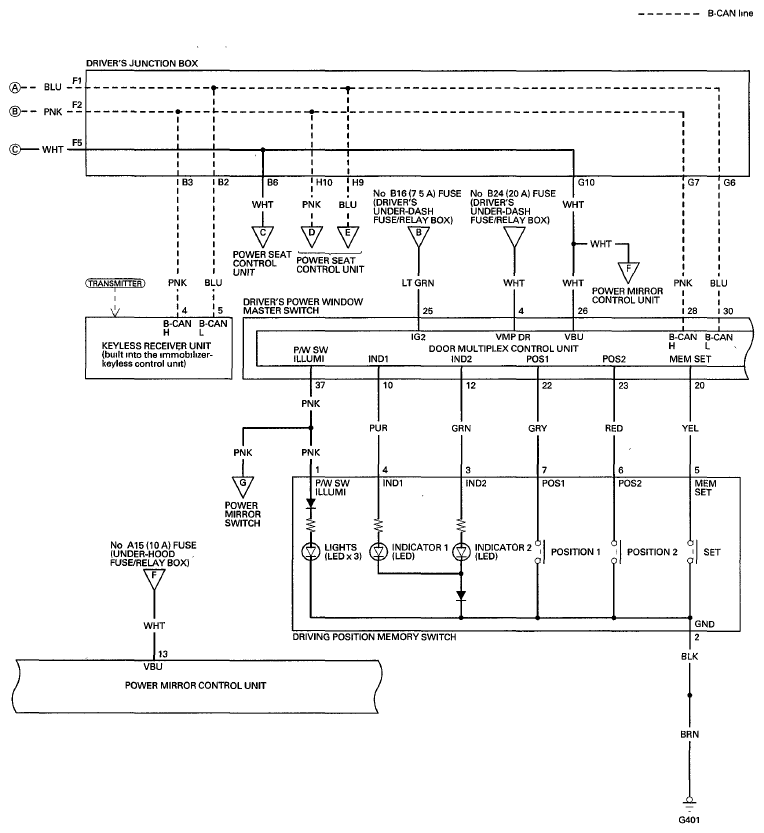
Fig 1: Power Mirror - Circuit Diagram (1 Of 4)
G06420501Courtesy of ABLE BODY CORP.
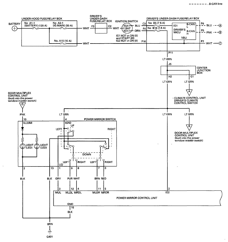
Fig 2: Power Mirror - Circuit Diagram (2 Of 4)
G06420502Courtesy of ABLE BODY CORP.
Fig 3: Power Mirror - Circuit Diagram (3 Of 4)
G06420503Courtesy of ABLE BODY CORP.
Fig 4: Power Mirror - Circuit Diagram (4 Of 4)
G06420504Courtesy of ABLE BODY CORP.