LEMON Manuals: Even more car manuals for everyone: 1960-2025
Home >> Honda >> 2011 >> Fit Base, Automatic >> Repair and Diagnosis >> External Pages >> Different car >> Section 3 (Navigation System) >> Circuit Diagram
April 5, 2026: LEMON Manuals is launched! Read the announcement.

Circuit Diagram

WARNING: This page is about a different car, the 2013 Honda Fit and 2012 Honda Fit. However, it is still accessible from the selected car via links, so may be relevant.
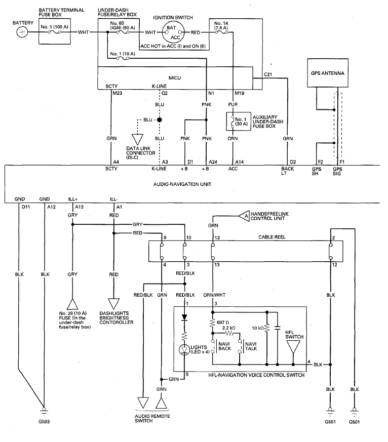
Fig 1: Navigation Unit - Circuit Diagram (1 Of 2)
G08083172Courtesy of AMERICAN HONDA MOTOR CO., INC.
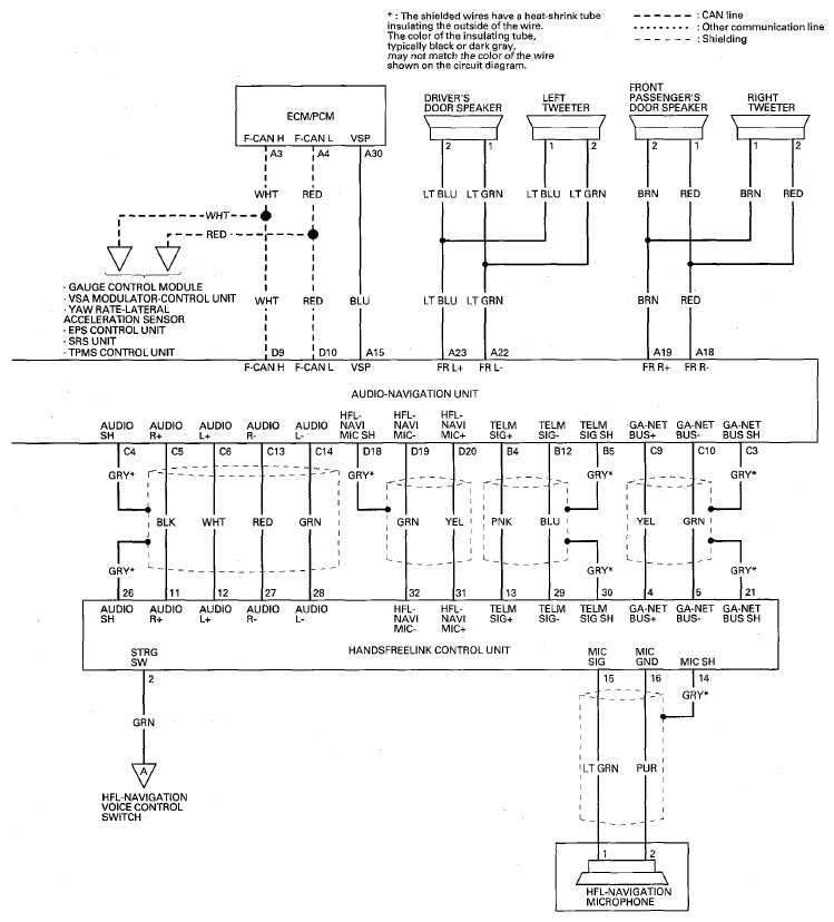
Fig 2: Navigation Unit - Circuit Diagram (2 Of 2)
G08083173Courtesy of AMERICAN HONDA MOTOR CO., INC.