LEMON Manuals: Even more car manuals for everyone: 1960-2025
Home >> Honda >> 2011 >> Fit Base, Standard >> Repair and Diagnosis >> External Pages >> Different car >> Section 2 (Audio System) >> Circuit Diagram >> With Navigation
April 5, 2026: LEMON Manuals is launched! Read the announcement.

With Navigation

WARNING: This page is about a different car, the 2013 Honda Fit and 2012 Honda Fit. However, it is still accessible from the selected car via links, so may be relevant.
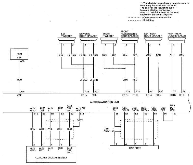
Fig 1: Audio System Circuit Diagram - With Navigation (1 Of 3)
G08083064Courtesy of AMERICAN HONDA MOTOR CO., INC.
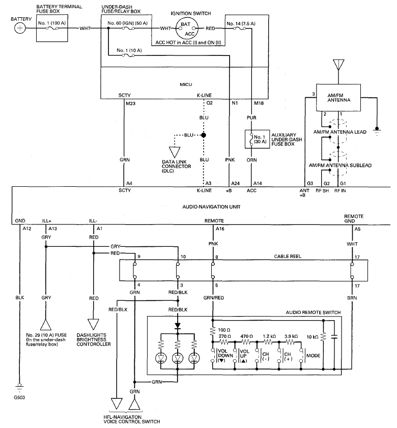
Fig 2: Audio System Circuit Diagram - With Navigation (2 Of 3)
G08083065Courtesy of AMERICAN HONDA MOTOR CO., INC.
Fig 3: Audio System Circuit Diagram - With Navigation (3 Of 3)
G08083066Courtesy of AMERICAN HONDA MOTOR CO., INC.