LEMON Manuals: Even more car manuals for everyone: 1960-2025
Home >> Honda >> 2011 >> Fit Sport, Standard >> Repair and Diagnosis >> Engine Performance >> System >> Advanced Diagnostics >> DTC P062F: PCM Internal Control Module Keep Alive Memory (KAM) Error (A/T System) >> Notes
April 5, 2026: LEMON Manuals is launched! Read the announcement.

DTC P062F: PCM Internal Control Module Keep Alive Memory (KAM) Error (A/T System): Notes

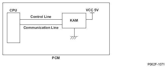
Fig 1: PCM Internal Control Module Keep Alive Memory Error Communication Diagram
G06617247